Котел Ferroli Divatop 60 C32 - инструкция пользователя по применению, эксплуатации и установке на русском языке. Мы надеемся, она поможет вам решить возникшие у вас вопросы при эксплуатации техники.
Если остались вопросы, задайте их в комментариях после инструкции.
"Загружаем инструкцию", означает, что нужно подождать пока файл загрузится и можно будет его читать онлайн. Некоторые инструкции очень большие и время их появления зависит от вашей скорости интернета.

33
DI VAtop 6 0 c 32
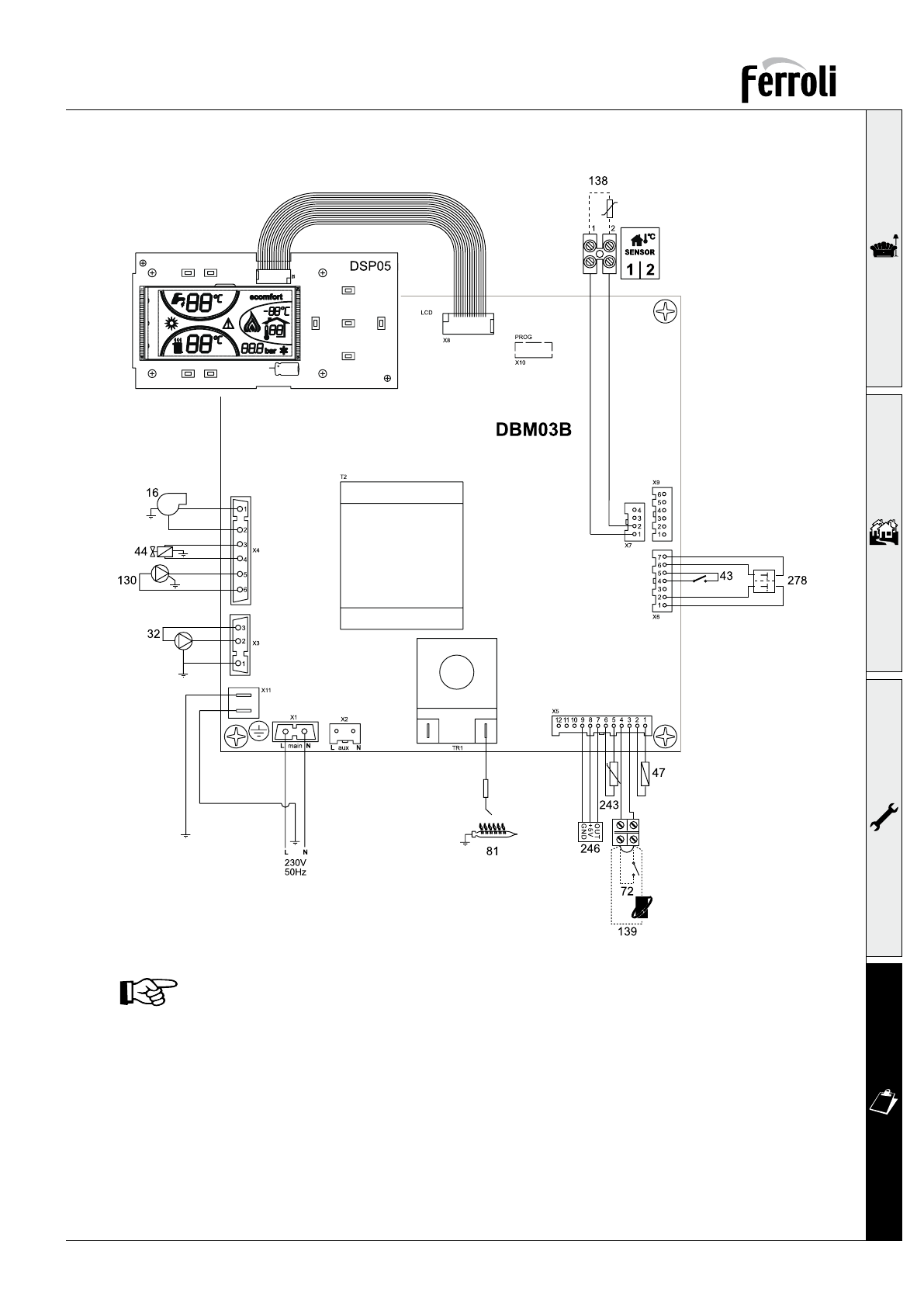
электрическая схема
4.6
рис. 33 -Электрическая схема
Внимание: Прежде чем подключать комнатный термостат или дистанционный хронотермостат,
снять перемычку на клеммнике.
32
Циркуляционный насос системы отопления
44
Газовый клапан
47
Катушка модуляции
72
Комнатный термостат
81
Электрод розжига и обнаружения пламени
126
Термостат дымовых газов
130
Циркуляционный насос бойлера
138
Датчик температуры наружного воздуха
139
Дистанционный
хронотермостат
(OpenTherm
)
243
Температурный датчик (бойлер)
246
Датчик давления
278
Многофункциональный датчик ото-
пления (предохранительная и регулировочная
функции)