Котел Ferroli ATLAS D K100 - инструкция пользователя по применению, эксплуатации и установке на русском языке. Мы надеемся, она поможет вам решить возникшие у вас вопросы при эксплуатации техники.
Если остались вопросы, задайте их в комментариях после инструкции.
"Загружаем инструкцию", означает, что нужно подождать пока файл загрузится и можно будет его читать онлайн. Некоторые инструкции очень большие и время их появления зависит от вашей скорости интернета.

ATLAS D 30 K 100
28
EN
cod. 3540S361 - 08/2009 (Rev. 00)
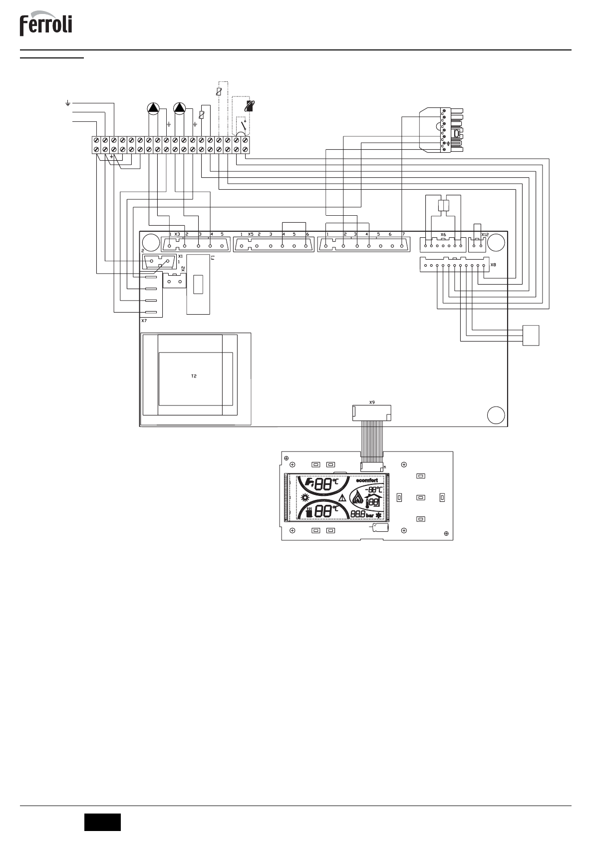
5.4 Wiring diagram
fig. 20 - Wiring diagram
32
Heating circulating pump
42
DHW temperature probe
72
Room thermostat
130
Hot water tank circulating pump
138
External probe
139
Room unit
211
Burner connector
246
Pressure transducer
278
Double sensor (Safety + Heating)
DBM06
T° T°
278
OUT
+5V
GND
246
L
N
4
5
6
7
8
9 10 11 12 13 14 15 16 17 18
DSP05
L
N
230V
50Hz
42
32
138
139
72
L1
N
T1
T2
S3
B4
130
211
