Котел Ferroli Atlas D 30 KI 100 - инструкция пользователя по применению, эксплуатации и установке на русском языке. Мы надеемся, она поможет вам решить возникшие у вас вопросы при эксплуатации техники.
Если остались вопросы, задайте их в комментариях после инструкции.
"Загружаем инструкцию", означает, что нужно подождать пока файл загрузится и можно будет его читать онлайн. Некоторые инструкции очень большие и время их появления зависит от вашей скорости интернета.

ATLAS D 30 K 100
7
IT
cod. 3540S361 - 08/2009 (Rev. 00)
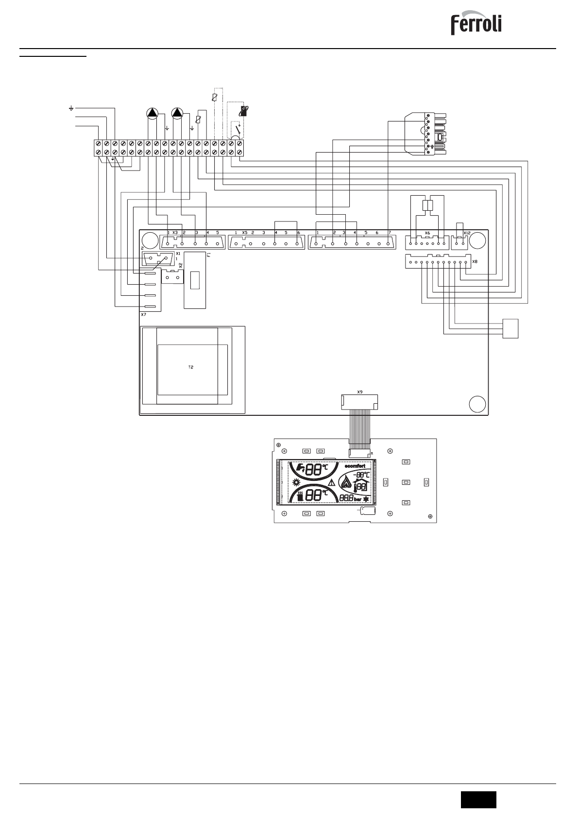
5.4 Schema elettrico
fig. 20 - Schema elettrico
32
Circolatore riscaldamento
42
Sonda temperatura sanitario
72
Termoststo ambiente
130
Circolatore bollitore
138
Sonda esterna
139
Unità ambiente
211
Connettore bruciatore
246
Trasduttore di pressione
278
Sensore doppio (Sicurezza + riscaldamento)
DBM06
T° T°
278
OUT
+5V
GND
246
L
N
4
5
6
7
8
9 10 11 12 13 14 15 16 17 18
DSP05
L
N
230V
50Hz
42
32
138
139
72
L1
N
T1
T2
S3
B4
130
211