Котел Эван Warmos Start — 9 - инструкция пользователя по применению, эксплуатации и установке на русском языке. Мы надеемся, она поможет вам решить возникшие у вас вопросы при эксплуатации техники.
Если остались вопросы, задайте их в комментариях после инструкции.
"Загружаем инструкцию", означает, что нужно подождать пока файл загрузится и можно будет его читать онлайн. Некоторые инструкции очень большие и время их появления зависит от вашей скорости интернета.

Автоматический
выключатель
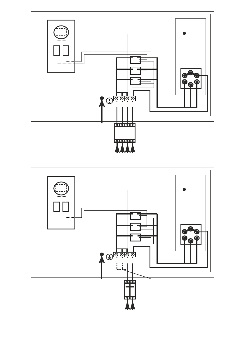
Рисунок 6. Электрическая схема подключения Warmos Start-
7-
9
/380
РЕ
Блок ТЭН
Термовыключатель
с самовозвратом
КОТЕЛ
A
В
С
N
Зажим для
защитного
проводника РЕ
Warmos
Start
-
3-9
ПАНЕЛЬ
УСТАНОВОЧНАЯ
Терморегулятор
ПАНЕЛЬ
Управления
I
II
III
L
1
L2 L3 N
- 11 -
Рисунок 7. Электрическая схема подключения Warmos Start-
7-
9
/220
РЕ
Блок ТЭН
Термовыключатель
с самовозвратом
КОТЕЛ
A B C N
Зажим для
защитного
проводника РЕ
Warmos
Start
-7
-9
ПАНЕЛЬ
УСТАНОВОЧНАЯ
Терморегулятор
ПАНЕЛЬ
Управления
I
II
III
L
N
Перемычка
291.0
05