Котел Эван Warmos Start — 5 - инструкция пользователя по применению, эксплуатации и установке на русском языке. Мы надеемся, она поможет вам решить возникшие у вас вопросы при эксплуатации техники.
Если остались вопросы, задайте их в комментариях после инструкции.
"Загружаем инструкцию", означает, что нужно подождать пока файл загрузится и можно будет его читать онлайн. Некоторые инструкции очень большие и время их появления зависит от вашей скорости интернета.

Рисунок 5. Электрическая схема подключения Warmos Start-3-5/380
ПАНЕЛЬ
УСТАНОВОЧНАЯ
Блок ТЭН
Термовыключатель
с самовозвратом
Терморегулятор
КОТЕЛ
ПАНЕЛЬ
Управления
РЕ
Зажим для
защитного
проводника РЕ
Warmos
S
tart
-
3
-5
Автоматический
выключатель
I
II
III
L
1
L2 L3 N
A
B
С
N
- 10 -
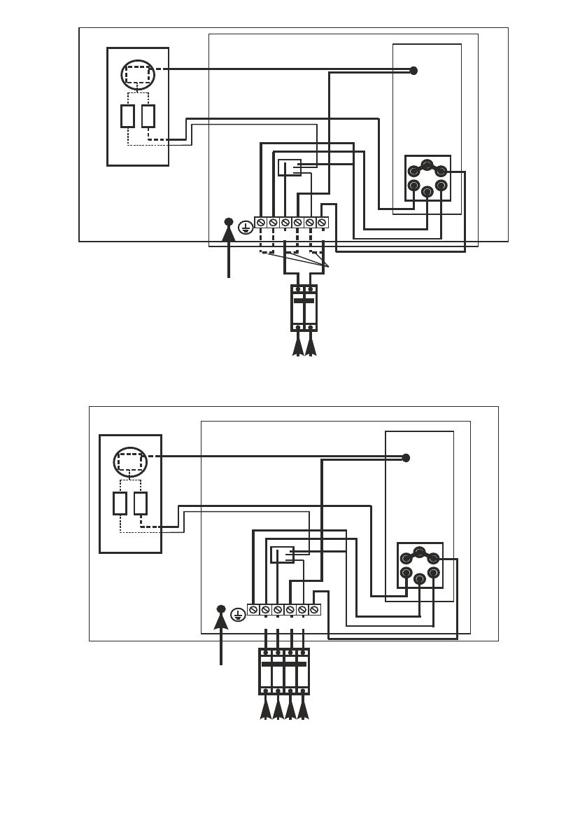
Рисунок 4. Электрическая схема подключения Warmos Start-3-5/220
ПАНЕЛЬ
УСТАНОВОЧНАЯ
Блок ТЭН
Термовыключатель
с самовозвратом
Терморегулятор
КОТЕЛ
A
N
ПАНЕЛЬ
Управления
РЕ
Зажим для
защитного
проводника РЕ
Warmos
S
tart
-
3
-5
L
N
Автоматический
выключатель
I
II
III
Перемычки
291.010