Котел Эван WARMOS-QX -18 - инструкция пользователя по применению, эксплуатации и установке на русском языке. Мы надеемся, она поможет вам решить возникшие у вас вопросы при эксплуатации техники.
Если остались вопросы, задайте их в комментариях после инструкции.
"Загружаем инструкцию", означает, что нужно подождать пока файл загрузится и можно будет его читать онлайн. Некоторые инструкции очень большие и время их появления зависит от вашей скорости интернета.

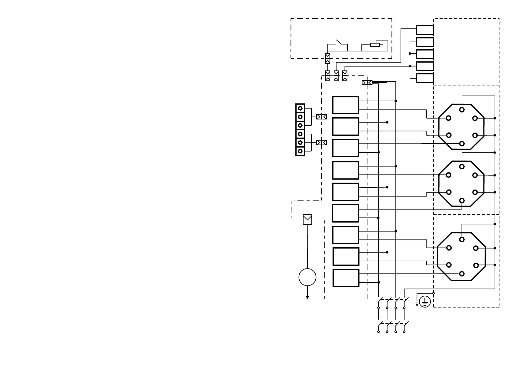
Ðåëå ïðîòîêà
Äàò÷èê Ðìàêñ
Äàò÷èê Ðìèí.
î
Äàò÷èê Ò Ñ ìàêñ.
ÑÅÒÜ
ÁÒÝÍ 1
ÁÒÝÍ 2
ÁÒÝÍ 3
Ê1
N
ÐÅ
Ïëàòà ðåëå
Ïàíåëü èíäèêàöèè è
óïðàâëåíèÿ
ÍÀÑÎÑ
Êîòåë
Äàò÷èê
òåìïåðàòóðû
âîçäóõà
Ðèñ. 5 Ñõåìà ïîäêëþ÷åíèÿ
Íèæíÿÿ ñòåíêà
Âåðõíÿÿ ñòåíêà
Ê2
Ê3
Ê5
Ê6
Ê4
Ê9
Ê7
Ê8
- 16 -
7.1.8 Â ïðîöåññå ðàáîòû ïðèáîðà Âû ìîæåòå êîíòðîëèðîâàòü
ñîñòîÿíèå ñèñòåìû ñ ïîìîùüþ ñèìâîëüíîãî èíäèêàòîðà.
Ïîñëåäîâàòåëüíî íàæèìàÿ íà êíîïêó "ÈÍÄÈÊÀÖÈß ÂÛÁÎÐ" Âû
ïîëó÷èòå èíôîðìàöèþ î çàäàííîé òåìïåðàòóðå òåïëîíîñèòåëÿ, åãî
òåêóùåé òåìïåðàòóðå, ñðåäíåé ïîòðåáëÿåìîé ìîùíîñòè â êÂò çà
ïîñëåäíèå 15 ìèí.
7.1.9 Ïðè âîçíèêíîâåíèè àâàðèéíîé ñèòóàöèè èíôîðìàöèÿ î
ïðè÷èíàõ îòêàçà ïîÿâèòñÿ íà ñèìâîëüíîì èíäèêàòîðå àâòîìàòè-
÷åñêè, âûñâåòèòñÿ ñâåòîäèîäíûé èíäèêàòîð “ÎÒÊÀÇ/ÎØÈÁÊÀ”,
âêëþ÷èòñÿ çâóêîâîé ñèãíàë (ñì. ï. 4.6.8 - 4.6.11).
7.1.10 Âñå àâàðèéíûå äàò÷èêè ÿâëÿþòñÿ ñàìîâîçâðàòíûìè è
ïðè óñòðàíåíèè ïðè÷èíû îòêàçà ïðèáîð âîçâðàùàåòñÿ â ðàáî÷åå
ñîñòîÿíèå, èíäèêàöèÿ ãàñíåò.  ñëó÷àå ïåðèîäè÷åñêè ïîâòîðÿ-
þùåãîñÿ îòêàçà íåîáõîäèìî îòêëþ÷èòü ïðèáîð, ñâÿçàòüñÿ ñ ñåðâèñ-
íîé ñëóæáîé è ñîîáùèòü êîä îòêàçà.
Ïîëüçóÿñü èíñòðóêöèåé ïî ïðèìåíåíèþ,
çàíåñèòå íåäåëüíóþ ïðîãðàììó ñ æåëàåìûìè çíà÷åíèÿìè
òåìïåðàòóðû â ïîìåùåíèè. Âêëþ÷åíèå è îòêëþ÷åíèå ïðèáîðà, â
ïðîöåññå ïîääåðæàíèÿ çàäàííîé òåìïåðàòóðû âîçäóõà, áóäåò
ïðîèñõîäèòü àâòîìàòè÷åñêè. Ïðè ïîäêëþ÷åíèè
çàäàííàÿ òåìïåðàòóðà òåïëîíîñèòåëÿ
óñòàíîâèòñÿ ðàâíîé 85°Ñ.
Ñâåòÿùèéñÿ åäèíè÷íûé èíäèêàòîð
“ÄÀÒ×ÈÊ ÂÎÇÄÓÕÀ” ñâèäåòåëüñòâóåò î òîì, ÷òî ïðèáîð ðàáîòàåò
îò ýòîãî äàò÷èêà è äàò÷èê èñïðàâåí (íåò îáðûâà â öåïè).
7.1.12 Ïðè ïîäêëþ÷åíèè
óñòàíîâèòå æåëàåìóþ òåìïåðàòóðó òåïëîíîñèòåëÿ â ñîîòâåòñòâèè ñ
ï.7.1.2.
Åäèíè÷íûé èíäèêàòîð “ÄÀÒ×ÈÊ ÂÎÇÄÓÕÀ” â ýòîì
ðåæèìå ñâåòèòñÿ íå áóäåò.
7.1.13
7.1.11 Ýêîíîìèÿ ýëåêòðîýíåðãèè è ïîääåðæàíèÿ êîìôîðòíîé
òåìïåðàòóðû âîçäóõà â ïîìåùåíèè äîñòèãàåòñÿ ñ èñïîëüçîâàíèåì
ïðîãðàììèðóåìîãî ðåãóëÿòîðà òåìïåðàòóðû âîçäóõà (âõîäèò â
êîìïëåêò ïîñòàâêè).
ïðîãðàììèðóåìîãî
ð å ã óë ÿ òî ð à ò å ì ï å ð àòó ð û âî çä ó õà ê ê ë å ì ìà ì " Ä ÀÒ × È Ê
ÒÅÌÏÅÐÀÒÓÐÛ ÂÎÇÄÓÕÀ"
ïðîãðàììèðóåìîãî ðåãóëÿòîðà
òåìïåðàòóðû âîçäóõà ê êëåììàì "ÄÀÒ×ÈÊ ÒÅÏËÎÃÎ ÏÎËÀ"
 õîäå ýêñïëóàòàöèè ñèñòåìû ïîäáåðèòå îïòèìàëüíóþ
ñêîðîñòü íàñîñà. Ïåðåêëþ÷åíèå ñêîðîñòè (ðèñ. 6) ìîæåò áûòü
ïðîèçâåäåíî âî âðåìÿ ðàáîòû äâèãàòåëÿ. Ïðè âûáîðå ìåíüøåé
ñêîðîñòè ïîëó÷àåòñÿ ýêîíîìèÿ ýëåêòðîýíåðãèè è áîëåå íèçêèé
øóìîâîé óðîâåíü.
- 13 -
î
Äàò÷èê Ò Ñ ðàá.
Äàò÷èê
òåïëîãî
ïîëà
ÒÅÌÏÅÐÀÒÓÐÀ
+
IN
-
+
ÂÕ
-
À Â Ñ
N
Q F 1
Q
F
2