Котел Эван UNIVERSAL — 36 - инструкция пользователя по применению, эксплуатации и установке на русском языке. Мы надеемся, она поможет вам решить возникшие у вас вопросы при эксплуатации техники.
Если остались вопросы, задайте их в комментариях после инструкции.
"Загружаем инструкцию", означает, что нужно подождать пока файл загрузится и можно будет его читать онлайн. Некоторые инструкции очень большие и время их появления зависит от вашей скорости интернета.

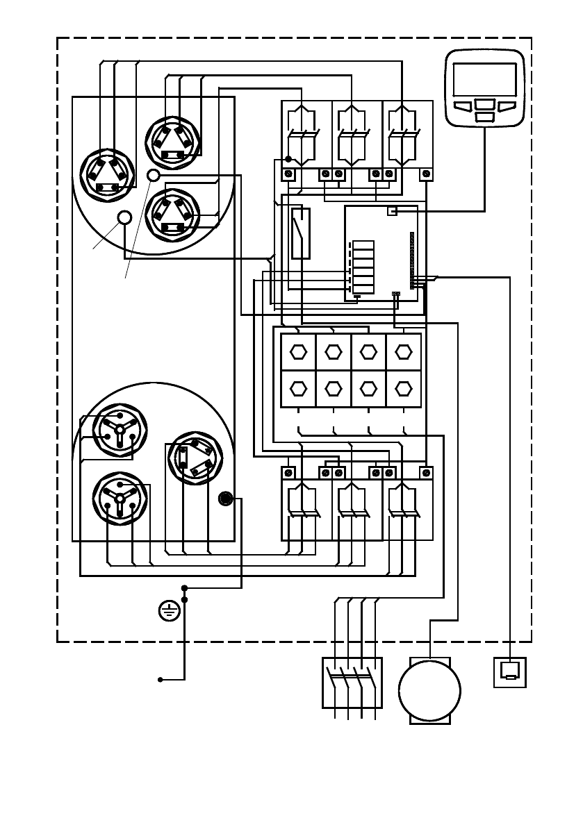
Термовы-
ключатель
A B C N
KM3
KM2
QF2
KM4
KM5
Котел
Экранный
блок
Насос
Рисунок 10.
Схема подключения ЭВАН UNIVERSAL -72, 90
KM6
KM1
ЕK3
ЕK2
ЕK1
РЕ
Плата
РЕЛЕ
QF1
Насос
Датчик
уличный
ЕK4
ЕK6
ЕK5
1
2
3
4
L
N
L1
Датчик
температуры
KM3
KM2
QF2
KM4
KM5
Котел
Экранный
блок
Насос
Рисунок 10.
Схема подключения ЭВАН UNIVERSAL -72, 90
KM6
KM1
ЕK3
ЕK2
ЕK1
РЕ
Плата
РЕЛЕ
QF1
Насос
Датчик
уличный
Датчик
температуры
Термовы-
ключатель
ЕK4
ЕK6
ЕK5
1
2
3
4
L
N
L1
A B C N
- 16 -