Котел Эван UNIVERSAL -120 - инструкция пользователя по применению, эксплуатации и установке на русском языке. Мы надеемся, она поможет вам решить возникшие у вас вопросы при эксплуатации техники.
Если остались вопросы, задайте их в комментариях после инструкции.
"Загружаем инструкцию", означает, что нужно подождать пока файл загрузится и можно будет его читать онлайн. Некоторые инструкции очень большие и время их появления зависит от вашей скорости интернета.

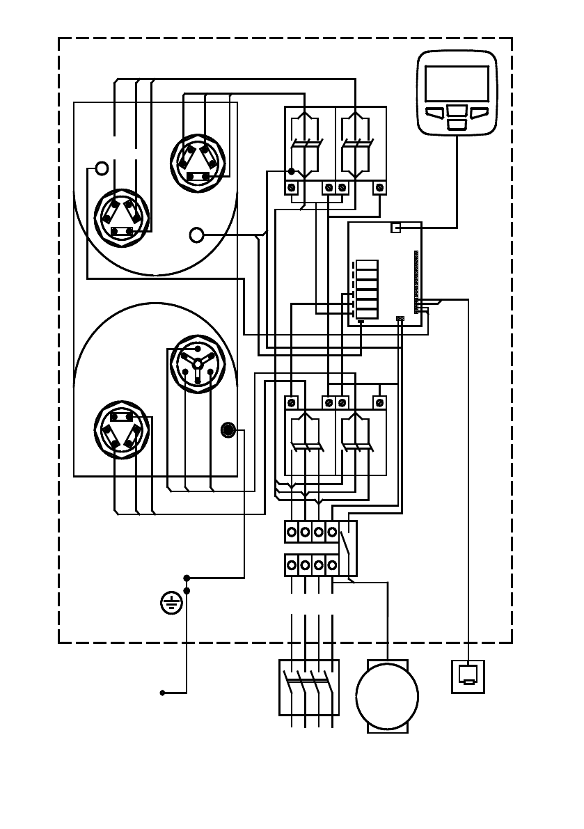
Термовы-
ключатель
KM2
1
2
3
4
L
N
L1
РЕ
KM1
QF1
Насос
QF2
KM3
KM4
Котел
Плата
РЕЛЕ
Экранный
блок
Насос
Датчик
уличный
Рисунок 7.
Схема подключения ЭВАН UNIVERSAL -48, 54
ЕK4
ЕK3
ЕK1
ЕK2
A B C N
Датчик
температуры
KM2
1
2
3
4
L
N
L1
A B C N
РЕ
KM1
QF1
Насос
QF2
KM3
KM4
Котел
Плата
РЕЛЕ
Экранный
блок
Насос
Датчик
уличный
Рисунок 7.
Схема подключения ЭВАН UNIVERSAL -48, 54
ЕK4
ЕK3
Термовы-
ключатель
ЕK1
Датчик
температуры
ЕK2
- 13 -
Содержание
- 6 экранный блок
- 7 A B C N; Рисунок 2
- 8 Начальный вид дисплея экранного блока; Escape; Требования безопасности
- 11 Рисунок 4; Установка запорной арматуры на трубопроводе, соединяющем расши-
- 12 согласно ПУЭ и ППБ
- 20 Верхняя
- 26 Выбор языка
- 27 Техническое обслуживание
- 28 Правила хранения и транспортирования
- 29 0 Возможные неисправности и методы их устранения; Возможная; 1 Гарантии изготовителя
- 34 UNIVERSAL













