Котел Эван С1 — 5 - инструкция пользователя по применению, эксплуатации и установке на русском языке. Мы надеемся, она поможет вам решить возникшие у вас вопросы при эксплуатации техники.
Если остались вопросы, задайте их в комментариях после инструкции.
"Загружаем инструкцию", означает, что нужно подождать пока файл загрузится и можно будет его читать онлайн. Некоторые инструкции очень большие и время их появления зависит от вашей скорости интернета.

6.1.10. Äàò÷èê òåìïåðàòóðû âîçäóõà ìîíòèðóåòñÿ íà ñòåíå, â
ïîìåùåíèè, ãäå äîëæíà ïîääåðæèâàòüñÿ íåîáõîäèìàÿ òåìïåðàòóðà,
ñ ó÷åòîì ñëåäóþùåãî:
- ðàññòîÿíèå îò ïîëà äî äàò÷èêà ïðèìåðíî 1,5 ì;
- äëÿ êðåïëåíèÿ èñïîëüçîâàòü ñòåíû áåç îêîííûõ è äâåðíûõ
ïðî¸ìîâ;
- íå äîïóñêàòü âîçäåéñòâèÿ íà ïðèáîð ïðÿìûõ ñîëíå÷íûõ
ëó÷åé, à òàêæå òåïëîâûõ èçëó÷åíèé îò ëàìï íàêàëèâàíèÿ,
îòîïèòåëüíûõ è èíûõ ïðèáîðîâ;
- äàò÷èê íå äîëæåí çàãîðàæèâàòüñÿ (ìåáåëüþ, çàíàâåñêàìè è
ò. ï.).
6.2.1.  êà÷åñòâå òåïëîíîñèòåëÿ ðàçðåøàåòñÿ èñïîëüçîâàòü
âîäó,
ÑàíÏèÍ 2.1.4.1074-01
ñëè
îòñóòñòâóåò âîçìîæíîñòü çàìåðçàíèÿ âîäû â ñèñòåìå îòîïëåíèÿ)
èëè íèçêîòåìïåðàòóðíóþ (íåçàìåðçàþùóþ ïðè ìèíóñ 45 Ñ)
æèäêîñòü, èìåþùóþ òåìïåðàòóðó êèïåíèÿ íå íèæå 100 Ñ, áåç
ìåõàíè÷åñêèõ ïðèìåñåé è ñåðòèôèöèðîâàííóþ â êà÷åñòâå
òåïëîíîñèòåëÿ äëÿ äàííîãî ïðèáîðà.
6.2.2. Ïðè çàïîëíåíèè ñèñòåìû îòîïëåíèÿ íåîáõîäèìî
îáåñïå÷èòü îòñóòñòâèå â íåé íåçàïîëíåííûõ ïóñòîò.
7.1.1. Ïðîâåðüòå íàëè÷èå òåïëîíîñèòåëÿ â ñèñòåìå.
7.1.2. Ïåðåä âêëþ÷åíèåì ïðèáîðà íåîáõîäèìî ïðîâåðèòü
àâòîìàòè÷åñêèé âûêëþ÷àòåëü: åñëè îí îòêëþ÷åí - âêëþ÷èòü.
7.2.1. Ïðèáîð óïðàâëÿåòñÿ ñ ïóëüòà óïðàâëåíèÿ.
7.2.2. Óñòàíîâèòå ðó÷êó òåðìîðåãóëÿòîðà â
.
â ïîëîæåíèå I
6.2. Çàïîëíåíèå îòîïèòåëüíîé ñèñòåìû
7.
Ïîðÿäîê
ðàáîòû
7.1. Âêëþ÷åíèå ïðèáîðà.
7.2
Ïîðÿäîê
ðàáîòû.
0
0
ÑÅÒÜ
ÍÀÃÐÅÂ
ñîîòâåòñòâóþùóþ òðåáîâàíèÿì
(å
ïîëîæåíèå 30 Ñ
Ïåðåêëþ÷èòå âûêëþ÷àòåëü
Ïðè
ïîñòóïëåíèè íàïðÿæåíèÿ íà ïóëüò óïðàâëåíèÿ íà âûêëþ÷àòåëå
ïîÿâëÿåòñÿ ñâåòîâîé ñèãíàë.
Ïîâåðíèòå ðó÷êó òåðìîðåãóëÿòîðà ïî ÷àñîâîé ñòðåëêå.
Âêëþ÷èâøèéñÿ ñâåòîâîé ñèãíàë
ñèãíàëèçèðóåò î òîì,
÷òî íàïðÿæåíèå ïîñòóïàåò è íà ÒÝÍû âîäîíàãðåâàòåëÿ.
0
.
- 9 -
- 12 -
“Äàò÷èê
òåìïåðàòóðû
âîçäóõà”
“Íàñîñ”
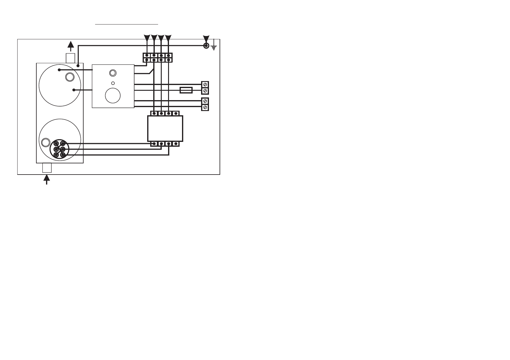
Ðèñóíîê 6. Ýëåêòðè÷åñêàÿ ñõåìà ïîäêëþ÷åíèÿ
ÏÀÍÅËÜ
ÐÅ
Áëîê ñ ÒÝÍàìè
ÝÂÀÍ-Ñ1
-12; -15
Çàæèì äëÿ
íóëåâîãî çàùèòíîãî
îäíèêà ÐÅ
ïðîâ
ÏÓÑÊÀÒÅËÜ
Ñ
N
À
Â
Ñ
Â
À
ÏÓËÜÒ
ÓÏÐÀÂËÅÍÈß
ÇÀÆÈÌ
ÊËÅÌÌÍÛÉ
1
3
5
2
4
6
Òåðìîâûêëþ÷àòåëü
ñ ñàìîâîçâðàòîì
Äàò÷èê
òåðìîðåãóëÿòîðà
ÍÀÃÐÅÂ
ÒÅÌÏÅÐÀÒÓÐÀ
ÑÅÒÜ
Ïð
7.3. Îêîí÷àíèå ðàáîòû
ÑÅÒÜ
7.3.2. Ïðè âûâîäå ïðèáîðà èç ýêñïëóàòàöèè íà äëèòåëüíîå
âðåìÿ íåîáõîäèìî îòêëþ÷èòü àâòîìàòè÷åñêèé âûêëþ÷àòåëü.
7.3.3. Âî èçáåæàíèå óñèëåííîé êîððîçèè äåòàëåé êîòëà è
îòîïèòåëüíîé ñèñòåìû ïîñëå åãî îòêëþ÷åíèÿ íå ðåêîìåíäóåòñÿ
ñëèâàòü òåïëîíîñèòåëü èç êîòëà è ñèñòåìû (åñëè íåò îïàñíîñòè
çàìåðçàíèÿ òåïëîíîñèòåëÿ â ñèñòåìå).
7.3.1 Ïî îêîí÷àíèè ðàáîòû ïåðåêëþ÷èòå âûêëþ÷àòåëü
â
ïîëîæåíèå Î
.