Котел Эван С1 — 18 - инструкция пользователя по применению, эксплуатации и установке на русском языке. Мы надеемся, она поможет вам решить возникшие у вас вопросы при эксплуатации техники.
Если остались вопросы, задайте их в комментариях после инструкции.
"Загружаем инструкцию", означает, что нужно подождать пока файл загрузится и можно будет его читать онлайн. Некоторые инструкции очень большие и время их появления зависит от вашей скорости интернета.

Òàê êàê ïðè ñðàáàòûâàíèè ïðåäîõðàíèòåëüíîãî êëàïàíà
âîçìîæåí âûáðîñ òåïëîíîñèòåëÿ èëè ïàðà ÷åðåç åãî äðåíàæíîå
îòâåðñòèå, íåîáõîäèìî ê ýòîìó îòâåðñòèþ âûïîëíèòü ñëèâ â
êàíàëèçàöèîííóþ ñèñòåìó, çàùèùàþùèé îò ýòèõ ôàêòîðîâ.
6.1.6. Íà âõîäå è âûõîäå èç ïðèáîðà â ñîîòâåòñòâèè ñ
ðèñóíêîì 2 óñòàíàâëèâàþòñÿ øàðîâûå âåíòèëè, ïðèìåíÿåìûå ïðè
äåìîíòàæå, ðåìîíòå è òåõíè÷åñêîì îáñëóæèâàíèè ïðèáîðà.
6.1.7. Äàâëåíèå îïðåññîâêè ñèñòåìû îòîïëåíèÿ ñ êîòëîì
ïîñëå ìîíòàæà - íå áîëåå 0,6 ÌÏà.
6.1.8. Ïðèáîð äîëæåí áûòü
ñìîíòèðîâàí
â
âåðòèêà ëüíîì
ïîëîæåíèè (âûõîäíîé ïàòðóáîê -
ââåðõó) íà ñòåíàõ è ñîîðóæåíèÿõ,
â õîðîøî îñâåùåííûõ ïîìåùå-
íèÿõ.
6.1.9. Ïîäêëþ÷åíèå ïðèáîðà ê
ýëåêòðè÷åñêîé ñåòè ïðîèçâîäèòñÿ
òîëüêî
÷åðåç
àâòîìàòè÷å ñêèé
âûêëþ÷àòåëü (ñì. ï. 5.3.).
Äëÿ ïîäêëþ÷åíèÿ ïðèìåíÿòü
ïðîâîä ñ ñå÷åíèåì ìåäíîé òîêî-
ïðîâîäÿùåé æèëû, óêàçàííîé â
òàáëèöå 3.
Óñòàíîâêà çàïîðíîé àðìàòóðû íà òðóáîïðîâîäå, ñîåäèíÿþùåì
ðàñøèðèòåëüíóþ åìêîñòü ñ ñèñòåìîé îòîïëåíèÿ çàïðåùàåòñÿ!
- 8 -
- 13 -
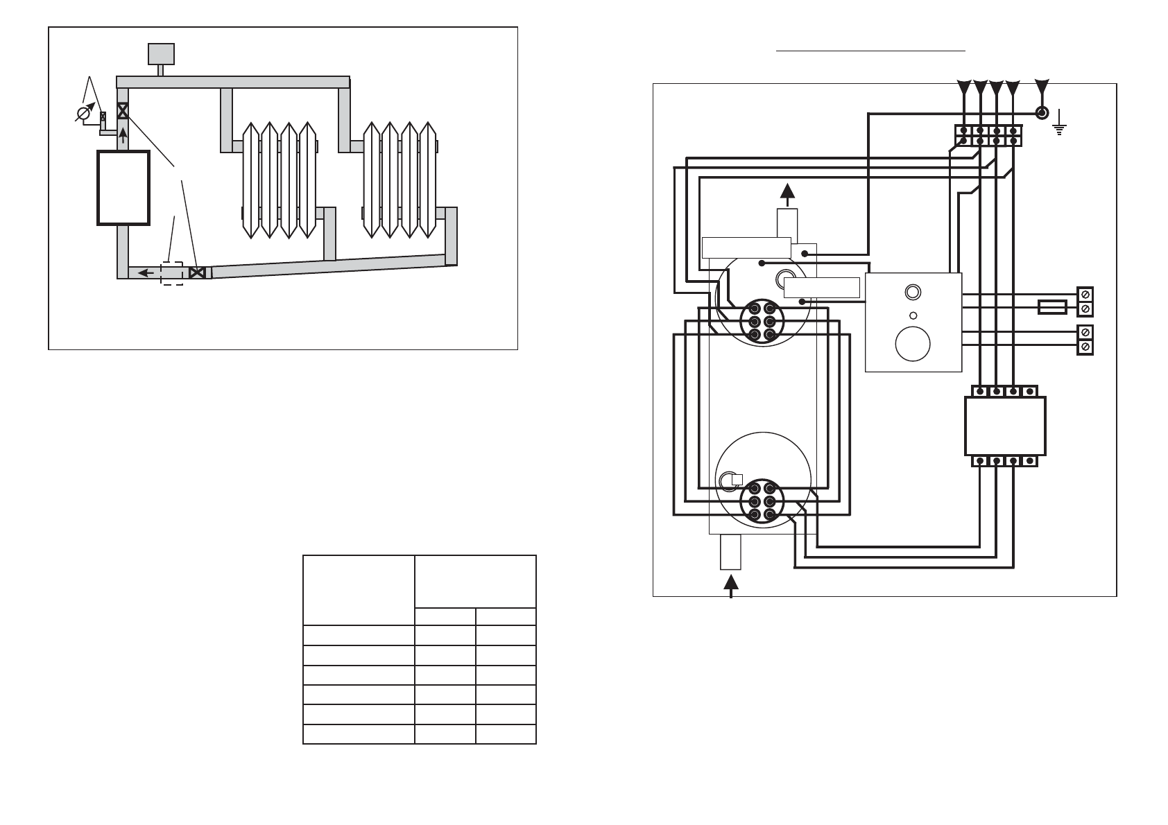
Ðèñóíîê 2 - Ïðèìåðíàÿ ñõåìà ñèñòåìû îòîïëåíèÿ
Ï - ïðèáîð; ÃÁ - ãðóïïà áåçîïàñíîñòè; ÐÅ - ðàñøèðèòåëüíàÿ
åìêîñòü; ØÂ - øàðîâûé âåíòèëü G 1 / ; ÍÖ - íàñîñ öèðêóëÿöèîííûé
1
4
ÃÁ
Ï
ØÂ
ÍÖ
ÐÅ
Íàçâàíèå
ïðèáîðà
Ñå÷åíèå æèëû,
êâ.ìì,
ïðè íàïðÿæåíèè
ñåòè
Òàáëèöà 3
ÝÂÀÍ-Ñ1
- 12; -15
ÝÂÀÍ-Ñ1
- 24; -30
ÝÂÀÍ-Ñ1
-18
2,5
4,0
6,0
10,0
380Â
220Â
ÝÂÀÍ-Ñ1
-7,5; -9
ÝÂÀÍ-Ñ1
-4; -5; -6
ÝÂÀÍ-Ñ1
-7,5; -9
4,0
6,0
ÏÀÍÅËÜ
ÐÅ
Áëîê ñ ÒÝÍàìè
Áëîê ñ ÒÝÍàìè
ÝÂÀÍ-Ñ1 -18; -24; -30
Çàæèì äëÿ
íóëåâîãî
çàùèòíîãî
îäíèêà ÐÅ
ïðîâ
Ñ
N
À
À
À
À
Â
Â
Â
Â
Ñ
Ñ
Ñ
Â
À
ÍÀÃÐÅÂ
ÒÅÌÏÅÐÀÒÓÐÀ
ÑÅÒÜ
Òåðìîâûêëþ÷àòåëü
ñ ñàìîâîçâðàòîì
ÏÓÑÊÀÒÅËÜ
ÏÓËÜÒ
ÓÏÐÀÂËÅÍÈß
ÇÀÆÈÌ
ÊËÅÌÌÍÛÉ
1
3
5
2
4
6
Äàò÷èê
òåðìîðåãóëÿòîðà
“Äàò÷èê
òåìïåðàòóðû
âîçäóõà”
“Íàñîñ”
Ðèñóíîê 7. Ýëåêòðè÷åñêàÿ ñõåìà ïîäêëþ÷åíèÿ
Ïð
Ñ