Котел Эван PRACTIC-7 - инструкция пользователя по применению, эксплуатации и установке на русском языке. Мы надеемся, она поможет вам решить возникшие у вас вопросы при эксплуатации техники.
Если остались вопросы, задайте их в комментариях после инструкции.
"Загружаем инструкцию", означает, что нужно подождать пока файл загрузится и можно будет его читать онлайн. Некоторые инструкции очень большие и время их появления зависит от вашей скорости интернета.

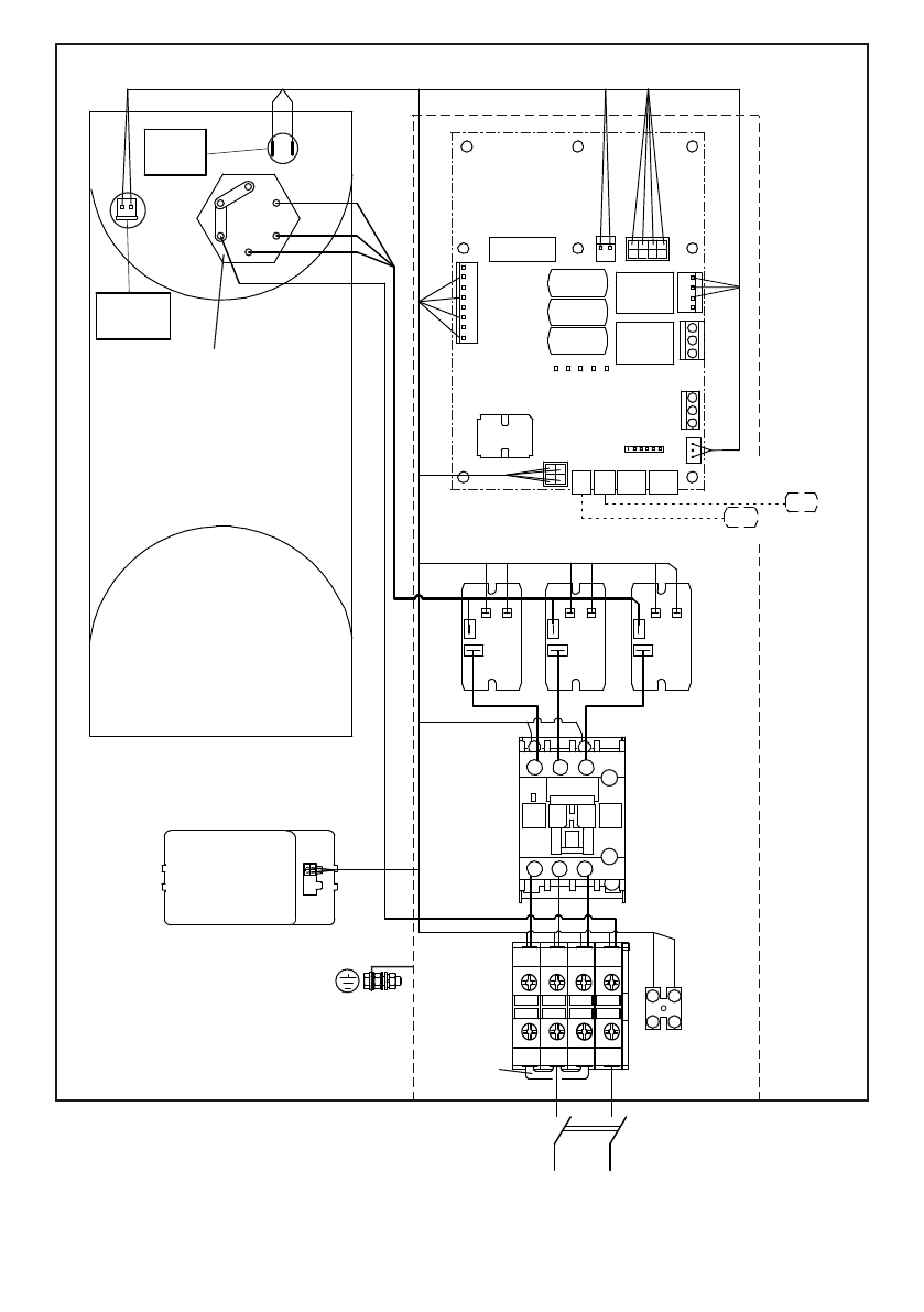
Рисунок
18
. Схема подключения ЭВАН
PRACTIC-3...-9
к сети 220В.
-
19
-
KM-102-18
SK2
SK1
4
4
1
XT1
SK2
SK1
Блоки ТЭН
Котел ЭВАН
PRACTIC
-3
...
-9
3 кВт арт. 44485
5 кВт арт. 44495
6 кВт арт. 44500
7 кВт арт. 44502
9 кВт арт. 44510
S
V
S1
X3
X1
X7
X 1
X
T4
X5
X
4
X1
XT5
X
T3
XT1
X8
K1
K2
XT2
V
S3
V
S5
V
S2
V
S4
X
2
X
6
К
3
К2
К1
Датчики температуры
Д
уличный
воздуха арт. 49270
комнатный
Контактор
электромагнитный
КМ-102-18
XT2
Íàñîñ
ЭВАН
PRACTIC
-3...-
9
Перемычка
арт. 23923
ÇÁ-Ñ-8õ30-3
Жгут управления ЭВАН
PRACTIC
-3-9
арт. 33765-1
A B
С
N
арт.3
2350
Блок управления
ЭВАН
PRACTIC
Òåðìîâû-
êëþ÷àòåëü
àðò.
49200
Òåðìîâû-
êëþ÷àòåëü
àðò.
49200
Äàò÷èê
òåìïåðàòóðû
àðò.
49175
Äàò÷èê
òåìïåðàòóðû
àðò.
49175
Плата управления
ЭВАН PRACTIC-3-28
арт. 32345
QF1
L1
N
Содержание
- 2 Общие указания; предпродажную подготовку, которая включает:; Требования безопасности; прочих компонентов системы
- 4 Комплектность; - прибор ЭВАН PRACTIC; Технические данные; IEK
- 6 Таблица 2; Устройство прибора; ЭВАН
- 8 Порядок извлечения блока управления показан на рис. 2.; Рисунок 2. Порядок извлечения блока управления.; Вид прибора со снятым кожухом в исполнениях ЭВАН; Рисунок 3. Прибор ЭВАН
- 9 Рисунок 4. Прибор ЭВАН
- 10 Рисунок 5. Подключение к разъёмам на плате.; представляют собой отсоединяемые от платы блоки винто-; разъём ХТ1; предназначен для подключения датчика комнатной температу-
- 11 MY HEAT GSM, MY HEAT SMART; разъём; EVAN AQUA; разъём ХТ5; Дисплей. Осуществляет индикацию текущих
- 12 Структура режимов дисплея блока управления.; .2 Переключение между информационными окнами о суще ствляется с; Рисунок 7; к о т е л в о з д у х; Н О РМ А
- 13 Т воды; ТЭНов; Туличн
- 14 Подготовка к работе; Монтаж и подключение
- 15 PRACTIC; Гидравлическая схема отопительной системы; Ус т а н о в ка з а п о р н о й а рм а тур ы н а т ру бо п р о вод е , со ед и н я ю щ ем
- 17 Прибор должен быть смонтирован на стенах и сооружениях, в хорошо
- 19 Блоки ТЭН; Котел ЭВАН
- 20 Рисунок
- 21 Рисунок 20. Схема подключения ЭВАН
- 25 Заполнение системы отопления.; Указания по эксплуатации
- 26 Характеристика режимов работы:; Выключен – режим работы прибора, когда отопление помещения не
- 27 Рисунок 24. Электрическое подключение комплекта ГВС; Возможности изменения режима и параметров прибора описаны в п. 7.4
- 28 МЕНЮ УСТАНОВКИ; MAX; Рисунок 26. Меню установки
- 29 Настройка режимов работы и параметров прибора.; Режим работы выбирается в 1-м пункте меню установок «1. Режим работы».; Рисунок 27. Отображение на экране режимов работы прибора.; предприятием-изготовителем значение
- 31 Для работы в режимах «ВЫХДН ДЕНЬ», «РАБОЧ ДЕНЬ» и «НЕДЕЛЬНЫЙ» необходи-; Ткомф; График Рабочий день; OK; УСТАВКА Т воды
- 32 MENU; Настройка внутренних параметров и установок.; RTC; НАСТРОЙКА; ВРЕМЯ ЧАСОВ; Январь; ВКЛ
- 33 Рисунок 32. Статистика энергопотребления.; СТАТИСТИКА; Графики температур; Просмотр статистики; СЕРВИСНОЕ МЕНЮ
- 34 режиму работы с сохранением настроек и параметров.; Рисунок 35. Пример сообщения о несоответствии.; Некоторые несоответствия допускают продолжение нагрева:
- 35 Техническое обслуживание; Безопасное и надежное функционирование прибора зависит от его
- 36 Правила хранения и транспортирования
- 37 не производятся в следующих случаях:
- 38 2 Сведения о сертификации; RU; 3 Свидетельство о приемке и продаже