Котел Эван NOVATOR-15 - инструкция пользователя по применению, эксплуатации и установке на русском языке. Мы надеемся, она поможет вам решить возникшие у вас вопросы при эксплуатации техники.
Если остались вопросы, задайте их в комментариях после инструкции.
"Загружаем инструкцию", означает, что нужно подождать пока файл загрузится и можно будет его читать онлайн. Некоторые инструкции очень большие и время их появления зависит от вашей скорости интернета.

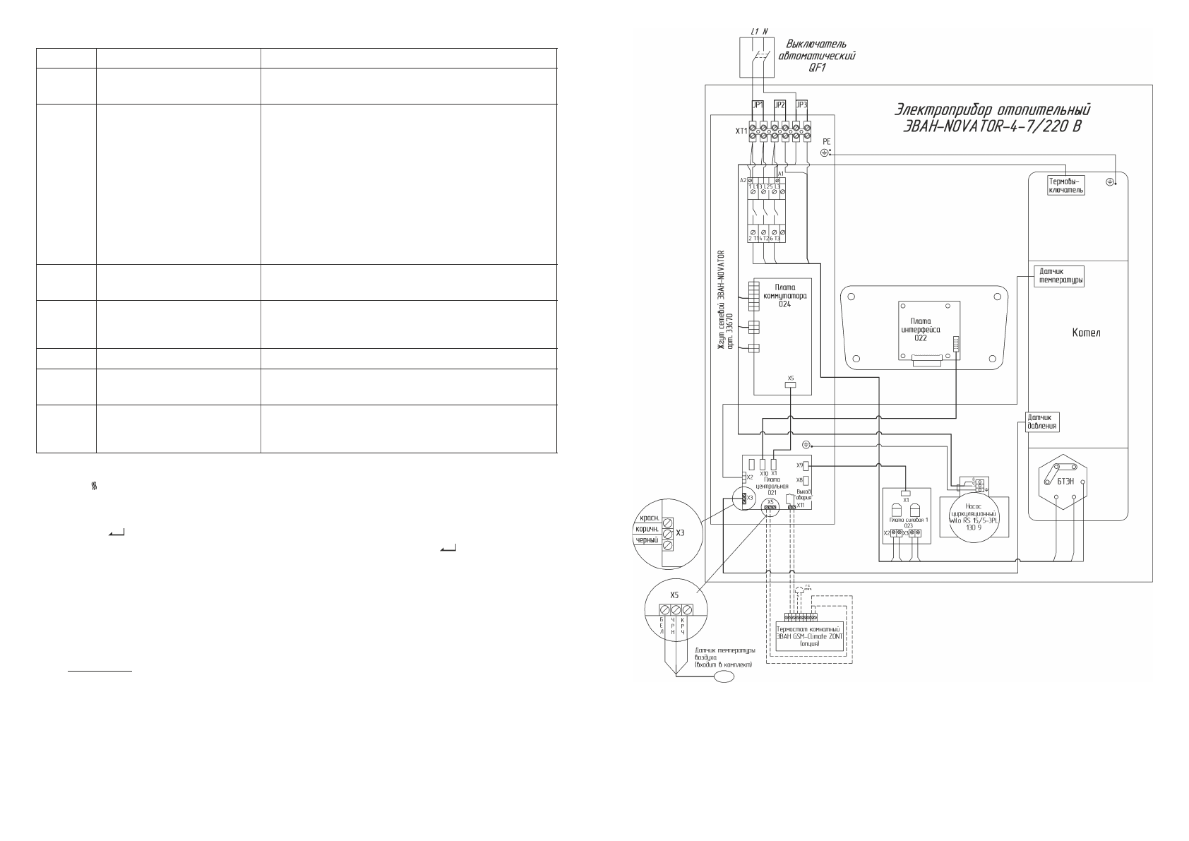
Рисунок 6 Схема подключения ЭВАН NOVATOR -4-7/ 220 В
- 11 -
Таблица 4. Значения параметров настройки сервисного меню.
7.8
Нагрев включается (после внесения изменений в настройки) нажатием
кнопки « » при этом включаются циркуляционный насос и контактор безопасности и
загорится индикатор нагрева над этой кнопкой.
Внимание: при включенном нагреве теплоносителя (индикатор над
кнопкой « » горит), вход в сервисное меню невозможен. Для использования
сервисного меню необходимо отключить нагрев, нажав кнопку «
».
7.9
Индикация значения давления в системе отопления.
Нажимая кнопки «+»/«—» выбрать отображение давления в приборе, при этом
загорится индикатор
«давление».
(Давление указывается в барах).
8 Техническое обслуживание
Внимание!
Безопасное и надежное функционирование прибора зависит от его
правильного и своевременного технического обслуживания, которое должно осуще-
ствляться исключительно организацией, имеющей право на проведение соответствую-
щиго вида работ.
8.1
Первое техническое обслуживание проводится в течении одного месяца
после окончания гарантийного срока эксплуатации. Последующие технические
обслуживания проводятся перед началом отопительного сезона, но не реже одного раза
в год.
- 18 -
Функция Наименование настройки
Значения функций
С0
Номер версии ПО.
Заводская настройка
01 – первая версия ПО. Заводская настройка
С1
Тип конструкции прибора.
Заводская настройка
01 – прибор с 1 блоком ТЭН на 220В,
мощностью 4…7 кВт. Заводская настройка.
02 – прибор с 1 блоком ТЭН на 380В,
мощностью 4…7 кВт. При подключении к сети
380В, необходимо войти в сервисное меню и
поменять значение функции!
03 – прибор с 2 блоками ТЭН на 380В,
мощностью 9…21 кВт. Заводская настройка.
04 – прибор с 2 блоками ТЭН на 380В,
мощностью 24, 28 кВт. Заводская настройка.
С2
Выбор режима работы
00 – режим «Отопление». Заводская настройка.
01 – режим «Комнатный».
С3-С6
Значения параметров
алгоритма работы
системы управления
Для целенаправленной коррекции следует
освоить теорию ПИД регулирования и
обратиться к разработчикам
С7
Зарезервировано
С8
Возврат к заводским
настройкам
00 – потребительские настройки.
01 – возврат к заводским настройкам
С9
Блокировка всех аварий.
Привилегия специалистов
сервисного центра
00 – все аварийные ситуации подключены.
01 – блокировка всех аварий. (за исключением
аварийного срабатывания термовыключателя)