Котел Эван ЭПО- 9,45 Стандарт-Эконом 380В 14036+15340 Пульт ЭПО М1 7,45 - инструкция пользователя по применению, эксплуатации и установке на русском языке. Мы надеемся, она поможет вам решить возникшие у вас вопросы при эксплуатации техники.
Если остались вопросы, задайте их в комментариях после инструкции.
"Загружаем инструкцию", означает, что нужно подождать пока файл загрузится и можно будет его читать онлайн. Некоторые инструкции очень большие и время их появления зависит от вашей скорости интернета.

- 10 -
- 15 -
6.1.7 Äàâëåíèå îïðåññîâêè ñèñòåìû îòîïëåíèÿ ñ êîòëîì ïîñëå
ìîíòàæà - íå áîëåå 0,6 ÌÏà.
6.1.8 Êîò¸ë äîëæåí áûòü ñìîíòèðîâàí â âåðòèêàëüíîì ïîëîæåíèè
(çàùèòíûé êîæóõ - ââåðõó). Ïóëüò óïðàâëåíèÿ ìîíòèðóåòñÿ âåðòèêàëüíî
íà âûñîòå 1,4 - 1,7 ì îò ïîëà, íà ñòåíàõ è ñîîðóæåíèÿõ, â õîðîøî
îñâåùåííûõ ïîìåùåíèÿõ.
6.1.9 Ïîäêëþ÷åíèå
ïóëüòà
óïðàâëåíèÿ
ê
ýëåêòðè÷åñêîé
ñåòè
ïðîèçâîäèòñÿ
â
ñîîòâåòñòâèè
ñ
ÏÓÝ
è
ÏÏÁ
è
òîëüêî
÷åðåç
àâòîìàòè÷åñêèé âûêëþ÷àòåëü (ñì. ï. 5.3.).
Ñå÷åíèå ìåäíîé òîêîïðîâîäÿùåé æèëû êàáåëÿ èëè ïðîâîäîâ,
ïðèìåíÿåìûõ äëÿ ïîäêëþ÷åíèÿ, âûáèðàåòñÿ â ñîîòâåòñòâèè ñ òàáëèöåé 3.
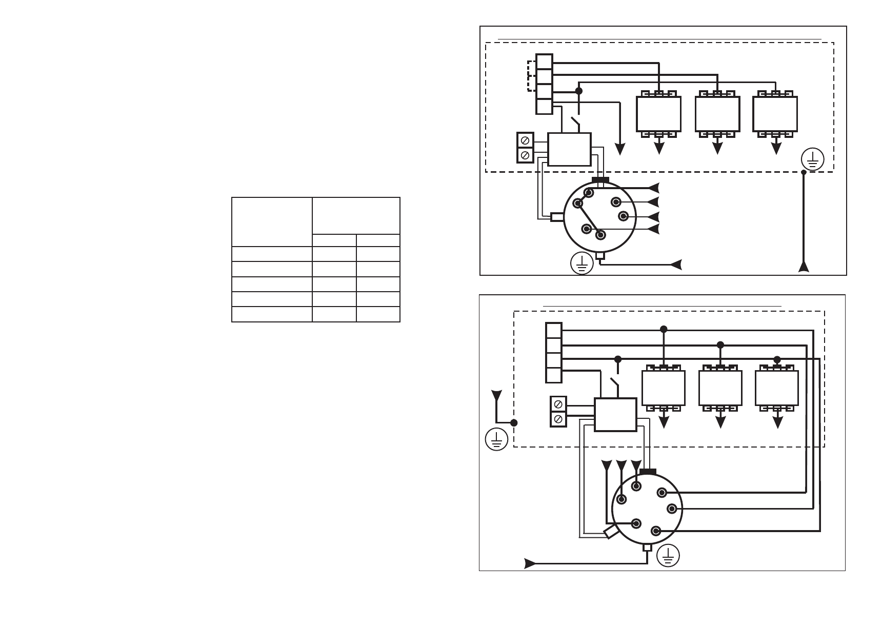
6.1.10 Ïðèáîðû ÝÏÎ-7,5; -9,45 c ïóëüòîì óïðàâëåíèÿ ÏÓ ÝÏÎ-Ì1
ðåêîìåíäóåòñÿ ïîäêëþ÷àòü ê ýëåêòðè÷åñêîé ñåòè íàïðÿæåíèåì 380Â.
Åñëè
ýòî
íåâîçìîæíî,
îäíîñòóïåí÷àòûå
ïóëüòû
ïîäêëþ÷àþò
â
ñ î îò â å ò ñ ò â è è
ñ
ð è ñó í êîì
7 ,
à
òðåõñòóïåí÷àòûå - â ñîîòâåòñòâèè ñ
ð è ñ ó í ê î ì
1 0 ,
ï ð å ä â à ð è ò å ë ü í î
óñò àíîâèâ
ïåðåìû÷êè,
óêàçàííûå
ïóíêòèðîì.
6.1.11 Ï îä ê ë þ÷ å í è å
ê î òë à
ê
ïóëüòó
óïðàâëåíèÿ
îñóùåñòâëÿåòñÿ
ñîãëàñíî ÏÓÝ è ÏÏÁ â ñîîòâåòñòâèè
ñ
ð è ñ ó í ê à ì è
6 - 1 1
ñ
ó ÷ å ò î ì
ñëåäóþùåãî:
- ïðè ïîäòÿãèâàíèè êîíòàêòíûõ
ãàåê
íà
ÒÝÍàõ
íå
äîïóñêàåòñÿ
ïðîâåðòûâàíèå êîíòàêòíûõ ñòåðæíåé
â êîðïóñå ÒÝÍîâ;
- êîíòàêòû øíóðîâ äàò÷èêà òåðìîðåãóëÿòîðà è òåìïåðàòóðíîãî
ðåëå îñòîðîæíî, áåç áîëüøèõ óñèëèé, âñòàâëÿþòñÿ â ãíåçäà çàæèìîâ äî
óïîðà (ïðè ýòîì êîíòàêòû øíóðîâ íàäåâàþòñÿ ñîîòâåòñòâåííî íà
êîíòàêòû äàò÷èêà è ðåëå è íå äîëæíû âûñòóïàòü èç ãíåçä).
6.1.12 Ïðè ïîäêëþ÷åíèèè êîòëîâ ÝÏÎ-12, 15, 18, 24, 30 ê
òðåõñòóïåí÷àòîìó ïóëüòó óïðàâëåíèÿ, íåîáõîäèìî
- äåìîíòèðîâàòü ïåðåìû÷êè ÒÝÍîâ,
- óñòàíîâèòü
íà
ñâîáîäíûå
øïèëüêè
ÒÝÍîâ
êîíòàêòû
èç
êîìïëåêòà ïóëüòà.
6.2
Çàïîëíåíèå
îòîïèòåëüíîé
ñèñòåìû
6.2.1
 êà÷åñòâå òåïëîíîñèòåëÿ ðàçðåøàåòñÿ èñïîëüçîâàòü âîäó,
è ë è
0
íèçêîòåìïåðàòóðíóþ
(íåçàìåðçàþùóþ
ïðè
ìèíóñ
45
Ñ)
æèäêîñòü,
0
èìåþùóþ òåìïåðàòóðó êèïåíèÿ íå íèæå 100
Ñ, áåç ìåõàíè÷åñêèõ
ïðèìåñåé è ñåðòèôèöèðîâàííóþ â êà÷åñòâå òåïëîíîñèòåëÿ äëÿ ñèñòåì
îòîïëåíèÿ.
6.2.2
Ïðè çàïîëíåíèè ñèñòåìû îòîïëåíèÿ íåîáõîäèìî îáåñïå÷èòü
îòñóòñòâèå â íåé íåçàïîëíåííûõ ïóñòîò.
ñ î î ò â å ò ñ ò â ó þ ù ó þ
ò ð å á î â à í è ÿ ì
Ñ à í Ï è Í
2 . 1 . 4 . 1 0 7 4 - 0 1 ,
ÝÏÎ-18
6,0
-
ÝÏÎ-12;-15
6,0
2,5
4,0
-
ÝÏÎ-7,5;-9,45
4,0
Íàçâàíèå
ïðèáîðà
220 Â
Ñå÷åíèå æèëû,
êâ. ìì
ïðè íàïðÿæåíèè
â ñåòè
Òàáëèöà 3
380 Â
ÝÏÎ-4;-6
10,0
-
-
ÝÏÎ-24;-30
ÝÏÎ-7,5;-9,45;-12;-15;-18 (òðåõñòóïåí÷àòûé ïóëüò)
“
Ä
àò
÷
è
ê
ò
å
ì
ï
å
-
ð
àò
ó
ð
û
â
î
çä
ó
õ
à
”
Ç
à
æ
è
ì
û
ä
ë
ÿ
ñ
å
ò
è
Äàò÷èê
òåðìî-
ðåãóëÿòîðà
À
Â
Ñ
N
Ðèñóíîê 1
0
. Ýëåêòðè÷åñêàÿ ñõåìà ïîäêëþ÷åíèÿ
ÏËÀÒÀ
ÓÏÐÀÂ-
ËÅÍÈß
Ê
è
ðû
ì
à
ø
Í
êà
Ý
ñ Ò
Òåìïåðàòóðíîå ðåëå
ÏÓËÜÒ ÓÏÐÀÂËÅÍÈß
ÊÎÒ¨Ë
N
íà ÒÝÍû ýëåêòðîïðèáîðà
À
ÏÓÑÊÀÒÅËÜ
À
Â
Ñ
N
1 3 5
2 4 6
ñ
ï
óë
üò
à
ó
ï
ð
àâ
ë
åí
è
ÿ
ÐÅ
Â
ÏÓÑÊÀÒÅËÜ
1 3 5
2 4 6
ÐÅ
Ñ
ÏÓÑÊÀÒÅËÜ
1 3 5
2 4 6
Ñ
ÏÓÑÊÀÒÅËÜ
ÝÏÎ-24;-30 (òðåõñòóïåí÷àòûé ïóëüò)
1 3 5
2 4 6
íà ÒÝÍû ýëåêòðîïðèáîðà
ÏÓËÜÒ ÓÏÐÀÂËÅÍÈß
Â
ÏÓÑÊÀÒÅËÜ
1 3 5
2 4 6
Òåìïåðàòóðíîå
ðåëå
ÊÎÒ¨Ë
À
ÏÓÑÊÀÒÅËÜ
1 3 5
2 4 6
Ê
ð
û
ø
êà
ñ
Ò
Ý
Í
àì
è
ñ ïóëüòà
óïðàâëåíèÿ
Ñ
ÏËÀÒÀ
ÓÏÐÀÂ-
ËÅÍÈß
À
Â
À
Â
Ñ
N
“
Ä
à
ò
÷
è
ê
ò
å
ì
ï
å
-
ð
à
ò
ó
ð
û
â
î
çä
ó
õ
à
”
Ç
à
æ
è
ì
û
ä
ë
ÿ
ñ
å
ò
è
ÐÅ
Äàò÷èê
òåðìîðåãóëÿòîðà
ÐÅ
Ðèñóíîê 1
1
. Ýëåêòðè÷åñêàÿ ñõåìà ïîäêëþ÷åíèÿ