Котел Эван ЭПО-18 - инструкция пользователя по применению, эксплуатации и установке на русском языке. Мы надеемся, она поможет вам решить возникшие у вас вопросы при эксплуатации техники.
Если остались вопросы, задайте их в комментариях после инструкции.
"Загружаем инструкцию", означает, что нужно подождать пока файл загрузится и можно будет его читать онлайн. Некоторые инструкции очень большие и время их появления зависит от вашей скорости интернета.

5.11. Íå äîïóñêàéòå ñêàïëèâàíèÿ ïûëè èëè ãðÿçè íà
ïðèáîðå è ïîïàäàíèå íà íåãî âîäû è ãðÿçè.
Åñëè âîäà èëè ãðÿçü ïîïàëà íà ïðèáîð, åãî íåîáõîäèìî îò-
êëþ÷èòü îò
ñåòè àâòîìàòè÷åñêèì âûêëþ÷àòåëåì,
âîäó (ãðÿçü) ñîáðàòü ìÿãêîé ñàëôåòêîé, óâëàæíåííîé
ïîâåðõíîñòè äàòü âûñîõíóòü.
5.12. Â ïðîöåññå ýêñïëóàòàöèè ïðèáîðà íåîáõîäèìî ñëåäèòü
çà íàëè÷èåì òåïëîíîñèòåëÿ â ðàñøèðèòåëüíîé åìêîñòè
îòîïèòåëüíîé ñèñòåìû.
5.13.
à)
á) å
.
â)
Ïðè íàëè÷èè ïðèçíàêîâ óõóäøåíèÿ êà÷åñòâà
çàíóëåíèÿ (ïîùèïûâàíèå ïðè êàñàíèè ê ìåòàëëè÷åñêèì ÷àñòÿì
ïðèáîðà, òðóáàì ñèñòåìû îòîïëåíèÿ), ïîÿâëåíèè èñêð,
îòêðûòîãî ïëàìåíè è äûìà èç ïðèáîðà, åñëè ïðèáîð ñèëüíî
ãóäèò (äðåáåçæèò), äðóãèõ íåèñïðàâíîñòåé èëè îòêëîíåíèé îò
íîðìàëüíîé ðàáîòû, íåîáõîäèìî:
íåìåäëåííî îòêëþ÷èòü ïðèáîð îò
ñåòè
àâòîìàòè÷åñêèì âûêëþ÷àòåëåì;
ñëè ïðè ýòîì ñóùåñòâóåò âîçìîæíîñòü çàìåðçàíèÿ
òåïëîíîñèòåëÿ â ñèñòåìå îòîïëåíèÿ, òî åãî íåîáõîäèìî ñëèòü
âûçâàòü ñïåöèàëèñòà èç ãàðàíòèéíîé ìàñòåðñêîé
îðãàíèçàöèè, èìåþùåé çàðåãåñòðèðîâàííóþ â ãîñóäàðñòâåííûõ
îðãàíàõ ëèöåíçèþ íà ïðîèçâîäñòâî äàííûõ ðàáîò è äîãîâîð ñ
èçãîòîâèòåëåì.
Âíèìàíèå!
ýëåêòðè÷åñêîé
ýëåêòðè÷åñêîé
èëè
- 9 -
- 16 -
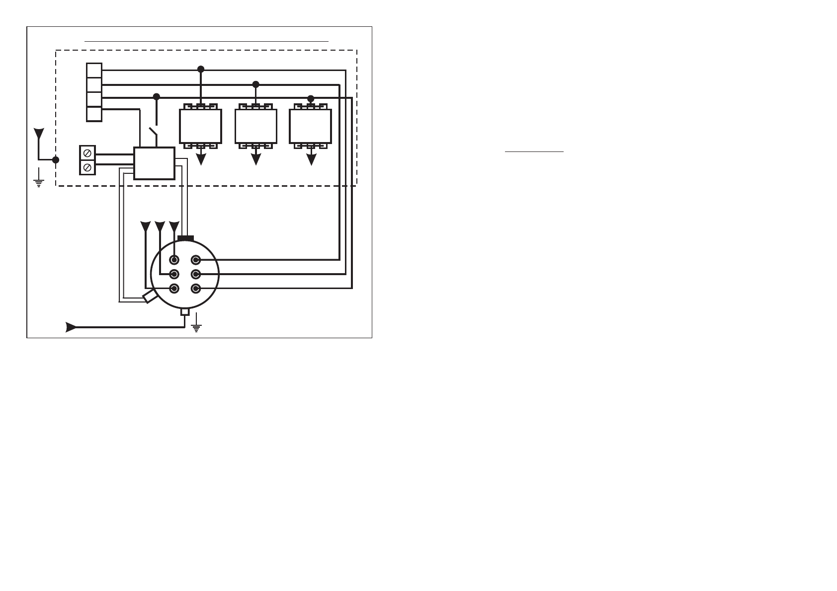
ÏËÀÒÀ
ÓÏÐÀÂ-
ËÅÍÈß
íà ÒÝÍû ýëåêòðîïðèáîðà
Çàæèìû
äëÿ
ñåòè
Òåìïåðàòóðíîå
ðåëå
Äàò÷èê
òåðìîðåãóëÿòîðà
ÏÓËÜÒ ÓÏÐÀÂËÅÍÈß
ÐÅ
Â
Ñ
À
À
Â
Ñ
N
ÏÓÑÊÀÒÅËÜ
ÏÓÑÊÀÒÅËÜ
ÏÓÑÊÀÒÅËÜ
Ðèñóíîê 9 - Ýëåêòðè÷åñêàÿ ñõåìà ïîäêëþ÷åíèÿ
Êðûøê
à
ñ
ÒÝÍàìè
ñ ïóëüòà
óïðàâëåíèÿ
ÊÎÒ¨Ë
À Â Ñ
ÝÏÎ-24;-30-1 (òðåõñòóïåí÷àòûé ïóëüò)
1 3 5
2 4 6
1 3 5
2 4 6
1 3 5
2 4 6
“Ðàç
úåì
Õ1”
(ä
àò÷èê
òåìïå-
ðà
òóðû
âî
çäóõ
à)
ÐÅ
íàïðÿæåíèå ïîñòóïàåò è íà ÒÝÍû ïðèáîðà. Åñëè òåìïåðàòóðà
òåïëîíîñèòåëÿ â êîòëå âûøå 30 ãðàäóñîâ, òî
íàïðÿæåíèå íà ÒÝÍû
ïîñòóïàòü íå áóäåò è ñâåòîâîé ñèãíàë “ÒÝÍ” íå çàãîðèòñÿ.
7.2.4. Âûáîð æåëàåìîãî òåìïåðàòóðíîãî ðåæèìà òåïëîíîñèòåëÿ
î ñó ù å ñ ò âë ÿ å ò ñ ÿ
ï ë à â í î é
ð å ã óë è ð îâ êî é
ðó ÷ êî é
ò å ðìî ð å ã óë ÿ òî ð à
“ÒÅÌÏÅÐÀÒÓÐÀ”.
7.2.5. Ïðè ïîäêëþ÷åíèè ê ïóëüòó óïðàâëåíèÿ (ê êëåììíîé êîëîäêå
“ÐÀÇÚÅÌ Õ1”) âîçäóøíîãî äàò÷èêà òåìïåðàòóðû ñõåìà óïðàâëåíèÿ
àâòîìàòè÷åñêè ïåðåêëþ÷èòñÿ íà ñîâìåñòíóþ ðàáîòó ñ ýòèì äàò÷èêîì.
Óñòàíîâèòå ðåãóëÿòîð âîçäóøíîãî
äàò÷èêà íà îòìåòêó íåîáõîäèìîé
äëÿ ïîääåðæàíèÿ â ïîìåùåíèè
òåìïåðàòóðû. Ðó÷êó ðåãóëÿòîðà òåìïåðàòóðû òåïëîíîñèòåëÿ íà ïóëüòå
óïðàâëåíèÿ ïðèáîðà ÝÏÎ âûâåäèòå íà îòìåòêó ìàêñèìàëüíîé òåìïåðàòóðû.
Äàëåå âêëþ÷åíèå è îòêëþ÷åíèå ïðèáîðà äëÿ ïîääåðæàíèÿ çàäàííîé
òåìïåðàòóðû áóäåò ïðîèñõîäèòü àâòîìàòè÷åñêè.
7.2.6. Äîïóñêàåòñÿ íåáîëüøîé øóì ïðè ðàáîòå ïóëüòà óïðàâëåíèÿ.
Ïðè
âûáîðå äàò÷èêà ñëåäóåò ïîìíèòü, ÷òî ïðè çàìûêàíèè êîíòàêòà äàò÷èêà
îòîïèòåëüíûé ïðèáîð îòêëþ÷àåòñÿ.