Котел Эван ЭПО-12 - инструкция пользователя по применению, эксплуатации и установке на русском языке. Мы надеемся, она поможет вам решить возникшие у вас вопросы при эксплуатации техники.
Если остались вопросы, задайте их в комментариях после инструкции.
"Загружаем инструкцию", означает, что нужно подождать пока файл загрузится и можно будет его читать онлайн. Некоторые инструкции очень большие и время их появления зависит от вашей скорости интернета.

- 13 -
- 12 -
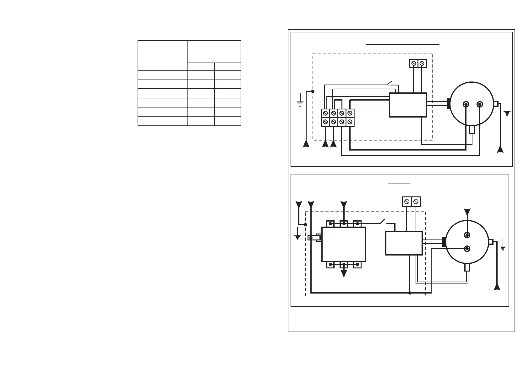
Ñå÷åíèå ìåäíîé òîêîïðîâîäÿùåé æèëû êàáåëÿ èëè ïðîâîäîâ,
ïðèìåíÿåìûõ äëÿ ïîäêëþ÷åíèÿ, âûáèðàåòñÿ â ñîîòâåòñòâèè ñ
òàáëèöåé 3.
6.1.10. Ïðèáîðû ÝÏÎ-7,5; -9,45
ðåêîìåíäóåòñÿ ïîäêëþ÷àòü ê ýëå-
êòðè÷åñêîé ñåòè íàïðÿæåíèåì 380Â.
Åñëè ýòî íåâîçìîæíî, îäíîñòó-
ïåí÷àòûå ïóëüòû ïîäêëþ÷àþò â
ñîîòâåòñòâèè ñ ðèñóíêîì 5, à òðåõ-
ñòóïåí÷àòûå - â ñîîòâåòñòâèè ñ
ð è ñ ó í ê î ì
7 ,
ï ð å ä â à ð è ò å ë ü í î
óñòàíîâèâ ïåðåìû÷êè, óêàçàííûå
ïóíêòèðîì.
6.1.11. Ïîäêëþ÷åíèå êîòëà ê
ïóëüòó óïðàâëåíèÿ îñóùåñòâëÿåòñÿ
ñîãëàñíî ÏÓÝ è ÏÏÁ â
ñîîò-
âåòñòâèè ñ ðèñóíêàìè 5, 6, 7, 8, 9 ñ ó÷åòîì ñëåäóþùåãî:
- ïðè ïîäòÿãèâàíèè êîíòàêòíûõ ãàåê íà ÒÝÍàõ íå äîïóñêàåòñÿ
ïðîâåðòûâàíèå êîíòàêòíûõ ñòåðæíåé â êîðïóñå ÒÝÍîâ;
- êîíòàêòû øíóðîâ äàò÷èêà òåðìîðåãóëÿòîðà è òåìïåðàòóðíîãî
ðåëå îñòîðîæíî, áåç áîëüøèõ óñèëèé, âñòàâëÿþòñÿ â ãíåçäà çàæèìîâ
äî óïîðà (ïðè ýòîì êîíòàêòû øíóðîâ íàäåâàþòñÿ ñîîòâåòñòâåííî íà
êîíòàêòû äàò÷èêà è ðåëå è íå äîëæíû âûñòóïàòü èç ãíåçä).
6.2.1.  êà÷åñòâå òåïëîíîñèòåëÿ ðàçðåøàåòñÿ èñïîëüçîâàòü âîäó
è ë è
íèçêîòåìïåðàòóðíóþ
(íåçàìåð çàþùóþ)
æèäêîñòü,
èìåþùóþ
òåìïåðàòóðó êèïåíèÿ íå íèæå 100 Ñ, áåç ìåõàíè÷åñêèõ ïðèìåñåé è
ñåðòèôèöèðîâàííóþ â êà÷åñòâå òåïëîíîñèòåëÿ äëÿ äàííîãî ïðèáîðà.
6.2.2. Ïðè çàïîëíåíèè ñèñòåìû îòîïëåíèÿ íåîáõîäèìî îáåñïå÷èòü
îòñóòñòâèå â íåé íåçàïîëíåííûõ ïóñòîò.
6.2.
Çàïîëíåíèå
îòîïèòåëüíîé
ñèñòåìû
0
ñ î îò â å ò ñ ò âó þ ù ó þ
ò ð å áîâ à í è ÿ ì
Ñ à í Ï è Í
2 . 1 . 4 . 1 0 7 4 - 0 1
ÝÏÎ-18
6,0
-
ÝÏÎ-12;-15
6,0
2,5
4,0
-
ÝÏÎ-7,5;-9,45
-
4,0
Íàçâàíèå
ïðèáîðà
220 Â
Ñå÷åíèå æèëû,
êâ. ìì
ïðè íàïðÿæåíèè
â ñåòè
Òàáëèöà 3
380 Â
ÝÏÎ-4;-5; -6
2,5
10,0
-
-
ÝÏÎ-3,15
ÝÏÎ-24;-30-1
Òåìïåðà-
òóðíîå
ðåëå
ÏËÀÒÀ
ÓÏÐÀÂËÅÍÈß
ÏÓËÜÒ
ÓÏÐÀÂËÅÍÈß
Âûêëþ÷àòåëü
Êðûøêà ñ ÒÝÍîì
ÊÎÒ¨Ë
Äàò÷èê
òåðìî-
ðåãóëÿòîðà
ÝÏÎ-3,15;-4;-5;-6
“Ðàçúåì Õ1”( äàò÷èê
òåìïåðàòóðû âîçäóõà)
N N À
1
ÐÅ
Ñåòü
ÐÅ
À
Ðèñóíîê 5 - Ýëåêòðè÷åñêèå ñõåìû ïîäêëþ÷åíèÿ
ÝÏÎ-6
Òåìïåðà-
òóðíîå
ðåëå
ÏÓÑÊÀÒÅËÜ
ÏËÀÒÀ
ÓÏÐÀÂËÅÍÈß
ÏÓËÜÒ
ÓÏÐÀÂËÅÍÈß
Ýëåêòðîñåòü
N
1
Âûêëþ÷àòåëü
íà ÒÝÍû ýëåêòîïðèáîðà
ÔÀÇÀ
Êðûøêà ñ ÒÝÍàìè
ñ ïóëüòà óïðàâëåíèÿ
ÔÀÇÀ
ÊÎÒ¨Ë
ÔÀÇÀ
5
3
2
4
6
Äàò÷èê
òåðìî-
ðåãóëÿòîðà
“Ðàçúåì Õ1”
( äàò÷èê òåìïå-
ðàòóðû âîçäóõà)
ÐÅ
ÐÅ