Котел Элемент Комфорта Комфорт 16 120160 - инструкция пользователя по применению, эксплуатации и установке на русском языке. Мы надеемся, она поможет вам решить возникшие у вас вопросы при эксплуатации техники.
Если остались вопросы, задайте их в комментариях после инструкции.
"Загружаем инструкцию", означает, что нужно подождать пока файл загрузится и можно будет его читать онлайн. Некоторые инструкции очень большие и время их появления зависит от вашей скорости интернета.

18
ЭК В. 1.00
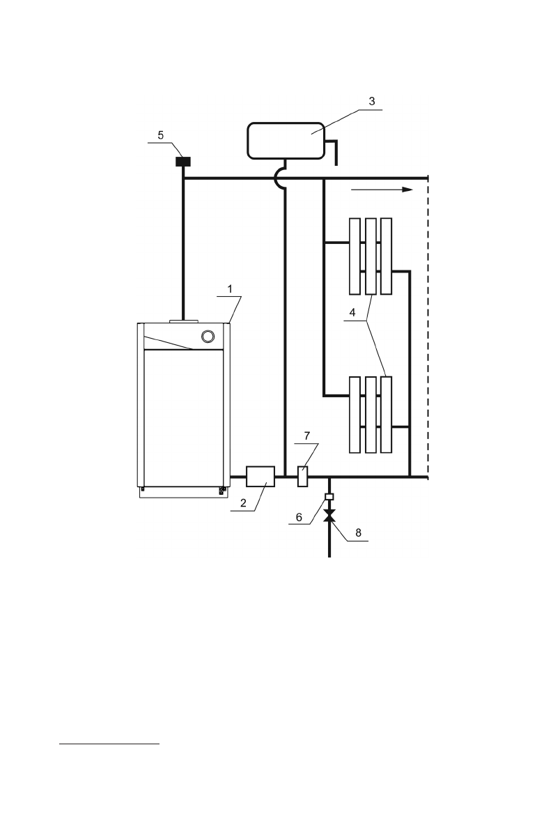
ПРИМЕРНАЯ СХЕМА МОНТАЖА СИСТЕМЫ ОТОПЛЕНИЯ *
* Данная схема является примерной. Проект системы отопления должен разрабатываться специализи-
рованной организацией.
1. Котел.
2. Циркуляционный насос.
3. Расширительный бак.
4. Радиаторы отопления.
5. Автоматический сбросник воздуха.
6. Сбросной предохранительный клапан на 1,5 атм.
7. Шлакоотделитель.
8. Кран для заполнения и слива системы отопления.
Рис 6.
Содержание
- 3 СОДЕРЖАНИЕ
- 7 ТРЕБОВАНИЯ БЕЗОПАСНОСТИ; эксплуатировать котел с неисправной газовой автоматикой
- 8 НИКОГДА; НЕ ПРОИЗВОДИТЕ САМОСТОЯТЕЛЬНЫХ МАНИПУЛЯЦИЙ С ДАТЧИКОМ ТЯГИ!; тяги зажигать газогорелочное устройство запрещается.; ПОРЯДОК РАБОТЫ; ) и только затем начинайте
- 9 ВНИМАНИЕ! Убедитесь что ручка управления находится в позиции; и поворота в нужное положение.
- 10 УКАЗАНИЯ ПО МОНТАЖУ, ТЕХНИЧЕСКОЕ ОБСЛУЖИВАНИЕ
- 12 ГАРАНТИЙНЫЕ ОБЯЗАТЕЛЬСТВА
- 13 Рис 1. Котел «Элемент Комфорта» с автоматикой 710 MINISIT
- 14 зиции «Выключено» и «Розжиг».; Рис 2. Котел «Элемент Комфорта» с автоматикой 630 EUROSIT
- 15 Рис 3. Котел «Элемент Комфорта» с автоматикой 820 NOVA
- 16 ПРИМЕРНЫЕ СХЕМЫ МОНТАЖА СИСТЕМЫ ОТОПЛЕНИЯ *
- 18 ПРИМЕРНАЯ СХЕМА МОНТАЖА СИСТЕМЫ ОТОПЛЕНИЯ *
- 20 ВОЗМОЖНЫЕ НЕИСПРАВНОСТИ И МЕТОДЫ ИХ УСТРАНЕНИЯ; Наименование
- 22 КОНТРОЛЬНЫЕ ТАЛОНЫ; КОНТРОЛЬНЫЙ ТАЛОН НА МОНТА Ж; СВЕДЕНИЯ ОБ УТИЛИЗАЦИИ
- 23 ГАРАНТИЙНЫЙ ТАЛОН No1