Котел Electrolux FSB 35 P - инструкция пользователя по применению, эксплуатации и установке на русском языке. Мы надеемся, она поможет вам решить возникшие у вас вопросы при эксплуатации техники.
Если остались вопросы, задайте их в комментариях после инструкции.
"Загружаем инструкцию", означает, что нужно подождать пока файл загрузится и можно будет его читать онлайн. Некоторые инструкции очень большие и время их появления зависит от вашей скорости интернета.

газовые котлы
17
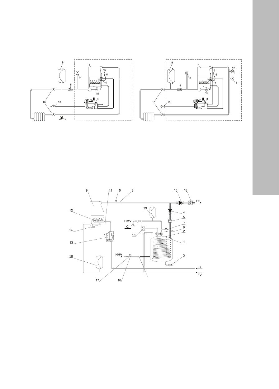
Принципиальные схемы работы
1
Теплообменник
2
Основная горелка
3
Газовый
клапан
4
Запальник
5
Аварийный термостат отопления
6
Электрод
розжига
7
Обратный
клапан
8
Циркуляционный
насос
9
Закрытый расширительный бак
10
Газовый кран
11
Заправочный кран
12
Предохранительный клапан на 3 бар
13
Автоматический воздухоотводчик
14
Манометр
15
Сливной кран
16
Основной кран
Рекомендованная схема подключения
котла с бойлером косвенного нагрева
ÉÍËÀÇÌÇÏÍÁ¿ÌÌÚÈÎÏÄÃÍÔÏ¿ÌÇÑÄÊÛÌÚÈ
ÉÊ¿Î¿Ì À¿Ï
FSB_Mi
FSB_Mpi
1
Бойлер
2
Магниевый
стержень
3
Сливной
кран
4
Заправочный
насос
5
Возвратный
клапан
6
Сброс
воздуха
7
Специальный
заправочно-дозировочный
вентиль
8
Аварийный
клапан
9
Теплообменник
10
Закрытый расширительный бак
11
Газовая
арматура
12
Газовая
горелка
13
Комбинированный газовый вентиль
14
Сливной кран отопления
15
Отопительный циркуляционный насос
16
Манометр
17
Редуктор холодной воды
18
Обратный
клапан
19
Расширительный бак для
потребительской воды
20
Комбинированный аварийный клапан на 6
бар
FE
Подача
отопления
FV
Возврат отопления
G
Газопровод
Содержание
- 3 газовые котлы; Внутренняя структура котла; Идентификация котла
- 4 Циркуляционные насосы; чтобы получить доступ к оси ротора
- 5 Технические характеристики
- 7 Панель управления
- 8 Заполнение системы отопления; Требования к воде, используемой в качестве
- 9 Слив отопительной системы; Включение котла и его работа; Проверка котла перед первым включением
- 11 Активация режима приготовления ГВС
- 12 Выключение котла на долгое время; Техническое обслуживание
- 15 Монтаж котла; Распаковка
- 16 – подача отопления 1”
- 17 Принципиальные схемы работы; FE
- 19 Программирование котла; Заводские и эксплуатационные установки; Параметр; Изменение значения параметра
- 20 Переход на другой тип газа
- 22 – труба 80 мм
- 24 Га ран тий ный та лон
- 25 ТАЛОН НА ГАРАНТИЙНОЕ ОБСЛУЖИВАНИЕ/












