Котел De Dietrich MSL 31 MI FF - инструкция пользователя по применению, эксплуатации и установке на русском языке. Мы надеемся, она поможет вам решить возникшие у вас вопросы при эксплуатации техники.
Если остались вопросы, задайте их в комментариях после инструкции.
"Загружаем инструкцию", означает, что нужно подождать пока файл загрузится и можно будет его читать онлайн. Некоторые инструкции очень большие и время их появления зависит от вашей скорости интернета.

86
7221813.02 - ru
ИНСТРУКЦИЯ ДЛЯ УСТАНОВЩИКА
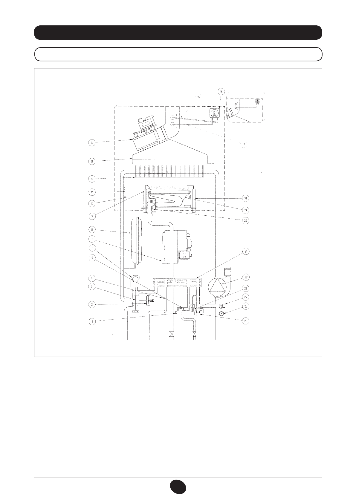
31. СХЕМА КОТЛА
Обозначения:
1 датчик приоритета контура ГВС
2 гидравлический прессостат
3 трехходовой клапан
4 датчик температуры (тип NTC) контура ГВС
5 датчик протока с фильтром
6 мотор трехходового клапана
7 газовый клапан
8 расширительный бак
9 электрод зажигания
10 датчик температуры (тип NTC) контура отопления
11 термостат перегрева
12 первичный теплообменник
13 дымовой колпак
14 вентилятор
15 точка положительного давления (для модели
28 MI FF -
31 MI FF
точка положительного давления должна быть
закрыта)
16 пневмореле – датчик тяги
17 точка отрицательного давления
18 электрод контроля пламени
19 горелка
20 рампа подачи газа с форсунками
21 пластинчатый теплообменник системы ГВС
(автоматический байпас)
22 насос с автоматическим воздухоотводчиком
23 кран заполнения котла
24 кран слива воды из котла
25 манометр
26 предохранительный клапан
31.1 - 24 MI FF - 28 MI FF - 31 MI FF
Рисунок 24
подача
в систему
отопления
выход
горячей
воды
газ
подача
холодной
воды
возврат из
системы
отопления
0901_0804 / CG_1737
28 MI FF - 31 MI FF
Герметичная
Содержание
- 2 СОДЕРЖАНИЕ; РУКОВОДСТВО ДЛЯ ПОЛЬЗОВАТЕЛЯ; Уважаемый пользователь,; пользователя, не должны выполняться детьми без присмотра.
- 3 ДЕЙСТВИЯ ПЕРЕД УСТАНОВКОЙ КОТЛА; ДЕЙСТВИЯ ПЕРЕД ЗАПУСКОМ КОТЛА
- 5 СИМВОЛ ОЗНАЧАЕТ; РЕГУЛИРОВКА ТЕМПЕРАТУРЫ ОТОПЛЕНИЯ И ГВС
- 6 СМЕНА ВИДА ИСПОЛЬЗУЕМОГО ГАЗА; ДЛИТЕЛЬНАЯ ОСТАНОВКА СИСТЕМЫ. ЗАЩИТА ОТ ПЕРЕМЕРЗАНИЯ
- 7 СООБЩЕНИЯ ОБ ОШИБКАХ И ТАБЛИЦА НЕИСПРАВНОСТЕЙ; ОБСЛУЖИВАНИЕ КОТЛА
- 8 ДЕЙСТВИЯ ПЕРЕД УСТАНОВКОЙ КОТЛА
- 11 ВАРИАНТЫ УСТАНОВКИ ДЫМОХОДОВ С ГОРИЗОНТАЛЬНЫМ ТЕРМИНАЛОМ
- 12 ДА
- 13 ГАБАРИТНЫЕ РАЗМЕРЫ РАЗДЕЛЬНОЙ СИСТЕМЫ
- 14 ПОДКЛЮЧЕНИЕ К СЕТИ ЭЛЕКТРОПИТАНИЯ
- 15 СМЕНА ВИДА ИСПОЛЬЗУЕМОГО ГАЗА; КЛАПАН SIT - SIGMA 845
- 16 ФУНКЦИЯ КАЛИБРОВКИ ГАЗОВОГО КЛАПАНА; Примечание; Таблица значений давления на главной горелке
- 17 ИНФОРМАЦИОННЫЙ ДИСПЛЕЙ; ВЫВОД СВЕДЕНИЙ О РАБОТЕ КОТЛА; ВЫВОД ИНФОРМАЦИИ ПРИ ВКЛЮЧЕНИИ КОТЛА
- 18 ДОПОЛНИТЕЛЬНАЯ ИНФОРМАЦИЯ; УСТАНОВКА ПАРАМЕТРОВ
- 19 Описание параметра
- 20 УСТРОЙСТВА УПРАВЛЕНИЯ И КОНТРОЛЯ
- 21 РАЗМЕЩЕНИЕ ПОДЖИГАЮЩЕГО ЭЛЕКТРОДА И ДЕТЕКТОРА ПЛАМЕНИ
- 22 ПОДСОЕДИНЕНИЕ ВНЕШНЕГО ДАТЧИКА; ХАРАКТЕРИСТИКИ ПРОИЗВОДИТЕЛЬНОСТИ НАСОСА
- 23 ПОДКЛЮЧЕНИЕ НАРУЖНОГО БАКА ДЛЯ ГОРЯЧЕЙ ВОДЫ
- 24 ЭЛЕКТРИЧЕСКОЕ СОЕДИНЕНИЕ С ЗОНАЛЬНОЙ УСТАНОВКОЙ; СОЕДИНЕНИЕ ПЛАТЫ РЕЛЕ
- 25 УДАЛЕНИЕ ИЗВЕСТКОВЫХ ОТЛОЖЕНИЙ ИЗ СИСТЕМЫ ГВС; ДЕМОНТАЖ ТЕПЛООБМЕННИКА ГВС; ЧИСТКА ФИЛЬТРА ХОЛОДНОЙ ВОДЫ
- 32 ТЕХНИЧЕСКИЕ ХАРАКТЕРИСТИКИ
- 33 ГАРАНТИЙНЫЙ ТАЛОН
- 34 Заполнить при продаже; Заполнить при вводе в эксплуатацию