Котел De Dietrich MSL 31 FF - инструкция пользователя по применению, эксплуатации и установке на русском языке. Мы надеемся, она поможет вам решить возникшие у вас вопросы при эксплуатации техники.
Если остались вопросы, задайте их в комментариях после инструкции.
"Загружаем инструкцию", означает, что нужно подождать пока файл загрузится и можно будет его читать онлайн. Некоторые инструкции очень большие и время их появления зависит от вашей скорости интернета.

87
7221813.02 - ru
ИНСТРУКЦИЯ ДЛЯ УСТАНОВЩИКА
31.2 -
24 FF - 31 FF
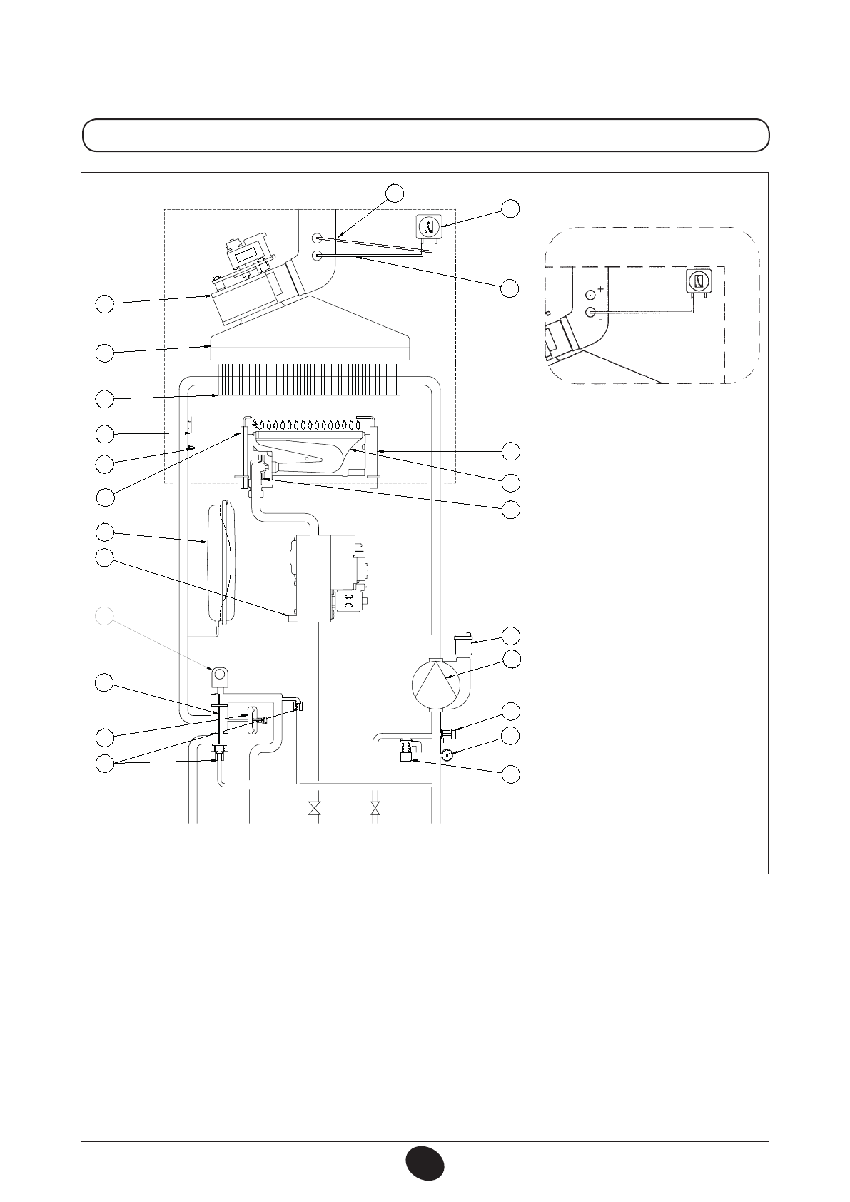
Рисунок 25
Герметичная камера
0606_2701
31 FF
подача воды
выход
подвод газа подвод холодной возврат из
для отопления воды ГВС
воды системы отопления
Обозначения:
1
Автоматический байпас
2
Реле давления воды
3
Трехходовой клапан
4
Газовый клапан
5
Расширительный бак
6
Электрод зажигания
7
Датчик NTC системы центрального отопления
8
Термостат защиты от перегрева
9
Теплообменник дымовые газы-вода
10
Вытяжка дымовых газов
11
Вентилятор
12
точка положительного давления (для модели
31 FF
точка
положительного давления должна быть закрыта
)
13
Реле давления воздуха
14
Точка отрицательного давления
15
Электрод контроля факела
16
Горелка
17
Форсунки горелки
18
Автоматический воздушный клапан
19
Насос и воздушный сепаратор
20
Точка слива котла
21
Манометр
22
Предохранительный клапан
23
Mотор трехходового клапана
1402_0404
-
8
7
4
3
1
22
20
21
19
18
6
15
16
9
10
11
13
17
2
+
14
5
2 3
12
Содержание
- 2 СОДЕРЖАНИЕ; РУКОВОДСТВО ДЛЯ ПОЛЬЗОВАТЕЛЯ; Уважаемый пользователь,; пользователя, не должны выполняться детьми без присмотра.
- 3 ДЕЙСТВИЯ ПЕРЕД УСТАНОВКОЙ КОТЛА; ДЕЙСТВИЯ ПЕРЕД ЗАПУСКОМ КОТЛА
- 5 СИМВОЛ ОЗНАЧАЕТ; РЕГУЛИРОВКА ТЕМПЕРАТУРЫ ОТОПЛЕНИЯ И ГВС
- 6 СМЕНА ВИДА ИСПОЛЬЗУЕМОГО ГАЗА; ДЛИТЕЛЬНАЯ ОСТАНОВКА СИСТЕМЫ. ЗАЩИТА ОТ ПЕРЕМЕРЗАНИЯ
- 7 СООБЩЕНИЯ ОБ ОШИБКАХ И ТАБЛИЦА НЕИСПРАВНОСТЕЙ; ОБСЛУЖИВАНИЕ КОТЛА
- 8 ДЕЙСТВИЯ ПЕРЕД УСТАНОВКОЙ КОТЛА
- 11 ВАРИАНТЫ УСТАНОВКИ ДЫМОХОДОВ С ГОРИЗОНТАЛЬНЫМ ТЕРМИНАЛОМ
- 12 ДА
- 13 ГАБАРИТНЫЕ РАЗМЕРЫ РАЗДЕЛЬНОЙ СИСТЕМЫ
- 14 ПОДКЛЮЧЕНИЕ К СЕТИ ЭЛЕКТРОПИТАНИЯ
- 15 СМЕНА ВИДА ИСПОЛЬЗУЕМОГО ГАЗА; КЛАПАН SIT - SIGMA 845
- 16 ФУНКЦИЯ КАЛИБРОВКИ ГАЗОВОГО КЛАПАНА; Примечание; Таблица значений давления на главной горелке
- 17 ИНФОРМАЦИОННЫЙ ДИСПЛЕЙ; ВЫВОД СВЕДЕНИЙ О РАБОТЕ КОТЛА; ВЫВОД ИНФОРМАЦИИ ПРИ ВКЛЮЧЕНИИ КОТЛА
- 18 ДОПОЛНИТЕЛЬНАЯ ИНФОРМАЦИЯ; УСТАНОВКА ПАРАМЕТРОВ
- 19 Описание параметра
- 20 УСТРОЙСТВА УПРАВЛЕНИЯ И КОНТРОЛЯ
- 21 РАЗМЕЩЕНИЕ ПОДЖИГАЮЩЕГО ЭЛЕКТРОДА И ДЕТЕКТОРА ПЛАМЕНИ
- 22 ПОДСОЕДИНЕНИЕ ВНЕШНЕГО ДАТЧИКА; ХАРАКТЕРИСТИКИ ПРОИЗВОДИТЕЛЬНОСТИ НАСОСА
- 23 ПОДКЛЮЧЕНИЕ НАРУЖНОГО БАКА ДЛЯ ГОРЯЧЕЙ ВОДЫ
- 24 ЭЛЕКТРИЧЕСКОЕ СОЕДИНЕНИЕ С ЗОНАЛЬНОЙ УСТАНОВКОЙ; СОЕДИНЕНИЕ ПЛАТЫ РЕЛЕ
- 25 УДАЛЕНИЕ ИЗВЕСТКОВЫХ ОТЛОЖЕНИЙ ИЗ СИСТЕМЫ ГВС; ДЕМОНТАЖ ТЕПЛООБМЕННИКА ГВС; ЧИСТКА ФИЛЬТРА ХОЛОДНОЙ ВОДЫ
- 32 ТЕХНИЧЕСКИЕ ХАРАКТЕРИСТИКИ
- 33 ГАРАНТИЙНЫЙ ТАЛОН
- 34 Заполнить при продаже; Заполнить при вводе в эксплуатацию













