Котел Buderus Logano SK745 - инструкция пользователя по применению, эксплуатации и установке на русском языке. Мы надеемся, она поможет вам решить возникшие у вас вопросы при эксплуатации техники.
Если остались вопросы, задайте их в комментариях после инструкции.
"Загружаем инструкцию", означает, что нужно подождать пока файл загрузится и можно будет его читать онлайн. Некоторые инструкции очень большие и время их появления зависит от вашей скорости интернета.

10
Приложение
Logano SK645/SK745 - Оставляем за собой право на изменения!
50
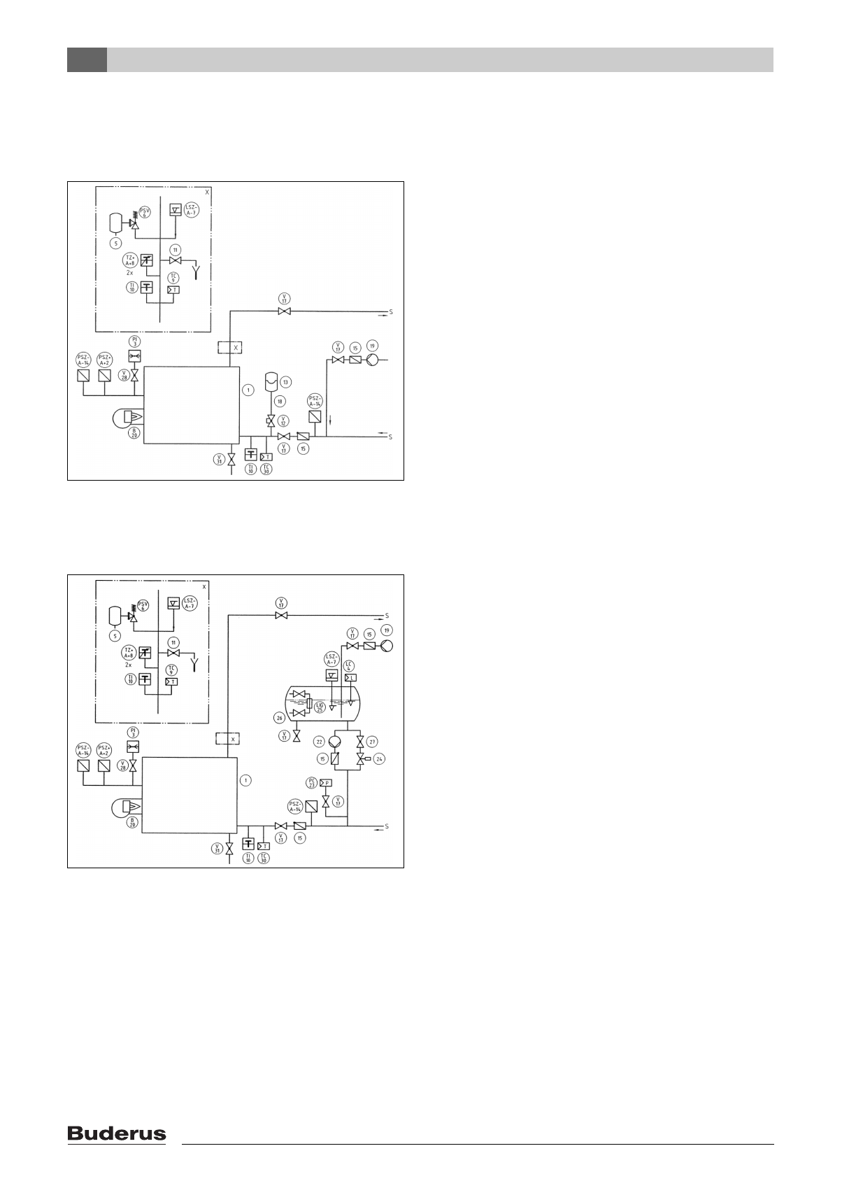
10.2 Расположение приборов безопасности по DIN EN 12953-6;
температура отключения (STB) > 110 °C
Температура отключения (STB) > 110 °C, пример 1
Рис. 51 Приборы безопасности по DIN EN 12953-6
для котла с STB > 110 °C, пример 1
(прямое отопление)
Температура отключения (STB) > 110 °C, пример 2
Рис. 52 Приборы безопасности по DIN EN 12953-6
для котла с STB > 110 °C, пример 2
(прямое отопление)
Пояснения к рис. 51 и 52:
RK
Обратная линия котла
VK
Подающая линия котла
1
Котёл с перегретой водой
2
Ограничитель минимального давления [PSZ+A+]
3
Манометр
4
Регулятор уровня воды
5
Декомпрессионная ёмкость
6
Предохранительный клапан
7
Ограничитель минимального уровня воды [LSZ-A-]
8
Ограничитель температуры [TSZ+A+]
9
Регулятор температуры
10
Устройство индикации температуры
11
Устройство заполнения для контроля уровня воды
12
Запорный вентиль, защищённый от
непреднамеренного закрытия
13
Закрытый расширительный бак
14
Ограничитель минимального давления [PSZ-A-]
15
Обратный клапан
17
Запорный вентиль
18
Трубопровод к закрытому расширительному баку
19
Питательный насос
20
Устройство обогрева
22
Насос поддержки давления
23
Регулятор давления
24
Автоматический запорный клапан
(без напряжения закрыт)
25
Указатель уровня воды
26
Открытый расширительный бак
27
Клапан поддержки давления (если под
напряжением открыт или если фактическое
давление меньше минимального, то (24) может
отсутствовать)
28
Запорный вентиль с возможностью подключения
контрольного манометра
30
Регулятор минимальной температуры
(если требуется)
31
Устройство удаления воды
На схемах показана комплектация приборами
безопасности по DIN EN 12953-6 для указанных
исполнений системы – без претензии на полноту
данных.
На схемах показаны только варианты с
поддержкой давления через газовую подушку или
поддерживающий насос. Другие варианты
поддержки давления с различными приборами
безопасности приведены в DIN EN 12953-6.
При STB > 110 °C выполняйте дополнительные
требования согласно правилам эксплуатационной
безопасности (проведение периодических
испытаний и др.).
Для практического исполнения действуют
соответствующие технические правила.
Рекомендуется согласование с компетентными
контролирующими органами на стадии
проектирования.