Котел Bosch ZBR98-2 7746901241 - инструкция пользователя по применению, эксплуатации и установке на русском языке. Мы надеемся, она поможет вам решить возникшие у вас вопросы при эксплуатации техники.
Если остались вопросы, задайте их в комментариях после инструкции.
"Загружаем инструкцию", означает, что нужно подождать пока файл загрузится и можно будет его читать онлайн. Некоторые инструкции очень большие и время их появления зависит от вашей скорости интернета.

24
|
Монтаж
RU
6 720 645 089 (2010/08)
B
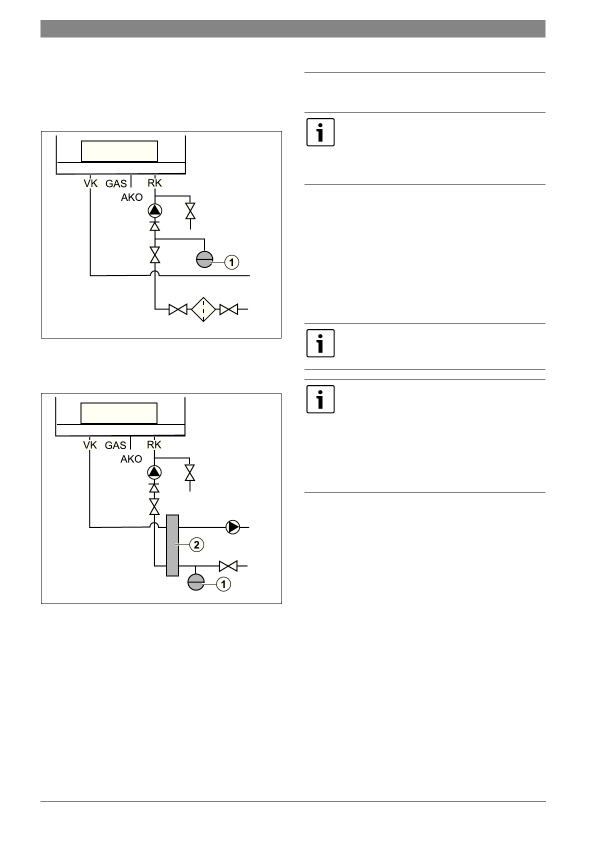
При наличии гидравлического отделителя
расширительный бак можно подключить во
вторичный контур отделителя в обратной линии
(
Æ
рис. 18).
Рис 17 Подключение расширительного бака без
гидравлического отделителя
1
Расширительный бак
Рис 18 Подключение расширительного бака с
гидравлическим отделителем
1
Расширительный бак
2
Гидравлический отделитель
5.7
Подключение подачи воздуха для
горения и отвода дымовых газов
При монтаже линий подачи воздуха для горения и
отвода дымовых газов выполняйте общие
действующие правила (
Æ
Для котлов, работающих с подачей наружного или
внутреннего воздуха для горения, имеются различные
системы отвода дымовых газов. Подробную
информацию смотрите в документации для
проектирования или в прилагаемых «Рекомендациях
по отводу дымовых газов.»
6 720 614 084-120.1TD
6 720 614 084-121.1TD
Перед началом монтажных работ следует
проинформировать об этом местные
уполномоченные организации,
осуществляющие надзор за дымовыми
трубами.
Байпас для конденсата при отводе
дымовых газов не требуется. Слив
конденсата смонтирован в котле.
Во время работы в газовом
конденсационном котле образуется
водяной пар. Этот пар безвреден, однако
при отводе через наружную стену может
доставлять дискомфорт. Поэтому следует
отдавать предпочтение отводу через
крышу.
B
Выполняйте местные нормы и правила!













