Котел Борино АОГВ -17,4 «Eurosit» - инструкция пользователя по применению, эксплуатации и установке на русском языке. Мы надеемся, она поможет вам решить возникшие у вас вопросы при эксплуатации техники.
Если остались вопросы, задайте их в комментариях после инструкции.
"Загружаем инструкцию", означает, что нужно подождать пока файл загрузится и можно будет его читать онлайн. Некоторые инструкции очень большие и время их появления зависит от вашей скорости интернета.

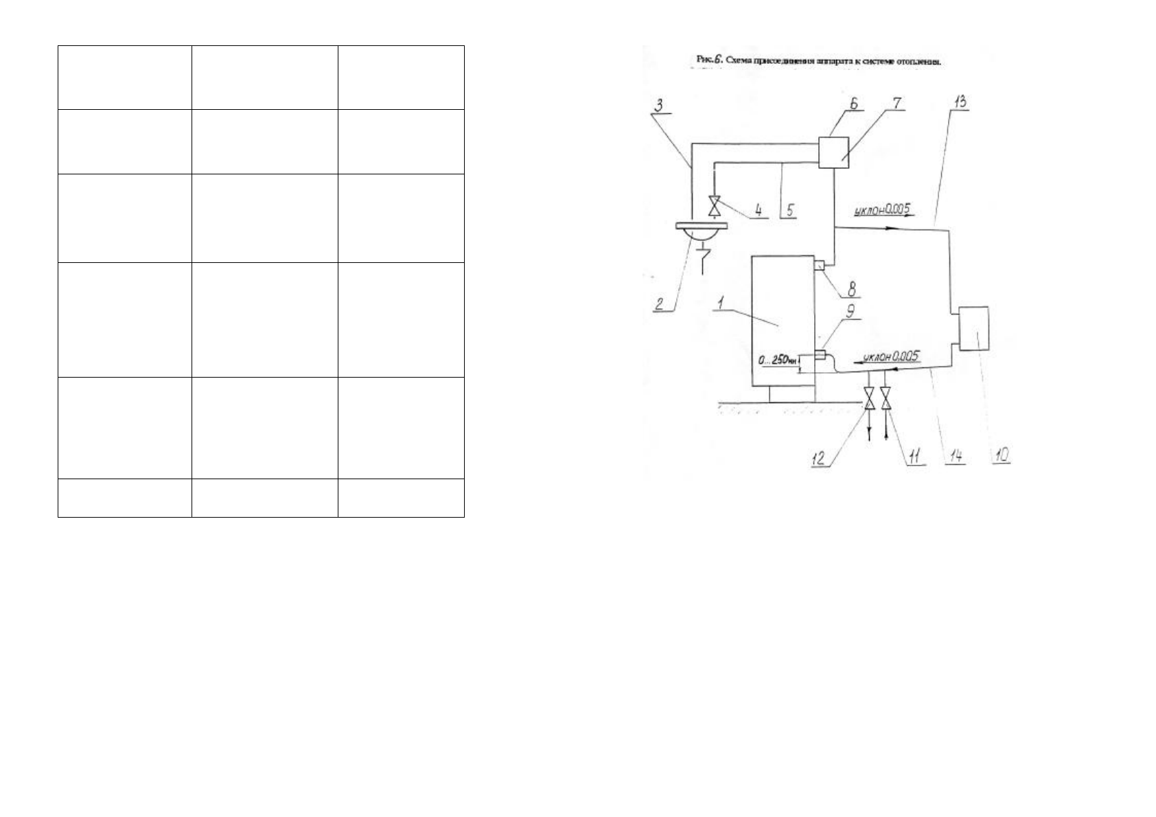
1 -
аппарат
;
8 -
патрубок
подающий
;
2 –
раковина
;
9 -
патрубок
обратный
;
3 -
труба
переливная
;
10-
прибор
отопительный
;
4 -
пробный
вентиль
;
11 -
запорный
вентиль
отвода
5 -
труба
контроля
уровня
воды
в
расширительном
баке
водопровода
;
12 -
спускной
вентиль
;
6 –
отверстие
;
13 -
подающая
линия
;
7 -
бак
расширительный
»
14 -
обратная
линия
.
1.
Давление
в
системе
отопления
в
рабочем
состоянии
/
при
температуре
воды
в
системе
отопления
6
О
...8
О
°
С
/
должно
быть
не
более
1,2
кг
/
кв
.
см
.
2.
На
стояке
/
выходной
трубе
/
должен
быть
установлен
предохранительный
4.
температура
горячей
воды
на
выходе
из
котла
выше
90
градусов
или
не
достигает
нужной
температуры
Нарушена
настройка
терморегулятора
.
Разгерметизация
термосистемы
.
Настроить
терморегулятор
.
Заменить
термосистему
5.
Утечка
газа
в
местах
соединения
газопроводов
Износились
прокладки
,
ослабли
резьбовые
соединения
Заменить
прокладки
.
Уплотнения
,
собрать
,
проверить
на
герметичность
обмыливанием
6.
Запальная
горелка
незагорается
или
горит
пульсирующим
пламенем
или
отключается
во
время
работы
или
горит
«
слабым
пламенем
»
Засорено
сопло
запальной
горелки
Давление
газа
ниже
допустимого
Негерметичность
газопровода
запальной
горелки
Прочистить
сопло
медной
проволокой
Сообщить
в
Горгаз
или
соответствующую
организацию
Проверить
и
устранить
негерметичность
7.
основная
горелка
не
загорается
или
горит
слабо
,
пульсирующим
пламенем
,
или
отключается
Засорилоась
форсунка
.
Нарушена
настройка
терморегулятора
.
Засорился
фильтр
.
Вывернуть
и
прочистить
формунку
,
промыть
ее
спиртом
или
бензином
.
Произвести
настройку
терморегуляторав
.
Снять
сетку
фильтра
.
Промыть
ее
в
бензине
и
установить
на
место
8.
При
работе
котла
,
при
достижении
температуры
воды
установленного
значения
основная
горелка
не
переходит
на
режим
работы
«
малый
газ
».
Разгерметизация
системы
«
Сильфон
-
термобаллон
»
Заменить
термосистему
9.
После
розжига
основной
горелки
аппарат
выключается
Засорение
дымохода
за
аппаратом
Прочистить
дымоход
за
аппаратом
**
Во
избежание
поломки
термопары
не
рекомендуется
прикладывать
большое
усилие
при
затяжке
гайки
крепления
провода
термопары
в
термопрерывателе
.
Перед
присоединением
термопары
проверить
оголовок
центрального
провода
и
целостность
прокладки
,
при
необходимости
зачистить
оголовок
мелкой
наждачной
шкуркой
/
удаление
окиси
/.
Закрутить
гайку
крепления
провода
до
соприкосновения
оголовка
с
гнездом
/
выбрать
зазор
/.
Затянуть
поворотом
гайки
не
более
чем
на
¼
оборота
.
11.
ТАРА
И
УПАКОВКА
.
11.1.
При
иногородних
отправках
аппараты
должны
быть
обернуты
водонепроницаемой
или
парафинированной
бумагой
,
обвязаны
шпагатом
,
13
20
Характеристики
Остались вопросы?Не нашли свой ответ в руководстве или возникли другие проблемы? Задайте свой вопрос в форме ниже с подробным описанием вашей ситуации, чтобы другие люди и специалисты смогли дать на него ответ. Если вы знаете как решить проблему другого человека, пожалуйста, подскажите ему :)