Котел Beretta NOVELLA 38 RAI - инструкция пользователя по применению, эксплуатации и установке на русском языке. Мы надеемся, она поможет вам решить возникшие у вас вопросы при эксплуатации техники.
Если остались вопросы, задайте их в комментариях после инструкции.
"Загружаем инструкцию", означает, что нужно подождать пока файл загрузится и можно будет его читать онлайн. Некоторые инструкции очень большие и время их появления зависит от вашей скорости интернета.

Н
Н
А
А
П
П
О
О
Л
Л
Ь
Ь
Н
Н
Ы
Ы
Е
Е
К
К
О
О
Т
Т
Л
Л
Ы
Ы
N
N
O
O
V
V
E
E
L
L
L
L
A
A
ТРЕБОВАНИЯ
К
КАЧЕСТВУ
ВОДЫ
И
ЭЛЕМЕНТАМ
СИСТЕМЫ
ТЕПЛОСНАБЖЕНИЯ
Данный
котел
предназначен
для
закрытых
систем
отопления
с
принудительной
циркуляцией
.
Для
обеспечения
длительной
и
эффективной
работы
котла
и
системы
отопления
рекомендуется
выполнять
разводку
системы
отопления
из
полимерной
или
медной
трубы
.
На
входе
воды
из
системы
отопления
в
котел
необходимо
установить
механический
фильтр
(
грязевик
).
В
качестве
приборов
отопления
предпочтительно
использовать
современные
малоинерционные
радиаторы
(
стальные
панельные
,
алюминиевые
,
и
.
т
.
д
.)
В
качестве
теплоносителя
в
системе
отопления
рекомендуется
использовать
воду
.
Качество
используемой
в
системе
отопления
и
ГВС
воды
должно
соответствовать
следующим
параметрам
:
Водородный
показатель
РН
6-8
Жесткость
общая
не
более
4
мг
-
экв
/
л
Содержание
железа
не
более
0,3
мг
/
л
Если
жесткость
исходной
воды
превышает
4
мг
-
экв
/
л
рекомендуется
установить
на
входе
воды
в
котел
полифосфатный
дозатор
,
который
обрабатывает
поступающую
в
котел
воду
,
защищая
теплообменное
оборудование
котла
от
отложения
солей
жесткости
.
Полифосфатный
дозатор
не
входит
в
стандартную
комплектацию
котла
и
поставляется
по
отдельному
заказу
(
артикул
696279
).
Если
жесткость
исходной
воды
превышает
9
мг
-
экв
/
л
следует
использовать
установки
для
умягчения
воды
.
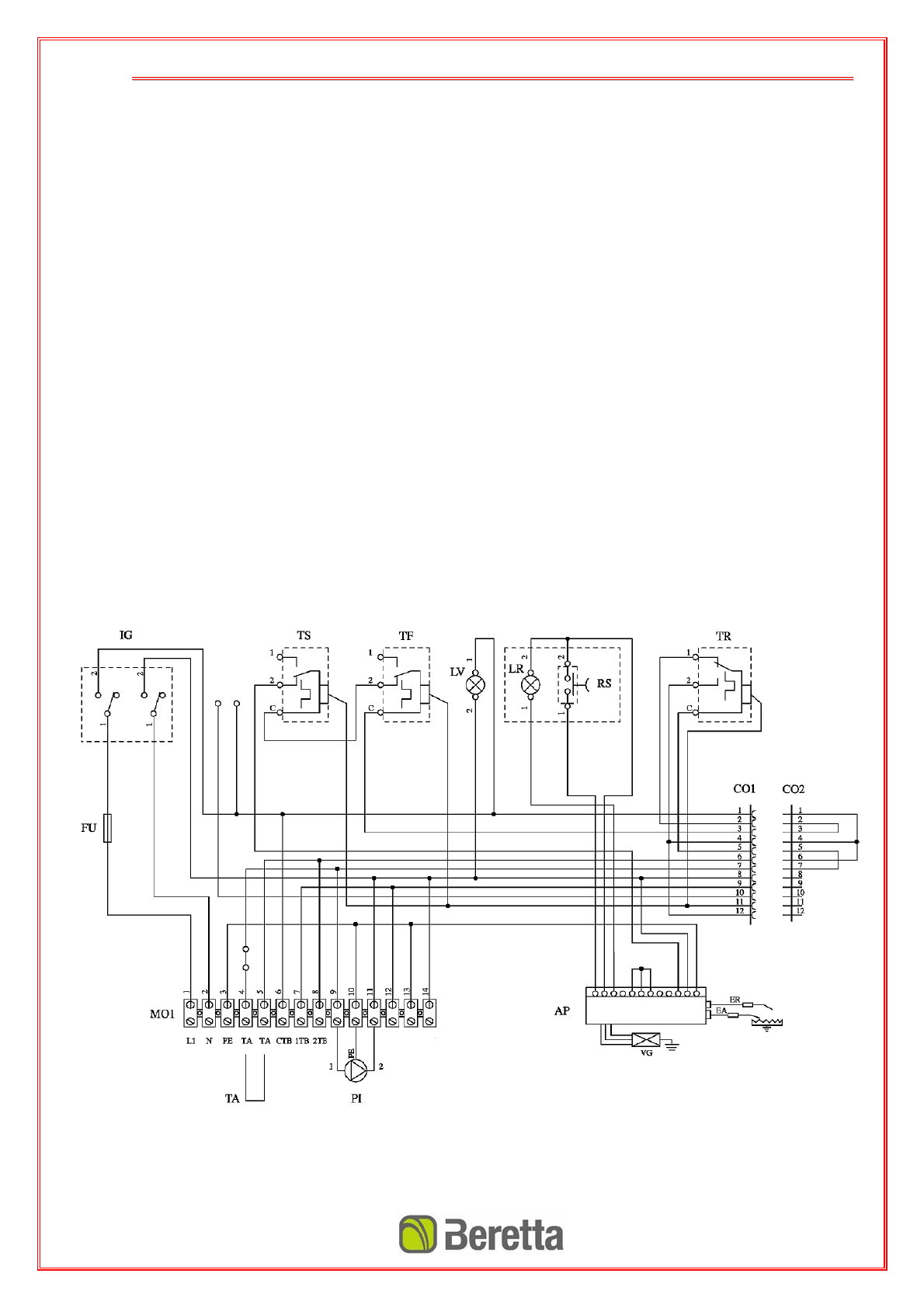
ПРИНЦИПИАЛЬНЫЕ
ЭЛЕКТРИЧЕСКИЕ
СХЕМЫ
NOVELLA RAI – RAI PV