Котел Beretta FABULA 43E CAI 90 - инструкция пользователя по применению, эксплуатации и установке на русском языке. Мы надеемся, она поможет вам решить возникшие у вас вопросы при эксплуатации техники.
Если остались вопросы, задайте их в комментариях после инструкции.
"Загружаем инструкцию", означает, что нужно подождать пока файл загрузится и можно будет его читать онлайн. Некоторые инструкции очень большие и время их появления зависит от вашей скорости интернета.

15
2.12
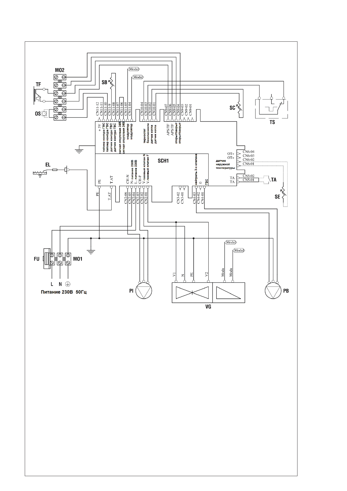
Принципиальная электрическая схема
FU1
- Предохранитель
SC
- Датчик котла
SB
- Датчик бойлера
ТА
- Комнатный термостат
TS
- Предохранительный термостат (с автоматическим возвратом)
TF
- Термостат дымовых газов (с автоматическим возвратом)
PI
- Циркуляционный насос системы отопления
PВ
- Циркуляционный насос системы ГВС
VG
- Электромагнитный клапан газа
ЕL
- Электрод розжига/контроля пламени
SСН1
- Плата управления
МО1-МО2 - Клеммные колодки для подключения
ТА - Комнатный термостат (не входит в комплект поставки)
SE - Датчик наружной температуры (не входит в комплект поставки)
OS - Таймер контура ГВС (не входит в комплект поставки)
(*) для электрических подключения аксессуара "Дымосос ST". Для подключения пользуйтесь
инструкцией на данный аксессуар.
рис. 2.13