Котел Beretta EXCLUSIVE Green 35CSI - инструкция пользователя по применению, эксплуатации и установке на русском языке. Мы надеемся, она поможет вам решить возникшие у вас вопросы при эксплуатации техники.
Если остались вопросы, задайте их в комментариях после инструкции.
"Загружаем инструкцию", означает, что нужно подождать пока файл загрузится и можно будет его читать онлайн. Некоторые инструкции очень большие и время их появления зависит от вашей скорости интернета.

Н
Н
А
А
С
С
Т
Т
Е
Е
Н
Н
Н
Н
Ы
Ы
Е
Е
К
К
О
О
Н
Н
Д
Д
Е
Е
Н
Н
С
С
А
А
Ц
Ц
И
И
О
О
Н
Н
Н
Н
Ы
Ы
Е
Е
К
К
О
О
Т
Т
Л
Л
Ы
Ы
E
E
X
X
C
C
L
L
U
U
S
S
I
I
V
V
E
E
G
G
R
R
E
E
E
E
N
N
111
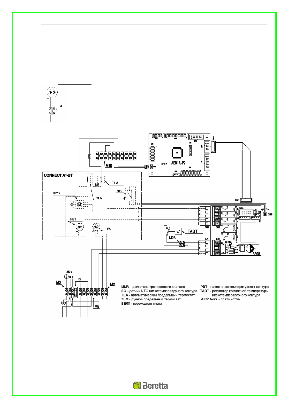
ПОДКЛЮЧЕНИЕ
ВНЕШНИХ
УСТРОЙСТВ
Гидравлические
разъединители
Автоматика
котлов
EXCLUSIVE GREEN
позволяет
осуществлять
управление
гидравлическими
разъединителями
CONNECT AP (
артикул
1102549)
и
CONNECT
AT/BT (
артикул
1102539)
.
Гидравлическое
подключение
разъединителей
осуществляется
через
соответствующие
патрубки
подающей
и
обратной
линий
контура
отопления
котла
.
Электрические
подключения
CONNECT AP:
Подача
питания
на
насос
гидравлического
разъединителя
осуществляется
от
клеммника
М
2
котла
.
CONNECT AT/BT:
В
комплекте
с
гидравлическим
разъединителем
CONNECT AT/BT
поставляется
переходная
плата
BE08
и
все
необходимые
соединительные
кабели
.
Соединения
необходимо
выполнять
согласно
вышеприведенной
схеме
.
