Котел Baxi SLIM i-iN - инструкция пользователя по применению, эксплуатации и установке на русском языке. Мы надеемся, она поможет вам решить возникшие у вас вопросы при эксплуатации техники.
Если остались вопросы, задайте их в комментариях после инструкции.
"Загружаем инструкцию", означает, что нужно подождать пока файл загрузится и можно будет его читать онлайн. Некоторые инструкции очень большие и время их появления зависит от вашей скорости интернета.

SLIM i – iN
руководство
для
технического
персонала
17
газовые
напольные
котлы
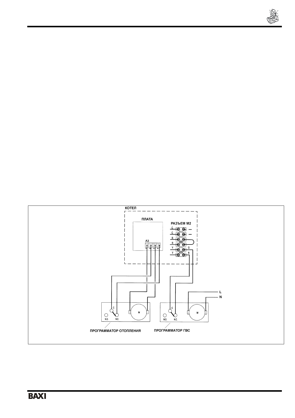
8.
Присоединение
программируемого
таймера
(
заказывается
отдельно
)
На
котлах
предусмотрена
возможность
установки
программируемого
таймера
с
диаметром
62
мм
;
электрическая
схема
котла
позволяет
программировать
режим
работы
котла
в
контуре
отопления
.
Для
установки
программируемого
таймера
контура
отопления
необходимо
выполнить
следующие
операции
:
•
Получить
доступ
к
внутренней
части
электрической
коробки
,
согласно
инструкциям
§ 5.1 «
Доступ
к
клеммной
колодке
электропитания
»
•
Обрезать
кусачками
крепления
декоративной
крышки
,
расположенной
в
левой
части
панели
управления
.
•
Установить
программируемый
таймер
,
завинтив
винты
в
соответствующие
отверстия
.
•
Снять
желтую
перемычку
на
разъеме
A3
электронной
платы
(
контакты
2
и
4)
и
присоединить
общий
и
«
нормально
разомкнутый
»
контакты
программируемого
таймера
к
контактам
2
и
4.
•
Присоединить
контакты
питания
программируемого
таймера
на
разъем
A3
электронной
платы
(
контакты
1
и
3).
При
использовании
программируемых
таймеров
с
питанием
от
батареек
зажимы
1
и
3
разъема
A3
остаются
незадействованными
.
Для
правильного
присоединения
программируемых
таймеров
изучите
также
электрическую
схему
,
приведенную
в
§ 6,
и
руководствуйтесь
электрической
схемой
на
рис
. 10.
Программатор
контура
ГВС
(
при
присоединенном
бойлере
)
•
снять
желтую
перемычку
,
имеющуюся
на
разъеме
М
2
котла
(
контакты
5-6),
и
присоединить
общий
и
«
нормально
разомкнутый
»
контакты
программатора
к
разъему
.
Кабель
,
используемый
для
присоединения
,
должен
быть
проведен
через
кабеледержатель
.
Для
правильного
присоединения
программатора
изучите
также
электрическую
схему
,
приведенную
в
§6,
и
руководствуйтесь
электрической
схемой
на
рис
. 10.
Для
бойлеров
SLIM UB 80-120
данные
присоединения
не
должны
использоваться
.
Руководствуйтесь
инструкциями
,
прилагаемыми
к
бойлеру
.
Рис
. 10:
Присоединение
программируемого
таймера