Котел Baxi Main Four 18F / 24F - инструкция пользователя по применению, эксплуатации и установке на русском языке. Мы надеемся, она поможет вам решить возникшие у вас вопросы при эксплуатации техники.
Если остались вопросы, задайте их в комментариях после инструкции.
"Загружаем инструкцию", означает, что нужно подождать пока файл загрузится и можно будет его читать онлайн. Некоторые инструкции очень большие и время их появления зависит от вашей скорости интернета.

24
71.06971.01 - RU
РУКОВОДСТВО ДЛЯ ТЕХНИЧЕСКОГО ПЕРСОНАЛА
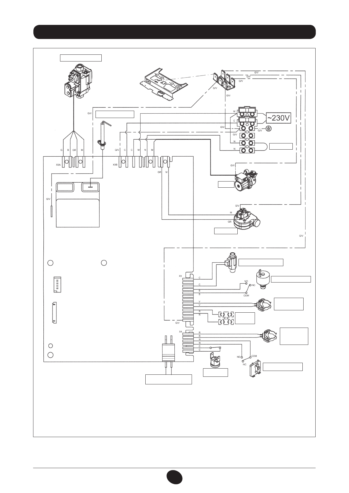
30. СХЕМЫ ЭЛЕКТРИЧЕСКИХ СОЕДИНЕНИЙ
Цвет проводов
C
= голубой
М
= коричневый
N
= черный
R
= красный
G/V
= желтый/зеленый
B
= белый
V
= зеленый
ЭЛЕКТРОД ЗАЖИГАНИЯ/
КОНТРОЛЯ ПЛАМЕНИ
ТЕРМОСТАТ
НАСОС
ВЕНТИЛЯТОР
ДАТЧИК ПРИОРИТЕТА
СИСТЕМЫ ГВС
ДАТЧИК
УЛИЧНОЙ
ТЕМПЕРАТУРЫ
ГИДРАВЛИЧЕСКИЙ
ПРЕССОСТАТ
ТЕРМОСТАТ
ПЕРЕГРЕВА
ПНЕВМОРЕЛЕ–
ДАТЧИК ТЯГИ
КОМНАТНЫЙ ТЕРМОСТАТ/
ДИСТАНЦИОННОЕ
УПРАВЛЕНИЕ
ДАТЧИК
ТЕМПЕРАТУРЫ
(NTC) ГВС
ДАТЧИК
ТЕМПЕРАТУРЫ
(NTC) СИСТЕМЫ
ОТОПЛЕНИЯ
газовый клапан
CG_2133 / 0912_1006
Содержание
- 2 BAXI; РУКОВОДСТВО ДЛЯ ПОЛЬЗОВАТЕЛЯ; На котлах; BAXI; нанесена маркировка СЕ. Котлы соответствуют требованиям,
- 3 ПОДГОТОВКА К УСТАНОВКЕ
- 4 Внимание
- 5 ОПИСАНИЕ КНОПКИ (Лето – Зима – Только Отопление – Выключено); ЗАПОЛНЕНИЕ СИСТЕМЫ; ВНИМАНИЕ; ВЫКЛЮЧЕНИЕ КОТЛА
- 6 СИСТЕМА БЕЗОПАСНОСТИ: ИНДИКАТОРЫ И СРАБАТЫВАНИЕ; ВЫКЛЮЧЕНИЕ НА ДЛИТЕЛЬНЫЙ ПЕРИОД. ЗАЩИТА ОТ ЗАМЕРЗАНИЯ; мигание; Неисправность ПЕРЕЗАПУСК
- 7 ДОПОПЛНИТЕЛЬНЫЙ НАСОС; ПРОВЕРКИ ПЕРЕД УСТАНОВКОЙ КОТЛА
- 8 INSTALLAZIONE DELLA CALDAIA; DIMENSIONI CALDAIA
- 9 УСТАНОВКА ДЫМОХОДА И ВОЗДУХОВОДА
- 10 ВАРИАНТЫ ГОРИЗОНТАЛЬНОЙ УСТАНОВКИ НАКОНЕЧНИКА ДЫМОХОДА
- 11 ВАЖНО; НЕТ
- 13 ПОДКЛЮЧЕНИЕ К ЭЛЕКТРОПИТАНИЮ
- 14 ПОДСОЕДИНЕНИЕ КОМНАТНОГО ТЕРМОСТАТА
- 15 ИЗМЕНЕНИЕ ТИПА ГАЗА; ФУНКЦИЯ КАЛИБРОВКИ ГАЗОВОГО КЛАПАНА; Примечание
- 16 ИЗМЕНЕНИЕ ПАРАМЕТРОВ; ПРЕДУПРЕЖДЕНИЕ
- 17 ВЫВОД ИНФОРМАЦИИ НА ДИСПЛЕЙ КОТЛА
- 18 УСТАНОВКА ПАРАМЕТРОВ
- 19 УСТРОЙСТВА РЕГУЛИРОВАНИЯ И ПРЕДОХРАНИТЕЛЬНЫЕ УСТРОЙСТВА
- 20 КОНТРОЛЬ ОТХОДЯЩИХ ГАЗОВ; ап
- 21 ПРИСОЕДИНЕНИЕ ДАТЧИКА УЛИЧНОЙ ТЕМПЕРАТУРЫ; ДЫМООТВОДЯЩАЯ СИСТЕМА С РАЗДЕЛЬНЫМИ ТРУБАМИ
- 22 ЕЖЕГОДНОЕ ТЕХНИЧЕСКОЕ ОБСЛУЖИВАНИЕ
- 23 ФУНКЦИОНАЛЬНЫЕ СХЕМЫ
- 24 СХЕМЫ ЭЛЕКТРИЧЕСКИХ СОЕДИНЕНИЙ; Цвет проводов
- 25 ТЕХНИЧЕСКИЕ ДАННЫЕ