Котел Baxi LUNA Platinum+ 1.32 GA - инструкция пользователя по применению, эксплуатации и установке на русском языке. Мы надеемся, она поможет вам решить возникшие у вас вопросы при эксплуатации техники.
Если остались вопросы, задайте их в комментариях после инструкции.
"Загружаем инструкцию", означает, что нужно подождать пока файл загрузится и можно будет его читать онлайн. Некоторые инструкции очень большие и время их появления зависит от вашей скорости интернета.

7219837.04 (1-08/16)
116
SECTION
B
LUNA PLATINUM+ 1.12 - 1.18 - 1.24 - 1.32
GA
X1
0
X1
1
51
X
31
X
21
X
X1
X2
X2
3
X7
0
X6
0
X2
2
X5
0
X4
2
X4
1
X4
0
X3
0
X2
1
X2
0
R
B
N
C
C
V
N
R
C
C
R
C
C
R
V
N
C
C
R
R
M
N
C
M
V
N
V
N
C
MC
C
C
C
V
N
b
a
M
C
M
C
MC
G/V
G/V
G/V
G/V
G/V
G/V
G/V
G/V
G/V
1
15
G/V
G/V
G/V
Y
P
M1
3
2
1
4
5
6
7
12
8
13
14
15
16
18
17
19
20
21
11
M
N
P
Y
10
9
L
N
M
C
G/V
G/V
C
M
X1
4
X2
4
C
M
R
V
N
B
MN
M
N
CG
_2
496
B
NR
B
R
N
R
V
V
V
V
7
6
5
4
3
2
1
M3
V
N
22
10
9
8
7
6
5
4
3
2
1
M2
V
C
N
M
G/V
M
C
V
N
Содержание
- 2 не должны выполняться детьми.
- 3 СОДЕРЖАНИЕ
- 4 ОПИСАНИЕ СИМВОЛОВ; Легковоспламеняющийся материал или газ.; МЕРЫ БЕЗОПАСНОСТИ
- 5 ОБЩИЕ ПРЕДУПРЕЖДЕНИЯ; Контур горячего водоснабжения; РЕКОМЕНДАЦИИ ПО ЭКОНОМИИ ЭНЕРГИИ; Управление системой отопления
- 6 ВВОД КОТЛА В ЭКСПЛУАТАЦИЮ; ПАНЕЛЬ УПРАВЛЕНИЯ; БАЗОВЫЕ НАСТРОЙКИ ПАНЕЛИ УПРАВЛЕНИЯ
- 7 здел ПО; ВХОД В МЕНЮ КОНФИГУРАЦИИ ПАРАМЕТРОВ; Информация; МЕНЮ УСТАНОВКИ ВРЕМЕНИ И ДАТЫ
- 8 РЕГУЛИРОВАНИЕ ТЕМПЕРАТУРЫ
- 9 УСТАНОВКА ПОНИЖЕННОЙ ТЕМПЕРАТУРЫ ПОМЕЩЕНИЯ ПРИ ОТОПЛЕНИИ; C B; ПОЧАСОВОЕ ПРОГРАММИРОВАНИЕ РАБОТЫ КОТЛА
- 10 ПРОГРАММИРОВАНИЕ НА ОПРЕДЕЛЕННУЮ ГРУППУ ДНЕЙ; ПРОГРАММИРОВАНИЕ НА ОТДЕЛЬНЫЕ ДНИ
- 11 ФУНКЦИЯ БЛОКИРОВКИ ПАНЕЛИ УПРАВЛЕНИЯ; СБРОС НЕИСПРАВНОСТЕЙ
- 12 НАПОЛНЕНИЕ СИСТЕМЫ
- 13 ПЕРЕВОД КОТЛА НА ДРУГОЙ ТИП ГАЗА; ВЫКЛЮЧЕНИЕ НА ДЛИТЕЛЬНЫЙ ПЕРИОД. ЗАЩИТА ОТ ЗАМЕРЗАНИЯ; ИНСТРУКЦИИ ПО ПЛАНОВОМУ ТЕХОБСЛУЖИВАНИЮ
- 14 здел УС; ПРЕДУПРЕЖДЕНИЯ ПЕРЕД МОНТАЖОМ; ПРЕДУПРЕЖДЕНИЕ ПО ПОВОДУ ДОПОЛНИТЕЛЬНОГО НАСОСА; КОМПЛЕКТ ПОСТАВКИ; АКСЕССУАРЫ
- 15 ПРЕДУПРЕЖДЕНИЯ; КОАКСИАЛЬНЫЕ ДЫМОХОДЫ; 0° отвод сокращает возможную полную длину трубы на 1 метр.; РАЗДЕЛЬНЫЕ ДЫМОХОДЫ; 0° отвод сокращает возможную полную длину трубы на 0,5 метра.
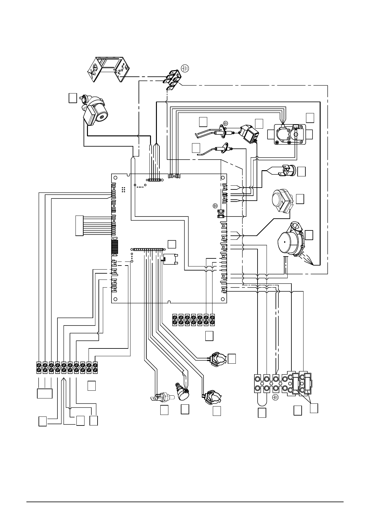
- 16 ЕДИНЫЙ РАЗДЕЛИТЕЛЬНЫЙ КОМПЛЕКТ; ЭЛЕКТРИЧЕСКИЕ СОЕДИНЕНИЯ; КЛЕММНАЯ КОЛОДКА M1; полярность; Фаза; КЛЕММНИК M2; ПОДКЛЮЧЕНИЕ КОМНАТНОГО ТЕРМОСТАТА
- 17 УСТАНОВКА ПАНЕЛИ УПРАВЛЕНИЯ НА СТЕНУ
- 18 ПОДСОЕДИНЕНИЕ МНОГОЗОНАЛЬНОЙ СИСТЕМЫ ОТОПЛЕНИЯ
- 20 АКСЕССУАРЫ, КОТОРЫЕ НЕ ВКЛЮЧЕНЫ В КОМПЛЕКТ ПОСТАВКИ; Kt
- 21 Функц очистки дымохода
- 22 ПОРЯДОК ПЕРЕВОДА КОТЛА НА ДРУГОЙ ТИП ГАЗА; B B
- 23 ПАРАМЕТРЫ ГОРЕНИЯ ГАЗА; КОНТРОЛЬ ПРОДУКТОВ СГОРАНИЯ; ВАЖНО
- 24 УСТРОЙСТВА ДЛЯ РЕГУЛИРОВАНИЯ И БЕЗОПАСНОСТИ; MIN; MAX
- 25 ЕЖЕГОДНОЕ ТЕХОБСЛУЖИВАНИЕ; ГИДРАВЛИЧЕСКИЙ УЗЕЛ; РАСПОЛОЖЕНИЕ ЭЛЕКТРОДОВ
- 26 ДЕМОНТАЖ И УТИЛИЗАЦИЯ
- 27 ТЕХНИЧЕСКИЕ ХАРАКТЕРИСТИКИ; II
Газовый котёл луна платинум +1.32 ГА При первом пуске выдает ошибку Е 110/422 Котёл абсолютно новый