Котел Baxi LUNA Platinum+ 1.24 GA - инструкция пользователя по применению, эксплуатации и установке на русском языке. Мы надеемся, она поможет вам решить возникшие у вас вопросы при эксплуатации техники.
Если остались вопросы, задайте их в комментариях после инструкции.
"Загружаем инструкцию", означает, что нужно подождать пока файл загрузится и можно будет его читать онлайн. Некоторые инструкции очень большие и время их появления зависит от вашей скорости интернета.
Загружаем инструкцию
 
123
SECTION
F
7219837.04 (1-08/16)
Содержание
- 2 не должны выполняться детьми.
- 3 СОДЕРЖАНИЕ
- 4 ОПИСАНИЕ СИМВОЛОВ; Легковоспламеняющийся материал или газ.; МЕРЫ БЕЗОПАСНОСТИ
- 5 ОБЩИЕ ПРЕДУПРЕЖДЕНИЯ; Контур горячего водоснабжения; РЕКОМЕНДАЦИИ ПО ЭКОНОМИИ ЭНЕРГИИ; Управление системой отопления
- 6 ВВОД КОТЛА В ЭКСПЛУАТАЦИЮ; ПАНЕЛЬ УПРАВЛЕНИЯ; БАЗОВЫЕ НАСТРОЙКИ ПАНЕЛИ УПРАВЛЕНИЯ
- 7 здел ПО; ВХОД В МЕНЮ КОНФИГУРАЦИИ ПАРАМЕТРОВ; Информация; МЕНЮ УСТАНОВКИ ВРЕМЕНИ И ДАТЫ
- 8 РЕГУЛИРОВАНИЕ ТЕМПЕРАТУРЫ
- 9 УСТАНОВКА ПОНИЖЕННОЙ ТЕМПЕРАТУРЫ ПОМЕЩЕНИЯ ПРИ ОТОПЛЕНИИ; C B; ПОЧАСОВОЕ ПРОГРАММИРОВАНИЕ РАБОТЫ КОТЛА
- 10 ПРОГРАММИРОВАНИЕ НА ОПРЕДЕЛЕННУЮ ГРУППУ ДНЕЙ; ПРОГРАММИРОВАНИЕ НА ОТДЕЛЬНЫЕ ДНИ
- 11 ФУНКЦИЯ БЛОКИРОВКИ ПАНЕЛИ УПРАВЛЕНИЯ; СБРОС НЕИСПРАВНОСТЕЙ
- 12 НАПОЛНЕНИЕ СИСТЕМЫ
- 13 ПЕРЕВОД КОТЛА НА ДРУГОЙ ТИП ГАЗА; ВЫКЛЮЧЕНИЕ НА ДЛИТЕЛЬНЫЙ ПЕРИОД. ЗАЩИТА ОТ ЗАМЕРЗАНИЯ; ИНСТРУКЦИИ ПО ПЛАНОВОМУ ТЕХОБСЛУЖИВАНИЮ
- 14 здел УС; ПРЕДУПРЕЖДЕНИЯ ПЕРЕД МОНТАЖОМ; ПРЕДУПРЕЖДЕНИЕ ПО ПОВОДУ ДОПОЛНИТЕЛЬНОГО НАСОСА; КОМПЛЕКТ ПОСТАВКИ; АКСЕССУАРЫ
- 15 ПРЕДУПРЕЖДЕНИЯ; КОАКСИАЛЬНЫЕ ДЫМОХОДЫ; 0° отвод сокращает возможную полную длину трубы на 1 метр.; РАЗДЕЛЬНЫЕ ДЫМОХОДЫ; 0° отвод сокращает возможную полную длину трубы на 0,5 метра.
- 16 ЕДИНЫЙ РАЗДЕЛИТЕЛЬНЫЙ КОМПЛЕКТ; ЭЛЕКТРИЧЕСКИЕ СОЕДИНЕНИЯ; КЛЕММНАЯ КОЛОДКА M1; полярность; Фаза; КЛЕММНИК M2; ПОДКЛЮЧЕНИЕ КОМНАТНОГО ТЕРМОСТАТА
- 17 УСТАНОВКА ПАНЕЛИ УПРАВЛЕНИЯ НА СТЕНУ
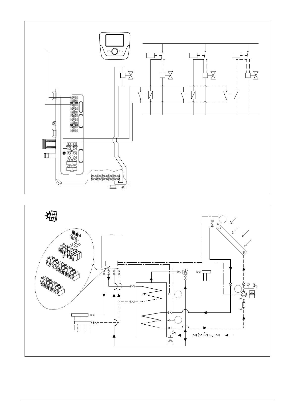
- 18 ПОДСОЕДИНЕНИЕ МНОГОЗОНАЛЬНОЙ СИСТЕМЫ ОТОПЛЕНИЯ
- 20 АКСЕССУАРЫ, КОТОРЫЕ НЕ ВКЛЮЧЕНЫ В КОМПЛЕКТ ПОСТАВКИ; Kt
- 21 Функц очистки дымохода
- 22 ПОРЯДОК ПЕРЕВОДА КОТЛА НА ДРУГОЙ ТИП ГАЗА; B B
- 23 ПАРАМЕТРЫ ГОРЕНИЯ ГАЗА; КОНТРОЛЬ ПРОДУКТОВ СГОРАНИЯ; ВАЖНО
- 24 УСТРОЙСТВА ДЛЯ РЕГУЛИРОВАНИЯ И БЕЗОПАСНОСТИ; MIN; MAX
- 25 ЕЖЕГОДНОЕ ТЕХОБСЛУЖИВАНИЕ; ГИДРАВЛИЧЕСКИЙ УЗЕЛ; РАСПОЛОЖЕНИЕ ЭЛЕКТРОДОВ
- 26 ДЕМОНТАЖ И УТИЛИЗАЦИЯ
- 27 ТЕХНИЧЕСКИЕ ХАРАКТЕРИСТИКИ; II

 
  
  
  
  
  
  
  
  
  
  
  
  
  
  
  
  
  
  
  
  
  
  
  
  
  
  
  
  
  
  
  
  
  
  
  
  
  
  
  
  
  
 











