Котел Baxi LUNA HT Residential (45-65 кВт) - инструкция пользователя по применению, эксплуатации и установке на русском языке. Мы надеемся, она поможет вам решить возникшие у вас вопросы при эксплуатации техники.
Если остались вопросы, задайте их в комментариях после инструкции.
"Загружаем инструкцию", означает, что нужно подождать пока файл загрузится и можно будет его читать онлайн. Некоторые инструкции очень большие и время их появления зависит от вашей скорости интернета.

Luna HT 1.450-1.550-1.650
руководство
для
технического
персонала
газовые
настенные
котлы
35
22.
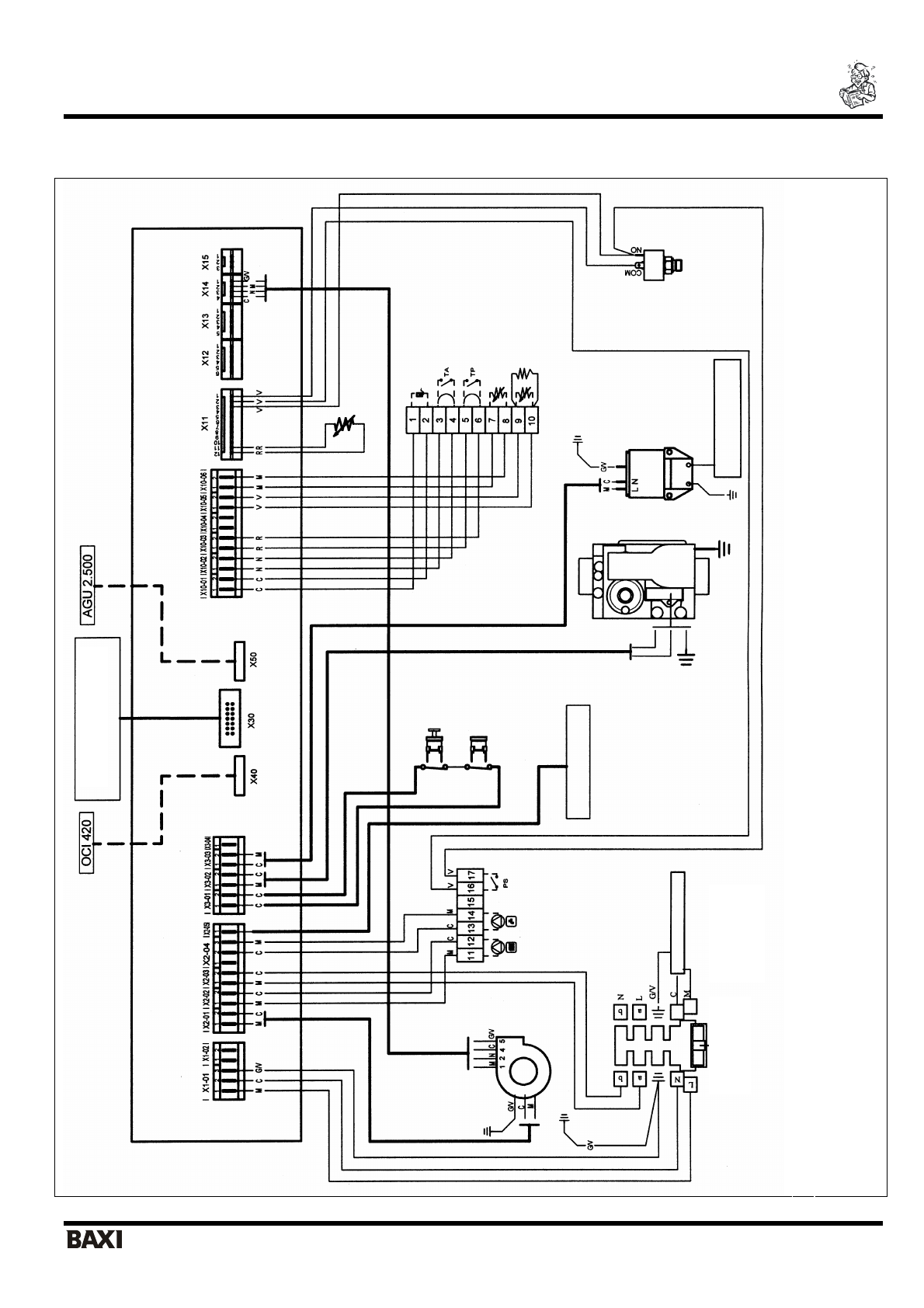
Схема
электрических
соединений
–
R =
красный
G/V
=
жел
то
-
зеле
н
ы
й
B =
белый
Ц
вет
п
р
ов
о
д
ов
С
=
гол
уб
о
й
М
=
корич
н
евый
N =
чер
н
ый
гидравл
ичес
ки
й
пр
ес
со
ст
ат
электро
д
за
жи
га
ни
я
уст
ро
йст
во
зажи
га
ни
я
Газов
ы
й
клапа
н
ДИС
П
ЛЕ
Й
дат
чик
тем
пе
рат
ур
ы
(NTC)
ко
нт
ур
а
от
оп
ле
ни
я
По
дсо
единение
:
1-2
:
ди
стан
ци
онн
ое
уп
рав
.
3-4
:
ко
мн
ат
ный
термо
ст
.
5-6
:
те
рм
ост
ат
дл
я
об
ор
уд
.
«
тепл
ые
по
лы
»
7-8
:
дат
чик
ул
ич
но
й
тем
-
ры
9-
10:
дат
чи
к
тем
-
ры
(NTC)
приоритета
ГВ
С
те
рм
ост
ат
-
дат
чик
тяг
и
те
рм
ост
ат
пер
егр
ев
а
Электрод
-
датчик
пл
амен
и
сеть
электро
пи
та
н
.
пл
ав
ки
й
пре
дох
ра
нит
ел
ь
Клеммна
я
кол
одка
эл
ектр
оп
ита
ния
Пр
ог
рамм
ир
уе
мы
й
вы
ход
23
0
В
ве
нтил
ят
ор
По
дс
ое
ди
не
ни
е
:
11-12
:
нас
ос
ко
нт
ур
а
от
оп
ле
ни
я
13-14
:
нас
ос
ко
нт
ур
а
ГВС
16-17
:
дат
чик
прио
ритета
ко
нту
ра
ГВ
С
Характеристики
Остались вопросы?Не нашли свой ответ в руководстве или возникли другие проблемы? Задайте свой вопрос в форме ниже с подробным описанием вашей ситуации, чтобы другие люди и специалисты смогли дать на него ответ. Если вы знаете как решить проблему другого человека, пожалуйста, подскажите ему :)