Baxi Luna HT Residential 1.450 - Инструкция по эксплуатации - Страница 39

Котел Baxi Luna HT Residential 1.450 - инструкция пользователя по применению, эксплуатации и установке на русском языке. Мы надеемся, она поможет вам решить возникшие у вас вопросы при эксплуатации техники.

Если остались вопросы, задайте их в комментариях после инструкции.

"Загружаем инструкцию", означает, что нужно подождать пока файл загрузится и можно будет его читать онлайн. Некоторые инструкции очень большие и время их появления зависит от вашей скорости интернета.
Страница:
/ 40
Загружаем инструкцию
background image

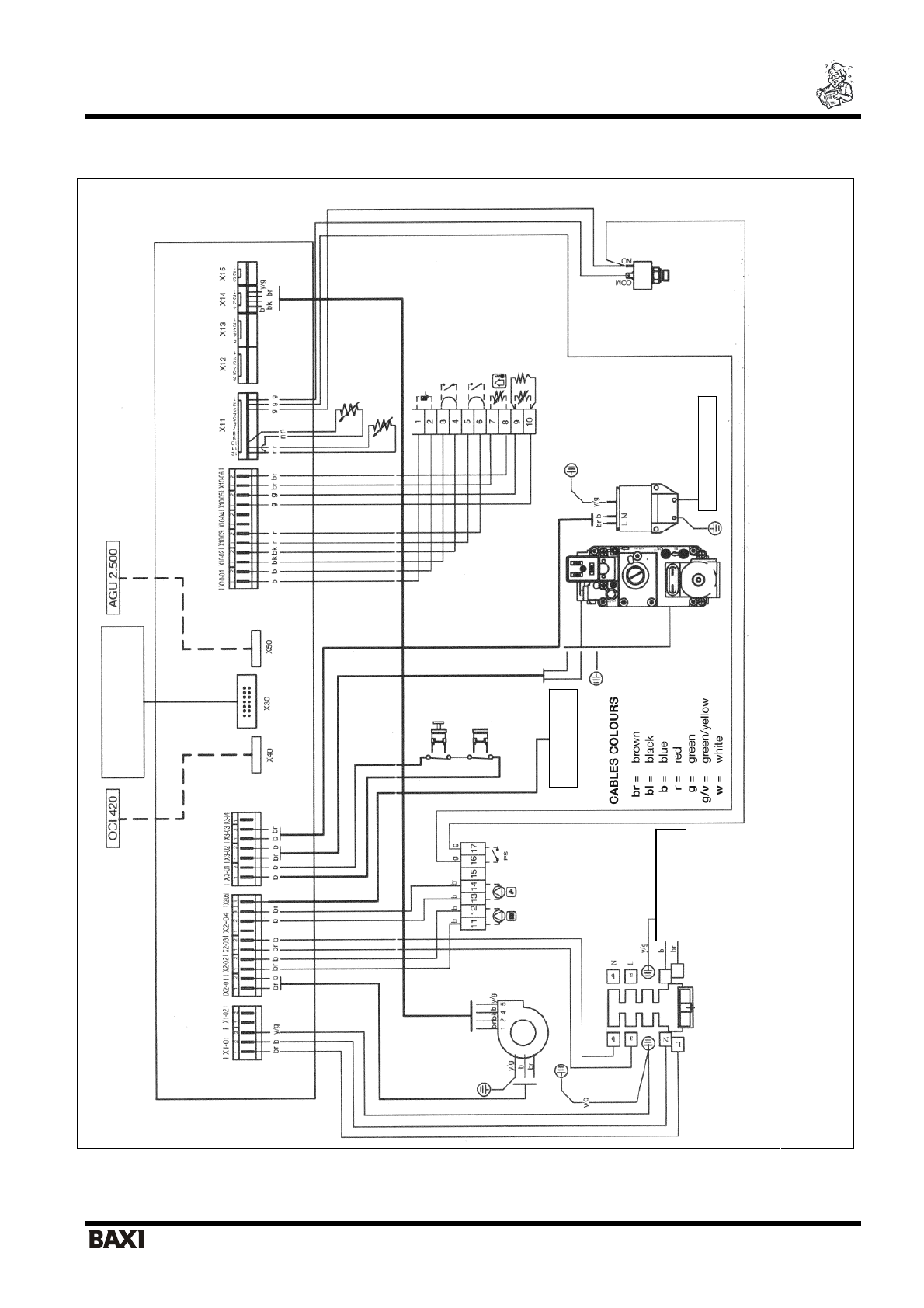
Luna HT 1.850-1.1000

                                                            

 

 

 

   

 

   

                                                                                                                   

 

 

 

 

38

22. 

 

 

 

  

 

 

r = 

 

g/v = 

-

 

w = 

 

g = 

 

 

 

 

 

    

   

   

   

   

   

   

   

   

  

    

   

   

   

   

   

   

   

   

  

    

   

   

   

   

   

   

   

   

  

    

   

   

   

   

   b

 = 

 

    

   

   

   

   

   

   

   

   

  

    

   

   

   

   

   

   

   

   

  

    

   

   

   

   

   

   

   

   

  

    

   

   

   

   

   b

r = 

 

    

   

   

   

   

   

   

   

   

  

    

   

   

   

   

   

   

   

   

  

    

   

   

   

   

   

   

   

   

  

    

   

   

   

   

   

 bl = 

 

 

 

 

 

 

 

 

 

 

 

  

 

(NTC) 

 

 

1-2

:

 

. QA

A73 

3-4:

 

 

5-6

 

  

. «

 

» 

7-8:

 

 

 

-

 

9-10

  

-

  

(NTC) 

 

 

 -

 

 

  

 

Э

-

 

 

 

 

 

 

 

 

 

 

 

  

 

11-

12:

 

 

 

 

13-

14

 

 

 

16-

17:

 

 

 

 

 

 

  

 

(NTC) 

 

 

Полезные видео

Характеристики

Оцените статью
tehnopanorama.ru
Остались вопросы?

Не нашли свой ответ в руководстве или возникли другие проблемы? Задайте свой вопрос в форме ниже с подробным описанием вашей ситуации, чтобы другие люди и специалисты смогли дать на него ответ. Если вы знаете как решить проблему другого человека, пожалуйста, подскажите ему :)

Задать вопрос

Часто задаваемые вопросы
Как посмотреть инструкцию к Baxi Luna HT Residential 1.450?
Необходимо подождать полной загрузки инструкции в сером окне на данной странице
Руководство на русском языке?
Все наши руководства представлены на русском языке или схематично, поэтому вы без труда сможете разобраться с вашей моделью
Как скопировать текст из PDF?
Чтобы скопировать текст со страницы инструкции воспользуйтесь вкладкой "HTML"