Котел Baxi LUNA Duo-tec MP (35-50-60-70 кВт) - инструкция пользователя по применению, эксплуатации и установке на русском языке. Мы надеемся, она поможет вам решить возникшие у вас вопросы при эксплуатации техники.
Если остались вопросы, задайте их в комментариях после инструкции.
"Загружаем инструкцию", означает, что нужно подождать пока файл загрузится и можно будет его читать онлайн. Некоторые инструкции очень большие и время их появления зависит от вашей скорости интернета.
Загружаем инструкцию

7112341.01 (1-01/13)
22
S
E
C
T
IO
N
A
Содержание
- 3 ОПИСАНИЕ СИМВОЛОВ; использовать Ваше изделие.; МЕРЫ БЕЗОПАСНОСТИ; • Погасить открытое пламя, открыть окно.; БАКСИ
- 4 ОБЩИЕ ПРЕДУПРЕЖДЕНИЯ; создав тем самым опасную ситуацию.; Контур отопления; следовать указаниям инструкций по их применению.; РЕКОМЕНДАЦИИ ПО ЭКОНОМИИ ЭНЕРГИИ; Управление системой отопления
- 5 ВВОД КОТЛА В ЭКСПЛУАТАЦИЮ; РЕГУЛИРОВКА ТЕМПЕРАТУРЫ ПОДАЧИ ОТОПЛЕНИЯ И ГОРЯЧЕЙ ВОДЫ
- 6 ВЫКЛЮЧЕНИЕ НА ДЛИТЕЛЬНЫЙ ПЕРИОД. ЗАЩИТА ОТ ЗАМЕРЗАНИЯ; ПЕРЕВОД КОТЛА НА ДРУГОЙ ТИП ГАЗА; Описание НЕИСПРАВНОСТИ
- 7 МЕНЮ ИНФОРМАЦИИ О КОТЛЕ; Описание; НАПОЛНЕНИЕ СИСТЕМЫ; чтобы облегчить выход воздуха.; ИНСТРУКЦИИ ПО ПЛАНОВОМУ ТЕХОБСЛУЖИВАНИЮ; Специализированным Сервисным Центром.
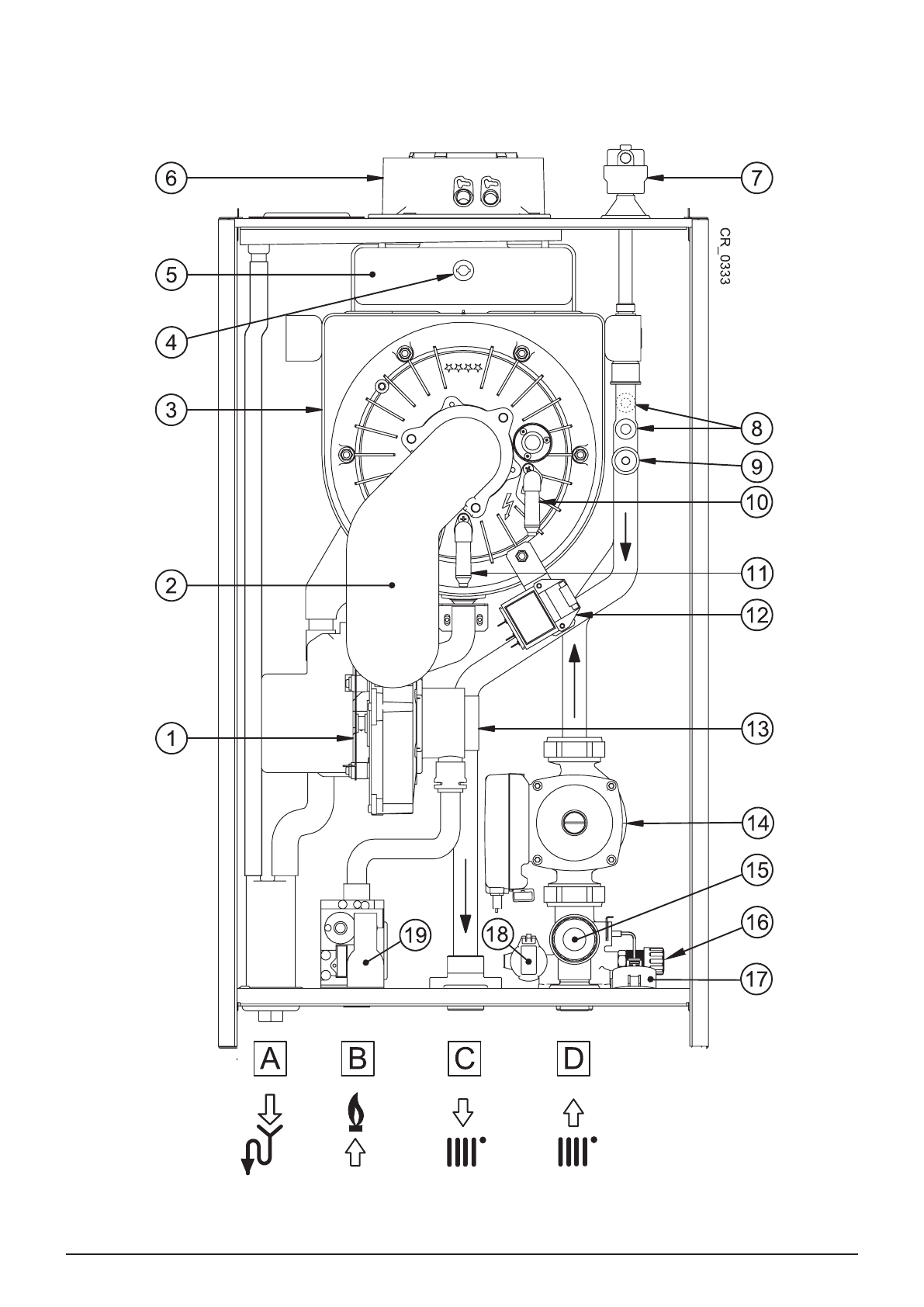
- 8 ПРЕДУПРЕЖДЕНИЯ ПЕРЕД МОНТАЖОМ; “SECTION” E; Форма шаблона приведена в конце руководства в приложении; системе обеспечивается соответствующими насосами (; “SECTION”
- 9 МОНТАЖ ДЫМОХОДА И ВОЗДУХОВОДА; ПРЕДУПРЕЖДЕНИЯ; ТАБЛИЦА 1A; КОАКСИАЛЬНЫЕ ДЫМОХОДЫ; 0° отвод сокращает возможную полную длину трубы на 1 метр.; РАЗДЕЛЬНЫЕ ДЫМОХОДЫ; 0° отвод сокращает возможную полную длину трубы на 0,5 метра.
- 10 КАСКАДНЫЙ ТИП СОЕДИНЕНИЯ ДЫМОХОДОВ; ТАБЛИЦА 1B; ЭЛЕКТРИЧЕСКИЕ СОЕДИНЕНИЯ; “SECTION” B; КЛЕММНАЯ КОЛОДКА M1; Фаза; КЛЕММНИК M2
- 11 КЛЕММНАЯ КОЛОДКА M3; ПОДКЛЮЧЕНИЕ КОМНАТНОГО ТЕРМОСТАТА
- 13 ВНЕШНИЕ МОДУЛИ УПРАВЛЕНИЯ СИСТЕМОЙ
- 14 СПЕЦИАЛЬНЫЕ ФУНКЦИИ; ФУНКЦИЯ УДАЛЕНИЯ ВОЗДУХА ИЗ СИСТЕМЫ ОТОПЛЕНИЯ; ФУНКЦИЯ КАЛИБРОВКИ ГАЗОВОГО КЛАПАНА; On; ФУНКЦ ОЧИСТКИ ДЫМОХОДА; НЕИСПРАВНОСТИ, КОТОРЫЕ НЕ МОГУТ БЫТЬ УСТРАНЕНЫ; НЕИСПРАВНОСТИ; НАСТРОЙКА ПАРАМЕТРОВ; On
- 16 КАЛИБРОВКА ГАЗОВОГО КЛАПАНА; ) Настройка МАКСИМАЛЬНОЙ мощности; ) Настройка МИНИМАЛЬНОЙ мощности; Проверить, что содержание
- 17 ТАБЛИЦА 2; УСТРОЙСТВА ДЛЯ РЕГУЛИРОВАНИЯ И БЕЗОПАСНОСТИ
- 18 ЕЖЕГОДНОЕ ТЕХНИЧЕСКОЕ ОБСЛУЖИВАНИЕ
- 19 ЧИСТКА СИФОНА СЛИВА КОНДЕНСАТА; ЧИСТКА ТЕПЛООБМЕННИКА
- 20 ПРОВЕРКА ГОРЕЛКИ; РАСПОЛОЖЕНИЕ ЭЛЕКТРОДОВ; ПАРАМЕТРЫ ПРОДУКТОВ СГОРАНИЯ
- 21 ТЕХНИЧЕСКИЕ ХАРАКТЕРИСТИКИ; II
- 32 ИЗМЕНЕННЫЕ ПАРАМЕТРЫ; ЗНАЧЕНИЕ