Котел Baxi Luna Duo-tec MP 1.70 - инструкция пользователя по применению, эксплуатации и установке на русском языке. Мы надеемся, она поможет вам решить возникшие у вас вопросы при эксплуатации техники.
Если остались вопросы, задайте их в комментариях после инструкции.
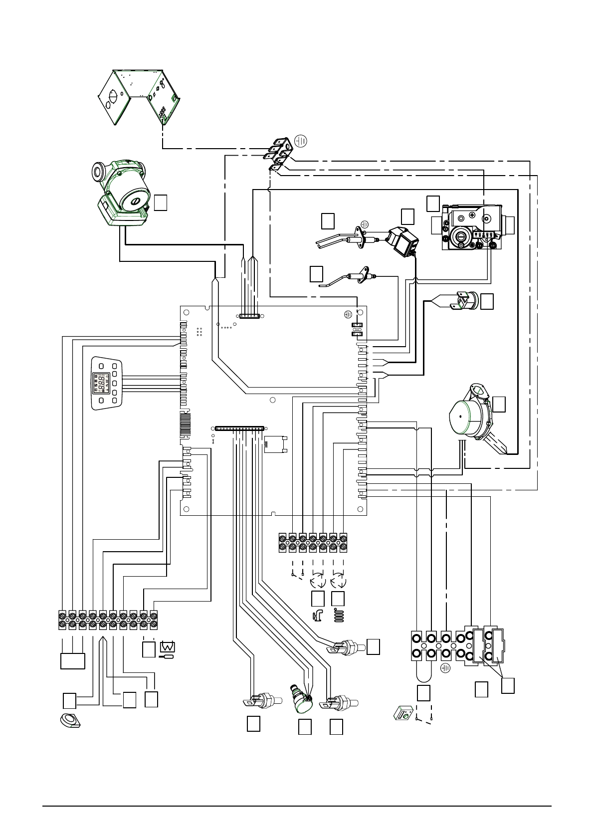
"Загружаем инструкцию", означает, что нужно подождать пока файл загрузится и можно будет его читать онлайн. Некоторые инструкции очень большие и время их появления зависит от вашей скорости интернета.

7112341.01 (1-01/13)
24
S
E
C
T
IO
N
B
M
1
3
2
1
4
5
6
7
8
1
2
1
3
1
4
1
5
1
7
1
6
1
8
1
9
1
1
1
0
C
R
_
0
3
2
3
9
X
1
0
X
1
1
X
1
2
X
1
3
X
1
4
X
1
X
2
X
2
3
X
7
0
X
6
0
X
2
2
X
5
0
X
4
2
X
4
1
X
4
0
X
3
0
X
2
1
X
2
0
B
B
V
N
R
C
C
R
R
B
B
C
M
V
N
M
N
C
V
N
V
M
C
C
C
C
C
N
V
b
a
M
C
G
/V
G
/V
G
/V
G
/V
G
/V
G
/V
G
/V
G
/V
G
/V
G
/V
1
1
5
M
N
P
Y
B
R
L
N
1
2
M
C
G
/V
G
/V
G
/V
N
M
N
C
M
C
M
1
0
9
8
7
6
5
4
3
2
1
M
2
V
V
V
V
V
N
1
2
3
4
5
6
7
M
3
R
N
2
0
2
1
B
N
R
N
R
V
C
C
R
R
N
M
V
N
N
R
C
M
M
C
C
C
G
/V
G
/V
G
/V
G/V
Y
P
N
M
C
M
C