Baxi LUNA-3 - Инструкция по эксплуатации - Страница 7

Котел Baxi LUNA-3 - инструкция пользователя по применению, эксплуатации и установке на русском языке. Мы надеемся, она поможет вам решить возникшие у вас вопросы при эксплуатации техники.

Если остались вопросы, задайте их в комментариях после инструкции.

"Загружаем инструкцию", означает, что нужно подождать пока файл загрузится и можно будет его читать онлайн. Некоторые инструкции очень большие и время их появления зависит от вашей скорости интернета.
Страница:
/ 35
Загружаем инструкцию
background image

Luna 3                                                                                                                                                                               

 

я

 

я

   

 

 

                                                                                           7                                                                

 

 

 

ECO 

 ECO 

 

 

 

 

 

 

 

 

 

 

 

  . 

 

 

 ECO 

 

 

 «eco». 

 

 

   

 ECO 

 

 +/-

 

COMFORT 

 

 COMFORT 

 

 

 

 

 

 

 

 

 

 

 

  . 

 

 

   

 COMFORT 

 

 +/-

 

И

ИЕ

 

 

 

 

я

 

 

 

 

 

 

 

 

 

я я

я

 

 (

)   

 

   

 

5. 

 

 

 

!

 

 

 

 

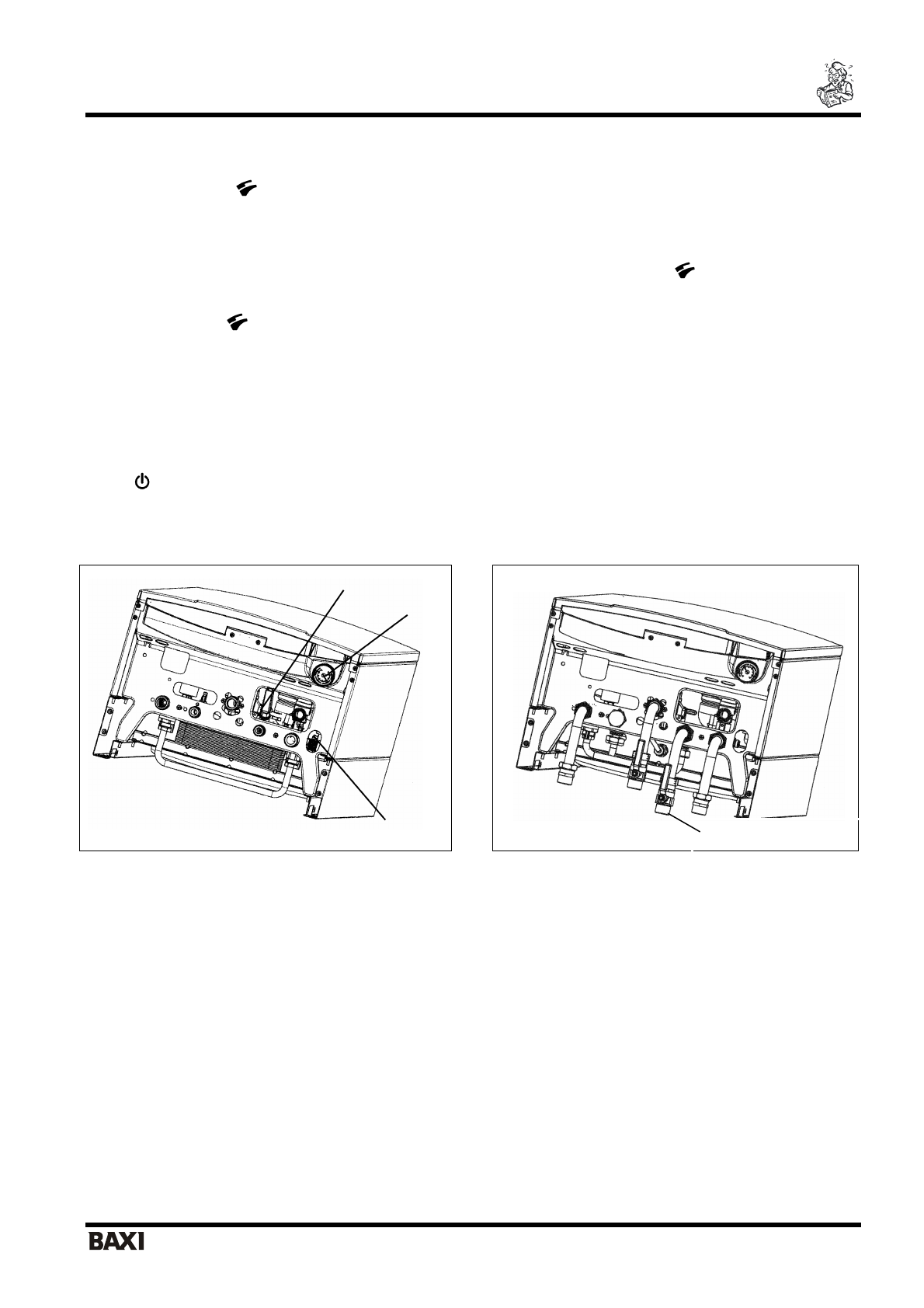
  (

. 3), 

 

 

   

 

 0,7 

 1,5 

 

 

 

 

 

 

 

 

 

 

 

 

 

 

 

 (

. 3).  

 

 

 

 

 

 

 

 

 

 

 

 

 

 

   

 OFF (

), 

 

 

 

 

 (

 3.2). 

 

 

 

 

 

 

 

 

 

 
 

6. 

 

 

 

 

 

 

 

 

 

 

 

 

   

 «OFF», 

 

  (

 3.2), 

 

 

 

 

 

 

 

7. 

 

 

 

 

 

 

 

 

 

 

 

 

   

 

 

 

 

 

 

 

 

 

 

 

 

8. 

 

 

 

 

 

 

 

 

 

 

 

 

 

 

,  . . 

 

 

 

   

   

 

 

 

 

   

 

 

 

   

 

   

 

 

 

 

   

 

 

 

 – 

.   

 

 

 

 

 

 

 

 

 

 

 

 

 (

 

  

 

 

 

 

240i – 240 Fi – 280 Fi – 310 Fi 

1.240 Fi – 1.310 Fi 

 

 

 

.3  

 

 

 

 

.3  

Полезные видео

Характеристики

Оцените статью
tehnopanorama.ru
Остались вопросы?

Не нашли свой ответ в руководстве или возникли другие проблемы? Задайте свой вопрос в форме ниже с подробным описанием вашей ситуации, чтобы другие люди и специалисты смогли дать на него ответ. Если вы знаете как решить проблему другого человека, пожалуйста, подскажите ему :)

Задать вопрос

Часто задаваемые вопросы
Как посмотреть инструкцию к Baxi LUNA-3?
Необходимо подождать полной загрузки инструкции в сером окне на данной странице
Руководство на русском языке?
Все наши руководства представлены на русском языке или схематично, поэтому вы без труда сможете разобраться с вашей моделью
Как скопировать текст из PDF?
Чтобы скопировать текст со страницы инструкции воспользуйтесь вкладкой "HTML"