Котел Baxi LUNA-3 COMFORT - инструкция пользователя по применению, эксплуатации и установке на русском языке. Мы надеемся, она поможет вам решить возникшие у вас вопросы при эксплуатации техники.
Если остались вопросы, задайте их в комментариях после инструкции.
"Загружаем инструкцию", означает, что нужно подождать пока файл загрузится и можно будет его читать онлайн. Некоторые инструкции очень большие и время их появления зависит от вашей скорости интернета.

77
7109153.02 - ru
РУКОВОДСТВО ДЛЯ ТЕХНИЧЕСКОГО ПЕРСОНАЛА
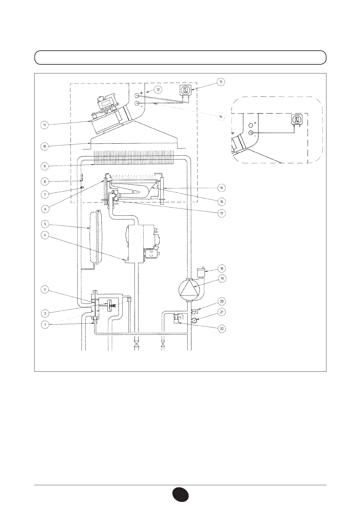
1.240 Fi - 1.310 Fi
Обозначения:
1 автоматический байпас
2 гидравлический прессостат
3 трехходовой клапан
4 газовый клапан
5 расширительный бак
6 электрод зажигания
7 датчик температуры (тип NTC) контура отопления
8 термостат перегрева
9 первичный теплообменник
10 дымовой колпак
11 вентилятор
12 точка положительного давления (для модели1.310 Fi
точка положительного давления должна быть закрыта)
13 пневмореле – датчик тяги
14 точка отрицательного давления
15 электрод контроля пламени
16 горелка
17 рампа подачи газа с форсунками
18 автоматический воздухоотводчик
19 насос с автоматическим воздухоотводчиком
20 кран слива воды из котла
21 манометр
22 предохранительный клапан
Рис.22
0609_0502 / C
G_1845
0606_2701
1.310 Fi
подача
в систему
отопления
камера сгорания
выход
горячей
воды
газ
подача
холодной
воды
возврат из
системы
отопления
Содержание
- 2 СОДЕРЖАНИЕ; РУКОВОДСТВО ДЛЯ ПОЛЬЗОВАТЕЛЯ
- 3 ПОДГОТОВКА К УСТАНОВКЕ
- 5 ЗНАЧЕНИЕ СИМВОЛА; • ЛЕТО; (ЛЕТО – ЗИМА – ТОЛЬКО ОТОПЛЕНИЕ – ВЫКЛЮЧЕНО); АВТОМАТИЧЕСКИЙ РЕЖИМ (на дисплее символ )
- 6 УСТАНОВКА ДАТЫ - ВРЕМЕНИ; ПОЧАСОВАЯ ПРОГРАММА РАБОТЫ КОТЛА НА СИСТЕМУ ОТОПЛЕНИЯ
- 7 ЗНАЧЕНИЯ, УСТАНОВЛЕННЫЕ НА ЗАВОДЕ; СИСТЕМЫ ОТОПЛЕНИЯ
- 8 Сводная таблица программируемых групп дней; с понедельника до пятницы; DAY 6 7; суббота и воскресенье; ПОЧАСОВАЯ ПРОГРАММА РАБОТЫ КОТЛА НА СИСТЕМУ ГВС; IP
- 9 СПЕЦИАЛЬНЫЕ ФУНКЦИИ
- 10 Функция
- 11 «MANUALE»; «АМВ»; ВАЖНО; ЗАПОЛНЕНИЕ СИСТЕМЫ
- 12 ВЫКЛЮЧЕНИЕ НА ДЛИТЕЛЬНЫЙ ПЕРИОД. ЗАЩИТА ОТ ЗАМЕРЗАНИЯ; НЕИСПРАВНОСТЬ и БЛОКИРОВКА
- 13 УКАЗАНИЯ ПО УХОДУ
- 14 Система отопления; ПРОВЕРКИ ПЕРЕД УСТАНОВКОЙ КОТЛА
- 15 ГАБАРИТНЫЕ РАЗМЕРЫ КОТЛА
- 16 УСТАНОВКА ДЫМОХОДА И ВОЗДУХОВОДА; 0° изгиб сокращает возможную полную длину трубы на 1 м.; Модель
- 17 ВАРИАНТЫ ГОРИЗОНТАЛЬНОЙ УСТАНОВКИ НАКОНЕЧНИКА ДЫМОХОДА
- 18 • Колено 90° сокращает максимально возможную длину труб на 0,5 м.; ДИАФРАГМУ на; Да
- 20 ПОДКЛЮЧЕНИЕ К ЭЛЕКТРОПИТАНИЮ
- 21 УСТАНОВКА ВЫНОСНОЙ ПАНЕЛИ УПРАВЛЕНИЯ; УСТАНОВКА ПАРАМЕТРОВ; «MODUL»; ПОДСОЕДИНЕНИЕ КОМНАТНОГО ТЕРМОСТАТА
- 22 ФУНКЦИОНИРОВАНИЕ КНОПКИ; УСТАНОВКА ВЫНОСНОЙ ПАНЕЛИ УПРАВЛЕНИЯ НА СТЕНЕ; ПОРЯДОК ПЕРЕВОДА КОТЛА НА ДРУГОЙ ТИП ГАЗА И НАСТРОЙКИ ДАВЛЕНИЯ
- 23 КЛАПАН SIT - SIGMA 845
- 24 ПОРЯДОК ВЫВОДА ИНФОРМАЦИИ И ПРЕДВАРИТЕЛЬНЫЕ УСТАНОВКИ; ПРЕДВАРИТЕЛЬНАЯ ИНФОРМАЦИЯ
- 25 УСТАНАВЛИВАЕМЫЕ ПАРАМЕТРЫ; ДОПОЛНИТЕЛЬНАЯ ИНФОРМАЦИЯ; Лето – Зима – Лето+Сool – только отопление –
- 26 УСТАНОВКА ПАРАМЕТРОВ; Изменение параметров; Примечание; Описание параметров
- 27 УСТРОЙСТВА РЕГУЛИРОВАНИЯ И ПРЕДОХРАНИТЕЛЬНЫЕ УСТРОЙСТВА
- 28 КОНТРОЛЬ ОТХОДЯЩИХ ГАЗОВ
- 29 ПРИСОЕДИНЕНИЕ ДАТЧИКА УЛИЧНОЙ ТЕМПЕРАТУРЫ; K REG; ТМ; КЛЕММНАЯ КОЛОДКА М2
- 30 ПОДСОЕДИНЕНИЕ ДАТЧИКА БОЙЛЕРА; Кривые K REG
- 31 проверьте, чтобы параметр
- 32 ЭЛЕКТРИЧЕСКОЕ ПРИСОЕДИНЕНИЕ ЗОНАЛЬНОГО ОБОРУДОВАНИЯ; «ТА»; - ПРИСОЕДИНЕНИЕ ЗОНАЛЬНОГО ОБОРУДОВАНИЯ
- 33 ОЧИСТКА ОТ ИЗВЕСТКОВОГО НАЛЕТА В СИСТЕМЕ ГВС; через сливной кран; ДЕМОНТАЖ ВТОРИЧНОГО ТЕПЛООБМЕННИКА; ЕЖЕГОДНОЕ ТЕХНИЧЕСКОЕ ОБСЛУЖИВАНИЕ; Предупреждение
- 34 ФУНКЦИОНАЛЬНЫЕ СХЕМЫ
- 38 ХЕМЫ
- 40 Fi
- 42 ТЕХНИЧЕСКИЕ ДАННЫЕ; LUNA3 COMFORT












