Котел Baxi LUNA-3 310 Fi CSE45631366- - инструкция пользователя по применению, эксплуатации и установке на русском языке. Мы надеемся, она поможет вам решить возникшие у вас вопросы при эксплуатации техники.
Если остались вопросы, задайте их в комментариях после инструкции.
"Загружаем инструкцию", означает, что нужно подождать пока файл загрузится и можно будет его читать онлайн. Некоторые инструкции очень большие и время их появления зависит от вашей скорости интернета.

Luna 3
руководство
для
пользователя
7
газовые
настенные
котлы
ECO
Установка
ECO
дает
возможность
пользователю
быстро
задать
температуру
бытовой
горячей
воды
при
нажатии
кнопки
Р
.
При
активизации
функции
ECO
на
дисплее
высвечивается
«eco».
Для
задания
температуры
в
режиме
ECO
используйте
кнопки
+/-
.
COMFORT
Установка
COMFORT
дает
возможность
пользователю
быстро
задать
температуру
бытовой
горячей
воды
при
нажатии
кнопки
Р
.
Для
задания
температуры
в
режиме
COMFORT
используйте
кнопки
+/-
.
ВНИМАНИЕ
:
при
подсоединенном
бойлере
во
время
работы
газового
котла
на
систему
ГВС
на
дисплее
появляется
символ
(
)
и
значение
температура
в
бойлере
.
5.
Заполнение
системы
Важно
!
Регулярно
проверяйте
по
манометру
(
рис
. 3),
чтобы
давление
находилось
в
пределах
от
0,7
до
1,5
бар
при
холодной
системе
отопления
.
При
превышении
давления
откройте
сливной
клапан
.
Если
давление
ниже
нормы
откройте
кран
заполнения
(
рис
. 3).
Советуем
открывать
кран
очень
медленно
для
облегчения
стравливания
воздуха
.
Необходимо
,
чтобы
во
время
этой
операции
котел
находился
в
режиме
OFF (
Выключено
),
для
этого
нажимайте
кнопку
(
см
.
параграф
3.2).
Внимание
:
Если
давление
падает
часто
,
пусть
ваш
котел
проверит
квалифицированный
специалист
.
6.
Выключение
котла
Для
выключения
котла
необходимо
отключить
электропитание
прибора
.
Когда
переключатель
режимов
находится
в
положении
«OFF»,
котел
выключается
(
см
.
параграф
3.2),
но
электрический
контур
котла
остается
под
напряжением
.
7.
Перевод
котла
на
другой
тип
газа
Котел
может
работать
как
на
природном
,
так
и
на
сжиженном
газе
.
Перевод
котла
на
другой
тип
газа
выполняет
только
квалифицированный
специалист
.
8.
Выключение
на
длительный
период
.
Защита
от
замерзания
Рекомендуется
избегать
частых
сливов
воды
из
системы
отопления
,
т
.
к
.
частая
замена
воды
приводит
к
ненужным
и
вредным
отложениям
накипи
внутри
котла
и
теплообменников
.
Если
котел
не
используется
в
зимний
период
и
существует
опасность
замерзания
,
Вы
можете
использовать
в
системе
отопления
незамерзающие
жидкости
–
антифризы
.
В
инструкциях
производителя
антифриза
должно
быть
указано
,
что
данный
антифриз
предназначен
именно
для
систем
отопления
(
рекомендуется
использовать
240i – 240 Fi – 280 Fi – 310 Fi
1.240 Fi – 1.310 Fi
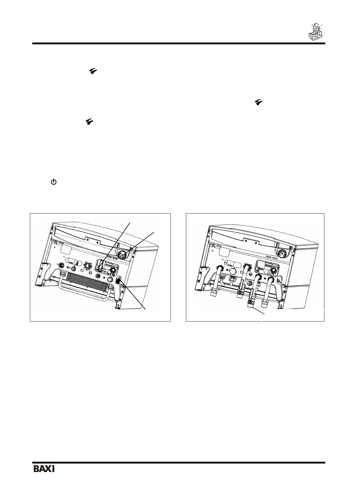
Манометр
Сливной
клапан
Рис
.3
а
Кран
заполнения
Кран
заполнения
Рис
.3
б