Котел Baxi LUNA-3 280 Fi CSE45628366- - инструкция пользователя по применению, эксплуатации и установке на русском языке. Мы надеемся, она поможет вам решить возникшие у вас вопросы при эксплуатации техники.
Если остались вопросы, задайте их в комментариях после инструкции.
"Загружаем инструкцию", означает, что нужно подождать пока файл загрузится и можно будет его читать онлайн. Некоторые инструкции очень большие и время их появления зависит от вашей скорости интернета.

Luna 3 Comfort
руководство
для
технического
персонала
26
газовые
настенные
котлы
27.
Электрическое
подключение
устройства
дистанционного
управления
(
поставляется
отдельно
)
Устройство
дистанционного
управления
не
входит
в
комплект
поставки
котла
,
а
поставляется
как
аксессуар
.
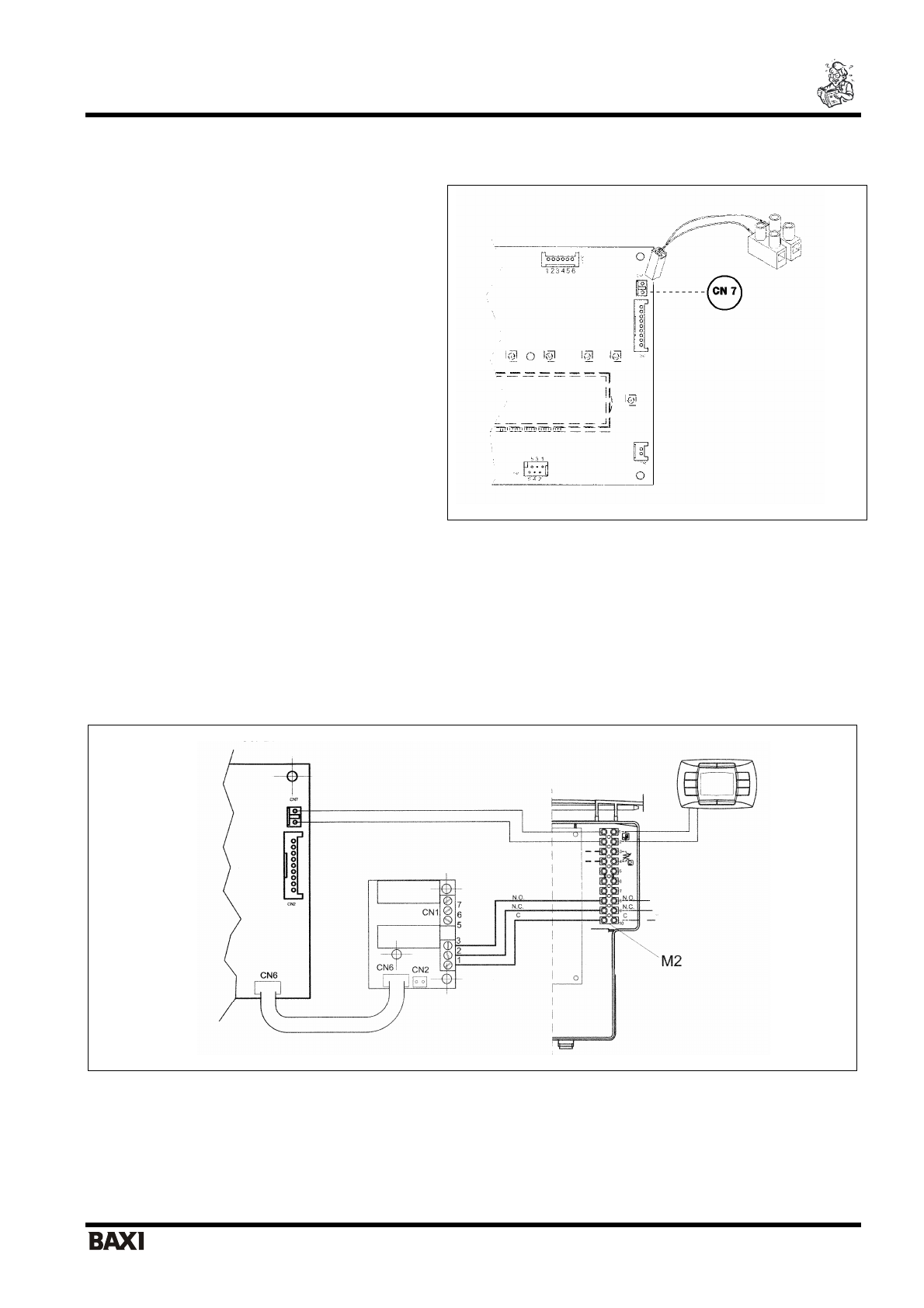
Откройте
электронную
плату
и
подключите
кабель
(
поставляется
вместе
с
двухконтактной
клеммной
колодкой
)
к
разъему
CN7
на
электронной
плате
котла
.
Подключите
контакты
устройства
дистанционного
управления
к
клеммной
колодке
(
см
.
рис
.20).
Примечание
:
Для
модели
1.310 Fi,
подключите
устройство
дистанционного
управления
как
описано
в
параграфе
28.1 (
рис
. 20)
28.
Электрическое
подключение
зонального
оборудования
28.1
Подключение
релейной
платы
(
поставляется
отдельно
).
Релейная
плата
не
входит
в
комплект
поставки
котла
и
заказывается
отдельно
.
Присоедините
клеммы
1-2-3
разъема
CN1
релейной
платы
к
клеммам
10-9-8
клеммной
колодки
М
2
котла
(
см
.
рис
. 21).
Рис
. 21
28.2
Подключение
зонального
оборудования
.
Электрические
контакты
зон
,
не
контролируемых
дистанционной
панелью
управления
,
должны
быть
запараллелены
и
подсоединены
к
клеммам
1-2 «
ТА
»
клеммной
колодки
М
1.
Снимите
перемычку
.
Зона
,
контролируемая
дистанционной
панелью
управления
,
управляется
электрическим
клапаном
зоны
1,
как
показано
на
рис
.22.
Рис
. 20
Электронная
плата
котла
Релейная
плата
реле
1
реле
2