Baxi Luna 3 240 i - Инструкция по эксплуатации - Страница 26

Котел Baxi Luna 3 240 i - инструкция пользователя по применению, эксплуатации и установке на русском языке. Мы надеемся, она поможет вам решить возникшие у вас вопросы при эксплуатации техники.

Если остались вопросы, задайте их в комментариях после инструкции.

"Загружаем инструкцию", означает, что нужно подождать пока файл загрузится и можно будет его читать онлайн. Некоторые инструкции очень большие и время их появления зависит от вашей скорости интернета.
Страница:
/ 35
Загружаем инструкцию
background image

Luna 3 Comfort                                                                                                                                           

 

я

 

 

   

 

                                                                                           26                                                                

 

 

 

27. 

 

 

 

 

 (

 

)

 

 

 

 

 

 

   

 

 

 

 

 

 

 

 

 

 

 

(

 

 

 

 

 

)   

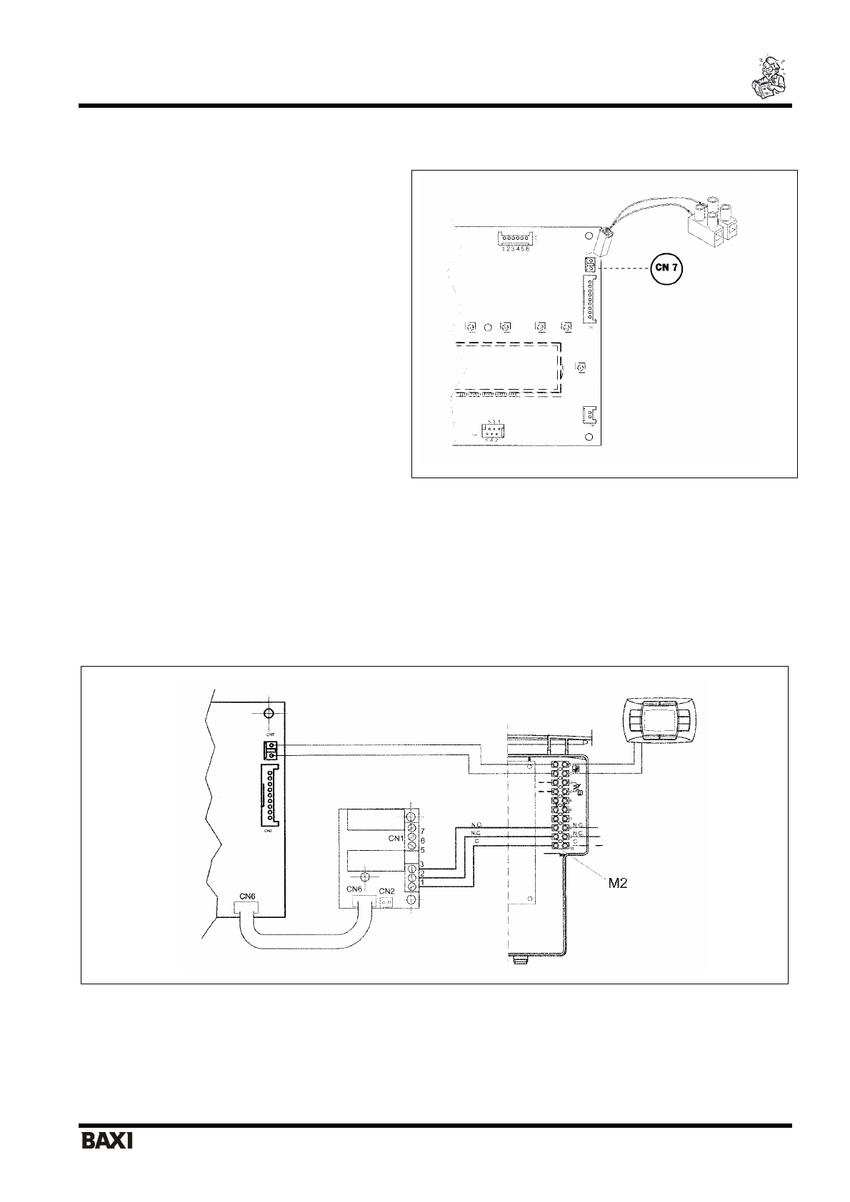
 CN7 

 

 

 

 

 

 

 

   

 

 (

.20). 

 
 
 
 
 
 
 
 
 
 
 
 
 

 

 1.310 Fi, 

 

 

 

 

 

   

 

28.1 (

. 20) 

 

28. 

 

 

 

 

 

28.1 

 

 

 (

 

). 

 

 

 

 

   

 

 

   

 

 

 1-2-3 

 

CN1

 

 

   

 10-9-8 

 

 

2

 

  (

. 21). 

 

 

 

. 21

 

 

28.2 

 

 

 

 

 

 

 

 

 

 

 

 

 

 

 

 1-2 «

» 

 

 

1. 

 

 

 

 

 

 

 

 1, 

 

 

 

.22. 

 
 

 

. 20 

 

 

 

 

 

   

 1 

   

 2 

Полезные видео

Характеристики

Оцените статью
tehnopanorama.ru
Остались вопросы?

Не нашли свой ответ в руководстве или возникли другие проблемы? Задайте свой вопрос в форме ниже с подробным описанием вашей ситуации, чтобы другие люди и специалисты смогли дать на него ответ. Если вы знаете как решить проблему другого человека, пожалуйста, подскажите ему :)

Задать вопрос

Часто задаваемые вопросы
Как посмотреть инструкцию к Baxi Luna 3 240 i?
Необходимо подождать полной загрузки инструкции в сером окне на данной странице
Руководство на русском языке?
Все наши руководства представлены на русском языке или схематично, поэтому вы без труда сможете разобраться с вашей моделью
Как скопировать текст из PDF?
Чтобы скопировать текст со страницы инструкции воспользуйтесь вкладкой "HTML"