Baxi Luna 3 240 Fi - Инструкция по эксплуатации - Страница 27

Котел Baxi Luna 3 240 Fi - инструкция пользователя по применению, эксплуатации и установке на русском языке. Мы надеемся, она поможет вам решить возникшие у вас вопросы при эксплуатации техники.

Если остались вопросы, задайте их в комментариях после инструкции.

"Загружаем инструкцию", означает, что нужно подождать пока файл загрузится и можно будет его читать онлайн. Некоторые инструкции очень большие и время их появления зависит от вашей скорости интернета.
Страница:
/ 35
Загружаем инструкцию
background image

Luna 3 Comfort                                                                                                                                           

 

я

 

 

   

 

                                                                                           27                                                                

 

 

 

 

 

. 22

 

 

29. 

 

 

 

   

 

 

 

 

 

 

 

 

 

 

 

 

 

 

 

 

 

 (

 

 

   

 

 

 

 

 

   

 1.240   1.310

 

 

 

 

 

 

 

 

 

 

 

   

 

 

 

 

 

 

 

 

 

 

 

 

 

 

 

 

 

 

 

 

 

 

 

 

 

 

 

 

 

 

 

 

 

 

 

 

,   

 

 

 

 

 

 

 

 

 NTC 

 

   

 

 

 

 

 

 

 

 

 

 

 Cillit FFW-AL   Benckiser HF-

AL. 
 

30. 

 

 

 

 

 

   

 1.240   1.310

 

 

 

 

 

 

 

 

   

 

 

 

 

 

 

 

 

 

 

 

 

 

 

 

 

 

 

 

 

 

 

 

 

 

 

 (

 

 

), 

 

 

,   

 

 (

. 23). 

 

31. 

 

 

 

 

 

 

 

 

   

 1.240   1.310

 

 

 

 

 

 

 

 

 

 

 

 

 

 

 

 

 

 

 

 

 

 

 

 

 (

.23); 

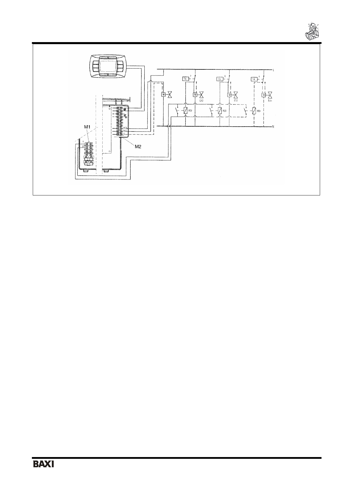
 2,

 

 

 3,

 

 

 N,

 

 

 

  

  

 

 1 

 1,

 

 

 1

 

 

Полезные видео

Характеристики

Оцените статью
tehnopanorama.ru
Остались вопросы?

Не нашли свой ответ в руководстве или возникли другие проблемы? Задайте свой вопрос в форме ниже с подробным описанием вашей ситуации, чтобы другие люди и специалисты смогли дать на него ответ. Если вы знаете как решить проблему другого человека, пожалуйста, подскажите ему :)

Задать вопрос

Часто задаваемые вопросы
Как посмотреть инструкцию к Baxi Luna 3 240 Fi?
Необходимо подождать полной загрузки инструкции в сером окне на данной странице
Руководство на русском языке?
Все наши руководства представлены на русском языке или схематично, поэтому вы без труда сможете разобраться с вашей моделью
Как скопировать текст из PDF?
Чтобы скопировать текст со страницы инструкции воспользуйтесь вкладкой "HTML"