Котел Baxi FOURTECH - инструкция пользователя по применению, эксплуатации и установке на русском языке. Мы надеемся, она поможет вам решить возникшие у вас вопросы при эксплуатации техники.
Если остались вопросы, задайте их в комментариях после инструкции.
"Загружаем инструкцию", означает, что нужно подождать пока файл загрузится и можно будет его читать онлайн. Некоторые инструкции очень большие и время их появления зависит от вашей скорости интернета.

Fourtech
руководство
для
технического
персонала
25
газовые
настенные
котлы
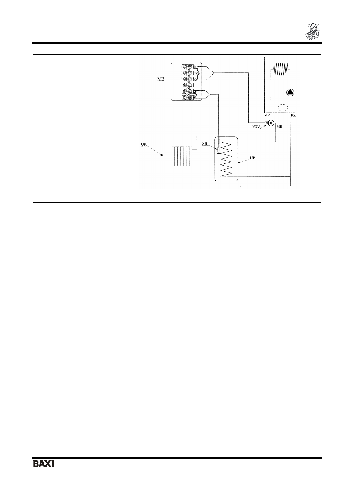
Рис
. 14
Условные
обозначения
UB
–
бойлер
UR
–
система
центрального
отопления
V3V
–
трехходовый
клапан
M2
–
клеммная
колодка
SB
–
датчик
приоритета
для
контура
ГВС
MR
–
подача
в
систему
отопления
MB
–
подача
в
бойлер
RR
–
возврат
из
систем
отопления
/
ГВС