Котел Baxi ECO4S 18 F 7659669— - инструкция пользователя по применению, эксплуатации и установке на русском языке. Мы надеемся, она поможет вам решить возникшие у вас вопросы при эксплуатации техники.
Если остались вопросы, задайте их в комментариях после инструкции.
"Загружаем инструкцию", означает, что нужно подождать пока файл загрузится и можно будет его читать онлайн. Некоторые инструкции очень большие и время их появления зависит от вашей скорости интернета.

29
7658828.02 - ru
РУКОВОДСТВО ДЛЯ ТЕХНИЧЕСКОГО ПЕРСОНАЛА
1.24 F
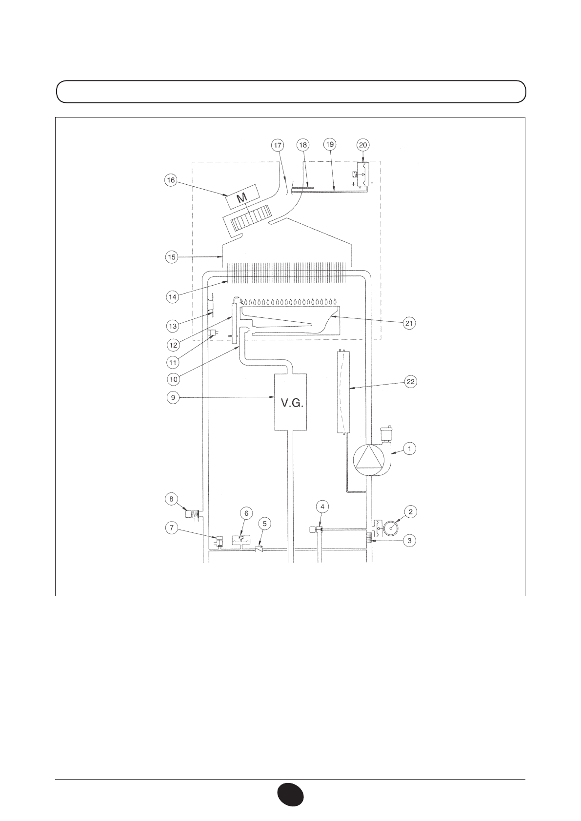
Рис. 19
подача в
систему
отопления
газ
подача
холодной
воды
возврат из
системы
отопления
Обозначения:
электрод зажигания/контроля пламени
термостат перегрева
первичный теплообменник
дымовой колпак
вентилятор
устройство Вентури
точка положительного давления
точка отрицательного давления
пневмореле - датчик контроля тяги
горелка
расширительный бак
12
13
14
15
16
17
18
19
20
21
22
1
2
3
4
5
6
7
8
9
10
11
Циркуляционный насос с автоматическим
воздухоотводчиком
манометр
съемный фильтр на обратке контура отопления
вентиль заполнения системы отопления
запорный перепускной на автоматическом байпасе
реле минимального давления
кран слива теплоносителя из котла
сбросной предохранительный клапан (3 бар)
газовый клапан
рампа подачи газа с форсунками
датчик температуры контура отопления
CG_2084 / 1001_1804
РУК
О
ВО
ДС
ТВ
О
ДЛЯ
ТЕХНИЧЕСК
О
ГО
ПЕР
С
О
НА
ЛА












