Котел Baxi ECO-3 280 Fi - инструкция пользователя по применению, эксплуатации и установке на русском языке. Мы надеемся, она поможет вам решить возникшие у вас вопросы при эксплуатации техники.
Если остались вопросы, задайте их в комментариях после инструкции.
"Загружаем инструкцию", означает, что нужно подождать пока файл загрузится и можно будет его читать онлайн. Некоторые инструкции очень большие и время их появления зависит от вашей скорости интернета.

ECO 3
руководство
для
технического
персонала
28
газовые
настенные
котлы
19.2 – 240 i
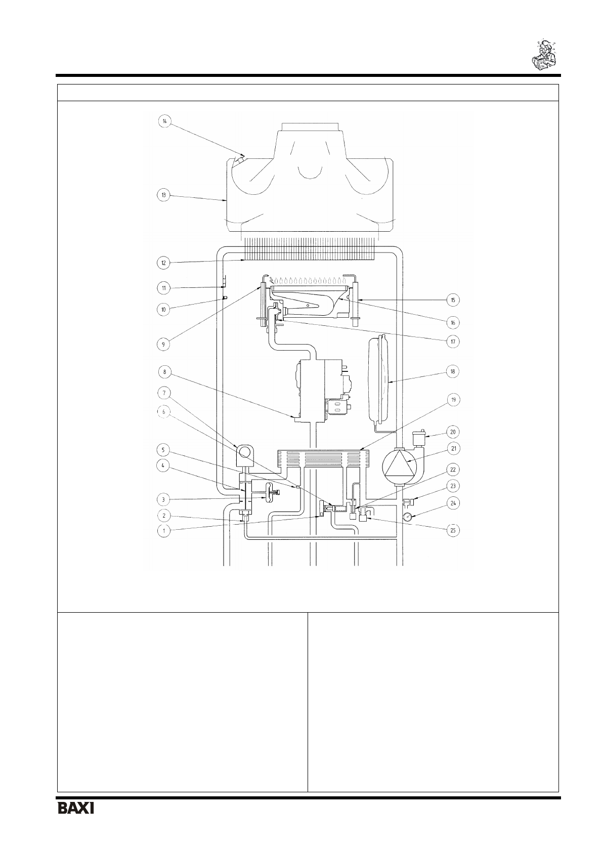
Рис
.21
Обозначения
:
1 -
датчик
приоритета
контура
ГВС
2 -
автоматический
байпас
3 -
гидравлический
прессостат
4 -
трехходовой
клапан
5 -
датчик
температуры
(
тип
NTC)
контура
ГВС
6 -
устройство
Вентури
с
фильтром
и
ограничителем
напора
воды
7 -
мотор
трехходового
клапана
8 -
газовый
клапан
9 -
электрод
зажигания
10 -
датчик
температуры
(
тип
NTC)
контура
отопления
11 -
термостат
перегрева
12 -
первичный
теплообменник
13 -
дымовой
колпак
14 -
термостат
–
датчик
тяги
15 -
электрод
контроля
пламени
16 -
горелка
17 -
рампа
подачи
газа
с
форсунками
18 -
расширительный
бак
19 -
пластинчатый
теплообменник
системы
ГВС
20 -
автоматический
воздухоотводчик
21 -
насос
с
автоматическим
воздухоотводчиком
22 -
кран
заполнения
котла
23 -
кран
слива
воды
из
котла
24 -
манометр
25 –
предохранительный
клапан
подача
в
систему
отопления
выход
горячей
воды
газ
подача
холодной
воды
возврат
из
системы
отопления