Котел BAXI CSB45728358 - инструкция пользователя по применению, эксплуатации и установке на русском языке. Мы надеемся, она поможет вам решить возникшие у вас вопросы при эксплуатации техники.
Если остались вопросы, задайте их в комментариях после инструкции.
"Загружаем инструкцию", означает, что нужно подождать пока файл загрузится и можно будет его читать онлайн. Некоторые инструкции очень большие и время их появления зависит от вашей скорости интернета.

77
7221787.03 - ru
РУКОВОДСТВО ДЛЯ ТЕХНИЧЕСКОГО ПЕРСОНАЛА
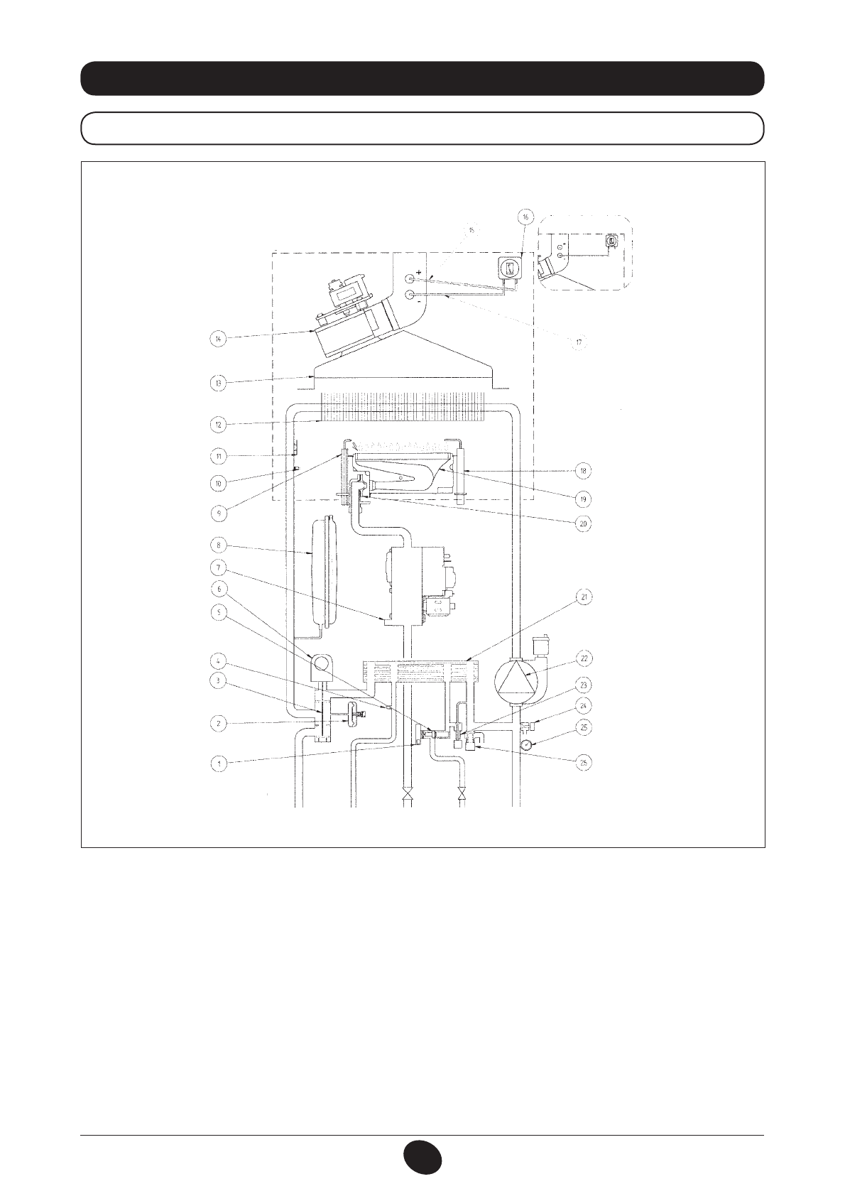
32. ФУНКЦИОНАЛЬНЫЕ СХЕМЫ
Обозначения:
1
датчик приоритета контура ГВС
2 гидравлический
прессостат
3 трехходовой
клапан
4
датчик температуры (тип NTC) контура ГВС
5
датчик протока с фильтром и ограничителем напора
воды
6
мотор трехходового клапана
7 газовый
клапан
8 расширительный
бак
9 электрод
зажигания
10 датчик температуры (тип NTC) контура отопления
11 термостат
перегрева
12 первичный
теплообменник
13 дымовой
колпак
14 вентилятор
15 точка положительного давления (для модели 310 Fi точка
положительного давления должна быть закрыта)
16 пневмореле – датчик тяги
17 точка отрицательного давления
18 электрод контроля пламени
19 горелка
20 рампа подачи газа с форсунками
21 пластинчатый теплообменник системы ГВС
(автоматический байпас)
22 насос с автоматическим воздухоотводчиком
23 кран заполнения котла
24 кран слива воды из котла
25 манометр
26 предохранительный клапан
240 Fi - 310 Fi
Рис. 20
подача
в систему
отопления
камера сгорания
310 Fi
выход
горячей
воды
газ
подача
холодной
воды
возврат из
системы
отопления
0901_0804 / CG_1737
Содержание
- 2 - Директива о газе
- 3 СОДЕРЖАНИЕ
- 4 Контур отопления; ПОДГОТОВКА К УСТАНОВКЕ
- 6 ЗНАЧЕНИЕ СИМВОЛА; ЛЕТО; ОПИСАНИЕ КНОПКИ (ЛЕТО – ЗИМА – ТОЛЬКО ОТОПЛЕНИЕ – ВЫКЛЮЧЕНО); АВТОМАТИЧЕСКИЙ РЕЖИМ (на дисплее символ )
- 7 ПОЧАСОВАЯ ПРОГРАММА РАБОТЫ КОТЛА НА СИСТЕМУ ОТОПЛЕНИЯ
- 9 Сводная таблица программируемых групп дней; установленные; с понедельника до пятницы; DAY 6 7; суббота и воскресенье; ПОЧАСОВАЯ ПРОГРАММА РАБОТЫ КОТЛА НА СИСТЕМУ ГВС
- 10 СПЕЦИАЛЬНЫЕ ФУНКЦИИ
- 12 «MANUALE»; ЗАПОЛНЕНИЕ СИСТЕМЫ
- 13 ВЫКЛЮЧЕНИЕ НА ДЛИТЕЛЬНЫЙ ПЕРИОД. ЗАЩИТА ОТ ЗАМЕРЗАНИЯ; ОК
- 14 УКАЗАНИЯ ПО УХОДУ
- 15 Система отопления; Важно; ПРОВЕРКИ ПЕРЕД УСТАНОВКОЙ КОТЛА
- 16 ГАБАРИТНЫЕ РАЗМЕРЫ КОТЛА
- 17 УСТАНОВКА ДЫМОХОДА И ВОЗДУХОВОДА; Предупреждение: Для гарантии наибольшей безопасности
- 18 ВАРИАНТЫ ГОРИЗОНТАЛЬНОЙ УСТАНОВКИ НАКОНЕЧНИКА ДЫМОХОДА
- 19 Регулировка проема в трубе забора; Метан
- 21 ПОДКЛЮЧЕНИЕ К ЭЛЕКТРОПИТАНИЮ
- 22 УСТАНОВКА ВЫНОСНОЙ ПАНЕЛИ УПРАВЛЕНИЯ; УСТАНОВКА ПАРАМЕТРОВ; «MODUL»; ПОДСОЕДИНЕНИЕ КОМНАТНОГО ТЕРМОСТАТА; ВАЖНО
- 23 ФУНКЦИОНИРОВАНИЕ КНОПКИ; УСТАНОВКА ВЫНОСНОЙ ПАНЕЛИ УПРАВЛЕНИЯ НА СТЕНЕ; ПОРЯДОК ПЕРЕВОДА КОТЛА НА ДРУГОЙ ТИП ГАЗА И НАСТРОЙКИ ДАВЛЕНИЯ
- 24 КЛАПАН SIT - SIGMA 845
- 25 ПОРЯДОК ВЫВОДА ИНФОРМАЦИИ И ПРЕДВАРИТЕЛЬНЫЕ УСТАНОВКИ
- 26 ДОПОЛНИТЕЛЬНАЯ ИНФОРМАЦИЯ; Лето – Зима – Лето+Сool – только отопление –
- 27 УСТАНОВКА ПАРАМЕТРОВ; IP; Описание параметров
- 28 УСТРОЙСТВА РЕГУЛИРОВАНИЯ И ПРЕДОХРАНИТЕЛЬНЫЕ УСТРОЙСТВА
- 29 КОНТРОЛЬ ОТХОДЯЩИХ ГАЗОВ
- 30 ПРИСОЕДИНЕНИЕ ДАТЧИКА УЛИЧНОЙ ТЕМПЕРАТУРЫ; K REG; ТМ; КЛЕММНАЯ КОЛОДКА М2
- 31 ПОДСОЕДИНЕНИЕ ДАТЧИКА БОЙЛЕРА; Кривые K REG
- 32 проверьте, чтобы параметр
- 33 ЭЛЕКТРИЧЕСКОЕ ПРИСОЕДИНЕНИЕ ЗОНАЛЬНОГО ОБОРУДОВАНИЯ; «ТА»; - ПРИСОЕДИНЕНИЕ ЗОНАЛЬНОГО ОБОРУДОВАНИЯ
- 34 ОЧИСТКА ОТ ИЗВЕСТКОВОГО НАЛЕТА В СИСТЕМЕ ГВС; через сливной кран; ДЕМОНТАЖ ВТОРИЧНОГО ТЕПЛООБМЕННИКА; ЕЖЕГОДНОЕ ТЕХНИЧЕСКОЕ ОБСЛУЖИВАНИЕ; Предупреждение
- 35 ФУНКЦИОНАЛЬНЫЕ СХЕМЫ
- 39 СХЕМЫ ЭЛЕКТРИЧЕСКИХ СОЕДИНЕНИЙ; ЦВЕТ ПР
Характеристики
Остались вопросы?Не нашли свой ответ в руководстве или возникли другие проблемы? Задайте свой вопрос в форме ниже с подробным описанием вашей ситуации, чтобы другие люди и специалисты смогли дать на него ответ. Если вы знаете как решить проблему другого человека, пожалуйста, подскажите ему :)