Котел BAXI CSB45428358 - инструкция пользователя по применению, эксплуатации и установке на русском языке. Мы надеемся, она поможет вам решить возникшие у вас вопросы при эксплуатации техники.
Если остались вопросы, задайте их в комментариях после инструкции.
"Загружаем инструкцию", означает, что нужно подождать пока файл загрузится и можно будет его читать онлайн. Некоторые инструкции очень большие и время их появления зависит от вашей скорости интернета.

79
7221787.03 - ru
РУКОВОДСТВО ДЛЯ ТЕХНИЧЕСКОГО ПЕРСОНАЛА
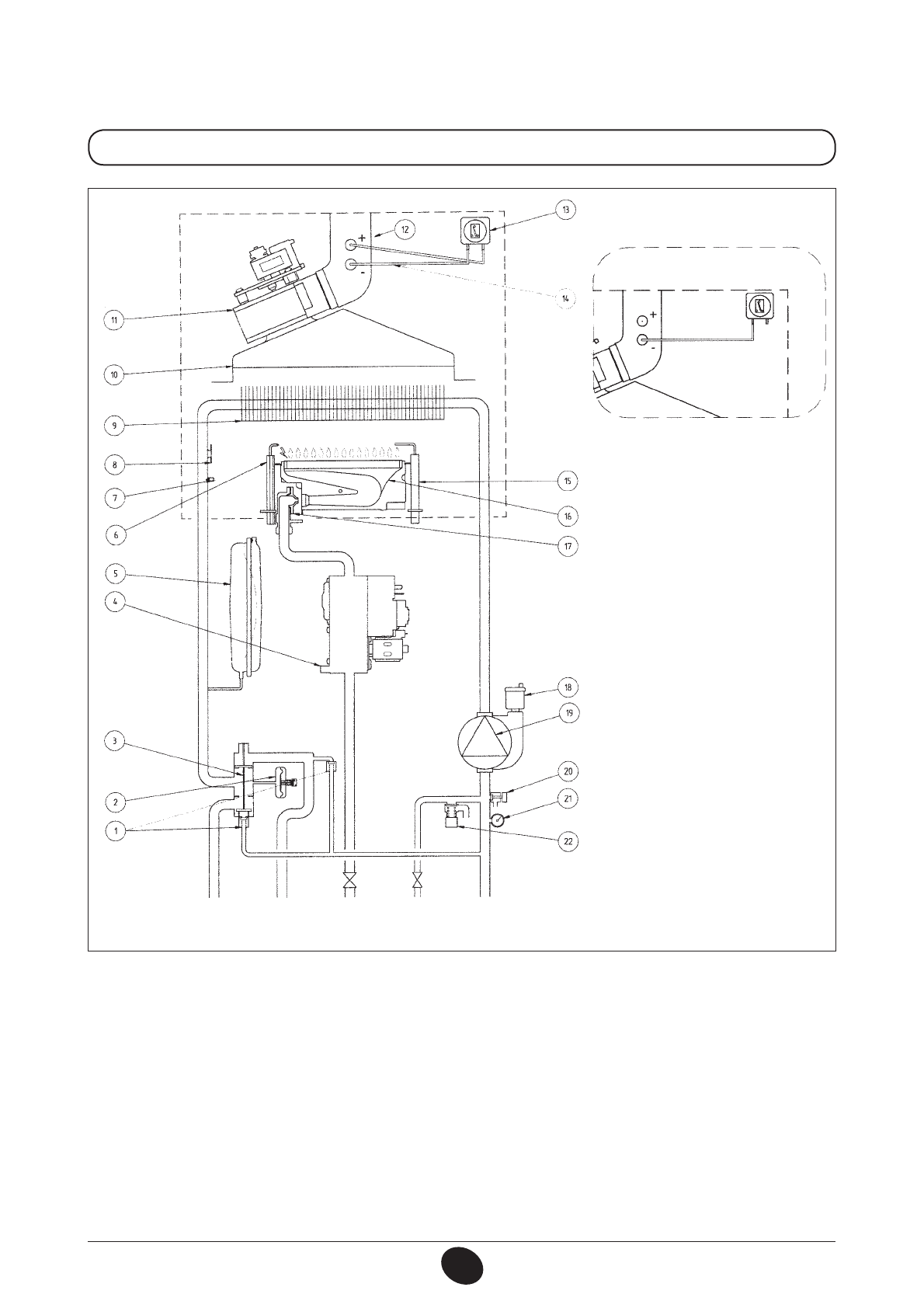
1.240 Fi - 1.310 Fi
Обозначения:
1
автоматический
байпас
2
гидравлический
прессостат
3
трехходовой
клапан
4
газовый
клапан
5
расширительный
бак
6
электрод
зажигания
7 датчик температуры (тип NTC) контура отопления
8
термостат
перегрева
9
первичный
теплообменник
10 дымовой колпак
11 вентилятор
12 точка положительного давления (для модели1.310 Fi
точка положительного давления должна быть закрыта)
13 пневмореле – датчик тяги
14 точка отрицательного давления
15 электрод контроля пламени
16 горелка
17 рампа подачи газа с форсунками
18 автоматический воздухоотводчик
19 насос с автоматическим воздухоотводчиком
20 кран слива воды из котла
21 манометр
22 предохранительный клапан
Рис.22
0609_0502 / C
G_1845
0606_2701
1.310 Fi
подача
в систему
отопления
камера сгорания
выход
горячей
воды
газ
подача
холодной
воды
возврат из
системы
отопления
Содержание
- 2 - Директива о газе
- 3 СОДЕРЖАНИЕ
- 4 Контур отопления; ПОДГОТОВКА К УСТАНОВКЕ
- 6 ЗНАЧЕНИЕ СИМВОЛА; ЛЕТО; ОПИСАНИЕ КНОПКИ (ЛЕТО – ЗИМА – ТОЛЬКО ОТОПЛЕНИЕ – ВЫКЛЮЧЕНО); АВТОМАТИЧЕСКИЙ РЕЖИМ (на дисплее символ )
- 7 ПОЧАСОВАЯ ПРОГРАММА РАБОТЫ КОТЛА НА СИСТЕМУ ОТОПЛЕНИЯ
- 9 Сводная таблица программируемых групп дней; установленные; с понедельника до пятницы; DAY 6 7; суббота и воскресенье; ПОЧАСОВАЯ ПРОГРАММА РАБОТЫ КОТЛА НА СИСТЕМУ ГВС
- 10 СПЕЦИАЛЬНЫЕ ФУНКЦИИ
- 12 «MANUALE»; ЗАПОЛНЕНИЕ СИСТЕМЫ
- 13 ВЫКЛЮЧЕНИЕ НА ДЛИТЕЛЬНЫЙ ПЕРИОД. ЗАЩИТА ОТ ЗАМЕРЗАНИЯ; ОК
- 14 УКАЗАНИЯ ПО УХОДУ
- 15 Система отопления; Важно; ПРОВЕРКИ ПЕРЕД УСТАНОВКОЙ КОТЛА
- 16 ГАБАРИТНЫЕ РАЗМЕРЫ КОТЛА
- 17 УСТАНОВКА ДЫМОХОДА И ВОЗДУХОВОДА; Предупреждение: Для гарантии наибольшей безопасности
- 18 ВАРИАНТЫ ГОРИЗОНТАЛЬНОЙ УСТАНОВКИ НАКОНЕЧНИКА ДЫМОХОДА
- 19 Регулировка проема в трубе забора; Метан
- 21 ПОДКЛЮЧЕНИЕ К ЭЛЕКТРОПИТАНИЮ
- 22 УСТАНОВКА ВЫНОСНОЙ ПАНЕЛИ УПРАВЛЕНИЯ; УСТАНОВКА ПАРАМЕТРОВ; «MODUL»; ПОДСОЕДИНЕНИЕ КОМНАТНОГО ТЕРМОСТАТА; ВАЖНО
- 23 ФУНКЦИОНИРОВАНИЕ КНОПКИ; УСТАНОВКА ВЫНОСНОЙ ПАНЕЛИ УПРАВЛЕНИЯ НА СТЕНЕ; ПОРЯДОК ПЕРЕВОДА КОТЛА НА ДРУГОЙ ТИП ГАЗА И НАСТРОЙКИ ДАВЛЕНИЯ
- 24 КЛАПАН SIT - SIGMA 845
- 25 ПОРЯДОК ВЫВОДА ИНФОРМАЦИИ И ПРЕДВАРИТЕЛЬНЫЕ УСТАНОВКИ
- 26 ДОПОЛНИТЕЛЬНАЯ ИНФОРМАЦИЯ; Лето – Зима – Лето+Сool – только отопление –
- 27 УСТАНОВКА ПАРАМЕТРОВ; IP; Описание параметров
- 28 УСТРОЙСТВА РЕГУЛИРОВАНИЯ И ПРЕДОХРАНИТЕЛЬНЫЕ УСТРОЙСТВА
- 29 КОНТРОЛЬ ОТХОДЯЩИХ ГАЗОВ
- 30 ПРИСОЕДИНЕНИЕ ДАТЧИКА УЛИЧНОЙ ТЕМПЕРАТУРЫ; K REG; ТМ; КЛЕММНАЯ КОЛОДКА М2
- 31 ПОДСОЕДИНЕНИЕ ДАТЧИКА БОЙЛЕРА; Кривые K REG
- 32 проверьте, чтобы параметр
- 33 ЭЛЕКТРИЧЕСКОЕ ПРИСОЕДИНЕНИЕ ЗОНАЛЬНОГО ОБОРУДОВАНИЯ; «ТА»; - ПРИСОЕДИНЕНИЕ ЗОНАЛЬНОГО ОБОРУДОВАНИЯ
- 34 ОЧИСТКА ОТ ИЗВЕСТКОВОГО НАЛЕТА В СИСТЕМЕ ГВС; через сливной кран; ДЕМОНТАЖ ВТОРИЧНОГО ТЕПЛООБМЕННИКА; ЕЖЕГОДНОЕ ТЕХНИЧЕСКОЕ ОБСЛУЖИВАНИЕ; Предупреждение
- 35 ФУНКЦИОНАЛЬНЫЕ СХЕМЫ
- 39 СХЕМЫ ЭЛЕКТРИЧЕСКИХ СОЕДИНЕНИЙ; ЦВЕТ ПР
Характеристики
Остались вопросы?Не нашли свой ответ в руководстве или возникли другие проблемы? Задайте свой вопрос в форме ниже с подробным описанием вашей ситуации, чтобы другие люди и специалисты смогли дать на него ответ. Если вы знаете как решить проблему другого человека, пожалуйста, подскажите ему :)