Котел BAXI 7659670 - инструкция пользователя по применению, эксплуатации и установке на русском языке. Мы надеемся, она поможет вам решить возникшие у вас вопросы при эксплуатации техники.
Если остались вопросы, задайте их в комментариях после инструкции.
"Загружаем инструкцию", означает, что нужно подождать пока файл загрузится и можно будет его читать онлайн. Некоторые инструкции очень большие и время их появления зависит от вашей скорости интернета.

29
7658828.02 - ru
РУКОВОДСТВО ДЛЯ ТЕХНИЧЕСКОГО ПЕРСОНАЛА
1.24 F
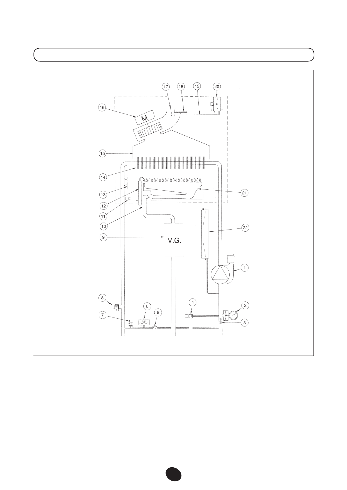
Рис. 19
подача в
систему
отопления
газ
подача
холодной
воды
возврат из
системы
отопления
Обозначения:
электрод зажигания/контроля пламени
термостат перегрева
первичный теплообменник
дымовой колпак
вентилятор
устройство Вентури
точка положительного давления
точка отрицательного давления
пневмореле - датчик контроля тяги
горелка
расширительный бак
12
13
14
15
16
17
18
19
20
21
22
1
2
3
4
5
6
7
8
9
10
11
Циркуляционный насос с автоматическим
воздухоотводчиком
манометр
съемный фильтр на обратке контура отопления
вентиль заполнения системы отопления
запорный перепускной на автоматическом байпасе
реле минимального давления
кран слива теплоносителя из котла
сбросной предохранительный клапан (3 бар)
газовый клапан
рампа подачи газа с форсунками
датчик температуры контура отопления
CG_2084 / 1001_1804
РУК
О
ВО
ДС
ТВ
О
ДЛЯ
ТЕХНИЧЕСК
О
ГО
ПЕР
С
О
НА
ЛА
Содержание
- 3 СОДЕРЖАНИЕ
- 4 ПОДГОТОВКА К УСТАНОВКЕ
- 5 Внимание
- 6 ОПИСАНИЕ КНОПКИ (Лето – Зима – Только Отопление – Выключено)
- 7 ВЫКЛЮЧЕНИЕ КОТЛА; ВНИМАНИЕ; ЗАПОЛНЕНИЕ СИСТЕМЫ
- 8 СИСТЕМА БЕЗОПАСНОСТИ: ИНДИКАТОРЫ И СРАБАТЫВАНИЕ
- 9 ДОПОПЛНИТЕЛЬНЫЙ НАСОС; ПРОВЕРКИ ПЕРЕД УСТАНОВКОЙ КОТЛА
- 11 ГАБАРИТНЫЕ РАЗМЕРЫ КОТЛА
- 12 УСТАНОВКА ДЫМОХОДА И ВОЗДУХОВОДА
- 13 ВАРИАНТЫ ГОРИЗОНТАЛЬНОЙ УСТАНОВКИ НАКОНЕЧНИКА ДЫМОХОДА
- 14 ВАЖНО
- 16 ПОДКЛЮЧЕНИЕ К ЭЛЕКТРОПИТАНИЮ
- 17 КЛАПАН HONEYWELL - VK 4105 M; ПОРЯДОК ПЕРЕВОДА КОТЛА НА ДРУГОЙ ТИП ГАЗА
- 19 ВЫВОД ИНФОРМАЦИИ НА ДИСПЛЕЙ КОТЛА
- 20 УСТАНОВКА ПАРАМЕТРОВ
- 21 УСТРОЙСТВА РЕГУЛИРОВАНИЯ И ПРЕДОХРАНИТЕЛЬНЫЕ УСТРОЙСТВА
- 22 РАСПОЛОЖЕНИЕ ЭЛЕКТРОДА ЗАЖИГАНИЯ – ДАТЧИКА ПЛАМЕНИ
- 23 ПРИСОЕДИНЕНИЕ ДАТЧИКА УЛИЧНОЙ ТЕМПЕРАТУРЫ; ПРИСОЕДИНЕНИЕ ВНЕШНЕГО БОЙЛЕРА
- 24 ДЫМООТВОДЯЩАЯ СИСТЕМА С РАЗДЕЛЬНЫМИ ТРУБАМИ
- 25 ЕЖЕГОДНОЕ ТЕХНИЧЕСКОЕ ОБСЛУЖИВАНИЕ
- 26 ОЧИСТКА ОТ ИЗВЕСТКОВОГО НАЛЕТА В СИСТЕМЕ ГВС
- 27 ФУНКЦИОНАЛЬНЫЕ СХЕМЫ
- 30 СХЕМЫ ЭЛЕКТРИЧЕСКИХ СОЕДИНЕНИЙ
- 33 ТЕХНИЧЕСКИЕ ДАННЫЕ
Характеристики
Остались вопросы?Не нашли свой ответ в руководстве или возникли другие проблемы? Задайте свой вопрос в форме ниже с подробным описанием вашей ситуации, чтобы другие люди и специалисты смогли дать на него ответ. Если вы знаете как решить проблему другого человека, пожалуйста, подскажите ему :)