Ariston UNOBLOC G 64 RI MET - Инструкция по эксплуатации - Страница 12

Котел Ariston UNOBLOC G 64 RI MET - инструкция пользователя по применению, эксплуатации и установке на русском языке. Мы надеемся, она поможет вам решить возникшие у вас вопросы при эксплуатации техники.

Если остались вопросы, задайте их в комментариях после инструкции.

"Загружаем инструкцию", означает, что нужно подождать пока файл загрузится и можно будет его читать онлайн. Некоторые инструкции очень большие и время их появления зависит от вашей скорости интернета.
Страница:
/ 43
Загружаем инструкцию
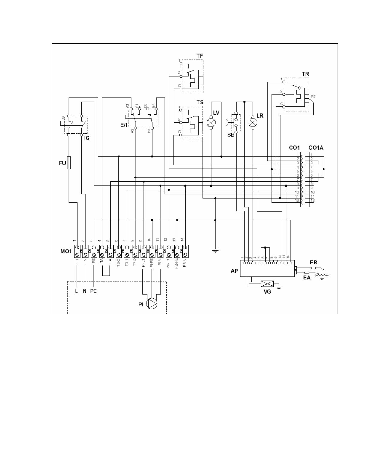
background image

 

 

 

 

 

IG – 

Ɉɫɧɨɜɧɨɣ

 

ɜɵɤɥɸɱɚɬɟɥɶ

  

FU - 

ɉɪɟɞɨɯɪɚɧɢɬɟɥɶ

 (6,3 A) 

E/I – 

ɋɟɥɟɤɬɨɪ

 

Ʌɟɬɨ

/

Ɂɢɦɚ

  

TF – 

Ɍɟɪɦɨɫɬɚɬ

 

ɬɟɦɩɟɪɚɬɭɪɵ

 

ɞɵɦɚ

Полезные видео

Характеристики

Оцените статью
tehnopanorama.ru
Остались вопросы?

Не нашли свой ответ в руководстве или возникли другие проблемы? Задайте свой вопрос в форме ниже с подробным описанием вашей ситуации, чтобы другие люди и специалисты смогли дать на него ответ. Если вы знаете как решить проблему другого человека, пожалуйста, подскажите ему :)

Задать вопрос

Часто задаваемые вопросы
Как посмотреть инструкцию к Ariston UNOBLOC G 64 RI MET?
Необходимо подождать полной загрузки инструкции в сером окне на данной странице
Руководство на русском языке?
Все наши руководства представлены на русском языке или схематично, поэтому вы без труда сможете разобраться с вашей моделью
Как скопировать текст из PDF?
Чтобы скопировать текст со страницы инструкции воспользуйтесь вкладкой "HTML"