Котел AEG GKT 303 comfort L - инструкция пользователя по применению, эксплуатации и установке на русском языке. Мы надеемся, она поможет вам решить возникшие у вас вопросы при эксплуатации техники.
Если остались вопросы, задайте их в комментариях после инструкции.
"Загружаем инструкцию", означает, что нужно подождать пока файл загрузится и можно будет его читать онлайн. Некоторые инструкции очень большие и время их появления зависит от вашей скорости интернета.
Загружаем инструкцию

13
26
_0
9_
01
_0
18
8
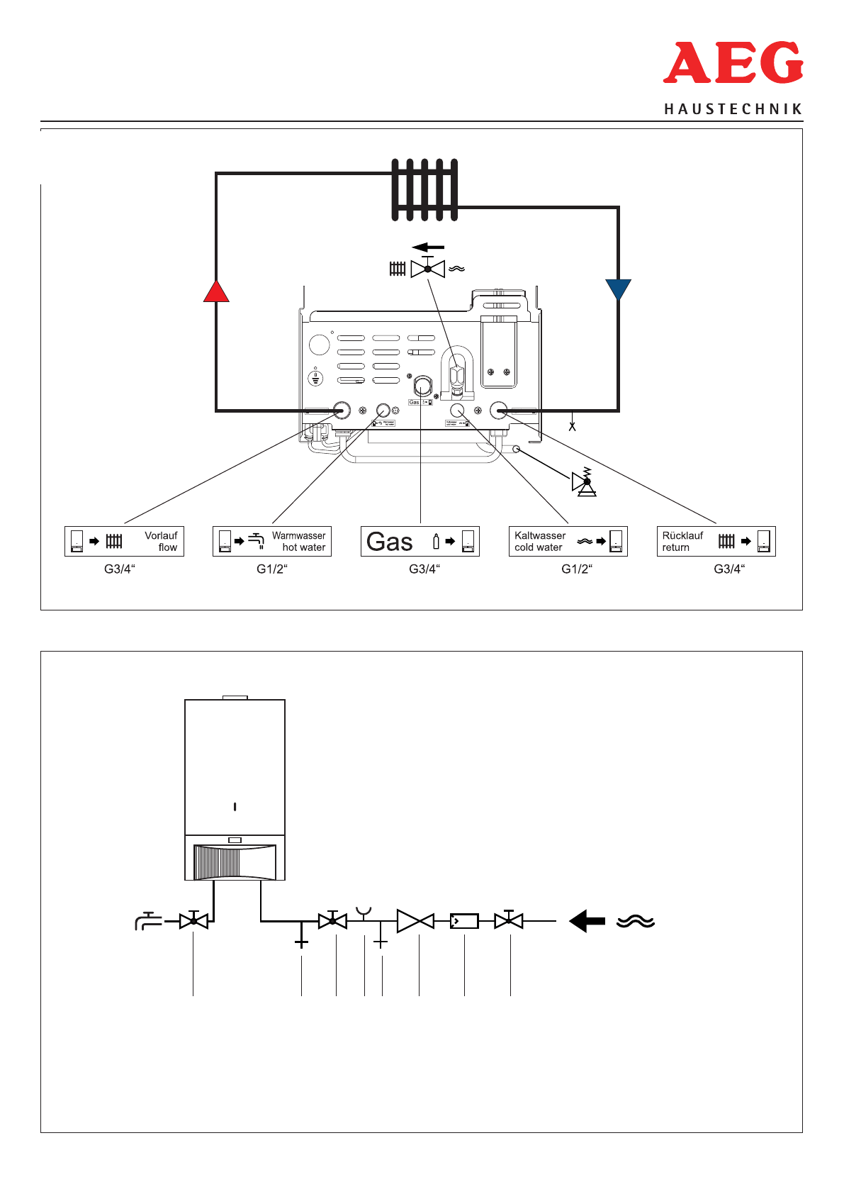
Подключения
26
_0
9_
01
_0
18
2
Подключениехолоднойводы
1 Наполнительный клапан
2 Запорный вентиль
3 Подключение манометра
4 Редуктор давления
5 Фильтр питьевой воды
6 Запорный вентиль
1
2
3
4
5
6
1
2
Содержание
- 3 Ознакомьтесь; Важно
- 4 Специалисту; Указаниядляспециалиста
- 5 Указаниядляпользователя; Пользователю
- 8 Включениеаппарата; Инструкцияпоэксплуатации; Выключениеаппарата
- 9 Эксплуатациявзимнеевремя; Режимотопленияинагреваводы; Эксплуатациявлетнеевремя; Функциязащитыотзамерзания
- 10 Инструкцияпомонтажу; Инструкциипобезопасности:
- 12 Подключениегаза
- 14 Подключениекэлектросети; Комнатныйтермостат
- 18 Первыйпусквэксплуатацию; Настройкигидравлическойсистемы; Настройкарасходавытекающейгорячей; Настройкаотопительного
- 19 Настройкагорелки; Настройкамощности; Магнитныйгазовыйклапан
- 20 Переводнадругойвидгаза
- 21 Важныеуказанияпо; Открытиекожуха
- 24 Конструкцияаппарата
- 25 Электроника
- 28 Кодынеисправностей; E0–Общееконтрольноесостояние
- 29 Прочиенеисправности
- 31 Журналтехобслуживания












