Кондиционеры TOSOT T12H-SNa/I / T12H-SNa/O - инструкция пользователя по применению, эксплуатации и установке на русском языке. Мы надеемся, она поможет вам решить возникшие у вас вопросы при эксплуатации техники.
Если остались вопросы, задайте их в комментариях после инструкции.
"Загружаем инструкцию", означает, что нужно подождать пока файл загрузится и можно будет его читать онлайн. Некоторые инструкции очень большие и время их появления зависит от вашей скорости интернета.

— 29 —
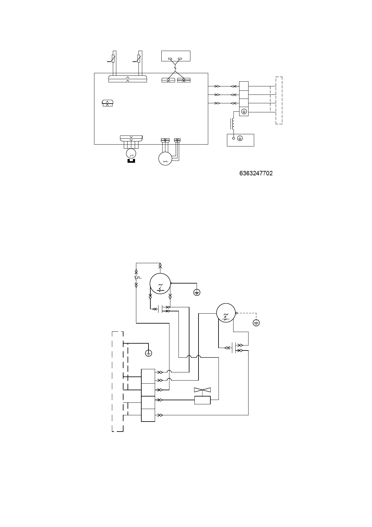
T28H-SNa/I, T36H-SNa/I
76(1625
57
57
',63/$<
6:,1*
6:,1*8'
$3
-803
&$3
3(
;7
1
0
$3
3*
0
3*)
',63 ',63
&20287
1
/$&/
/
Ⱦɚɬɱɢɤ
ɬɟɦɩɟɪɚɬɭɪɵ
ɜɩɨɦɟɳɟɧɢɢ
Ⱦɚɬɱɢɤ
ɬɟɦɩɟɪɚɬɭɪɵ
ɬɪɭɛɵ
Ɇɨɬɨɪɠɚɥɸɡɢ
Ɇɨɬɨɪ
ɜɟɧɬɢɥɹɬɨɪɚ
ȾɢɫɩɥɟɣɫɂɄ
ɩɪɢɟɦɧɢɤɨɦ
ɂɫɩɚɪɢɬɟɥɶ
ɫɢɧɢɣ
ɱɟɪɧɵɣ
ɇɚɪ
ɭɠɧɵɣɛ
ɥ
ɨ
ɤ
ɤɨɪɢɱ
ɫɢɧɢɣ
ɱɟɪɧɵɣ
ɤɨɪɢɱ
ɠɟɥɬ
Ⱦɪɨɫɫɟ
ɥɶ
Наружные
блоки
T07H-SNa/O, T09H-SNa/O, T12H-SNa/O
6
&
&$3
3(
50
3(
3(
3(
&
3(
&203
0
&
97
1
<9
;7
ɠɡ
ȼɧɭɬɪɟɧɧɢɣɛ
ɥ
ɨ
ɤ
Ʉɨɦɩɪɟɫɫɨɪ
Ɇɨɬɨɪ
ɜɟɧɬɢɥɹɬɨɪɚ
ɠɡ
ɠɟ
ɥɬ
ɫɢɧ
ɱɟɪɧɵɣ
ɫɢɧɢɣ
ɤɪɚɫɧ
ɤɨɪ
ɨɪɚɧɠɟɜɵɣ
ɫɢɧɢɣɱɟɪɧ
Ʉɨɧɞɟɧɫɚ
ɬɨ
ɪ
ɯɯɨɞɨɜɨɣɤɥɚɩɚɧ
ɠɡ
ɮɢɨɥɟɬ
BK
SAT
Ɂɚɳɢɬɚɨɬ
ɩɟɪɟɝɪɭɡɤɢ