Кондиционеры TOSOT T09H-SNa/I / T09H-SNa/O - инструкция пользователя по применению, эксплуатации и установке на русском языке. Мы надеемся, она поможет вам решить возникшие у вас вопросы при эксплуатации техники.
Если остались вопросы, задайте их в комментариях после инструкции.
"Загружаем инструкцию", означает, что нужно подождать пока файл загрузится и можно будет его читать онлайн. Некоторые инструкции очень большие и время их появления зависит от вашей скорости интернета.

— 31 —
T28H-SNa/O, T36H-SNa/O
600007000636
7
/
$
$
$3
3(
&
&203
6
50
1
/
1
;7
.0
&20,11(5
$&/
1
&203
/
&$3
2)$1+
&
0
&
&203
1
/
&$3
3(
3(
3(
3(
1
2875220
-
+33
/33
97
<9
9
1
97
3(
28778%(
57
7&
ė
Ė
75287
75,1
3
+3
5
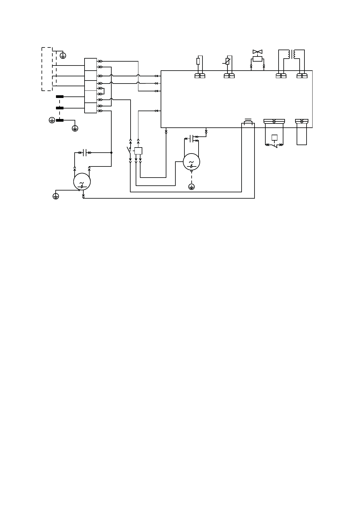
ɯɯɨɞɤɥɚɩɚɧ
ȼɧɭɬɪɟɧɧɢɣɛ
ɥ
ɨ
ɤ
ɠɡ
ɫɢɧɢɣ
ɱɟɪɧ
ɤɨɪɢɱɧ
ɤɨɪɱɟɪɧ
ɫɢɧɢɣ
ɠɡ
ɫɢɧɢɣ
ɫɢɧɢɣ
ɱɟɪɧ
ɤɨɪɢɱɧ
ɤɨɪɢɱɧ
ɤɨɪ
ɤɪɚɫɧ
ɠɡ
ɱɟɪɧ
ɫɢɧɢɣ
ɠɟɥɬ
ɱɟɪɧɫɢɧ
ɫɢɧɢɣ
Ⱥ
ɋɤ
ɨɧɬ
ɚɤ
ɬɨ
ɪ
Ɇɨ
ɬɨ
ɪ
ɜ
ɟɧɬ
ɠɡ
ɤɪɚɫɧ
ɤɨɪɢɱɧ
ɤɨɪɢɱɧ
Ɍɪɚɧɫ
ɤɨɪɢɱɧ
ɠɟ
ɥɬ
ɛ
ɟ
ɥɵɣ
Ⱦɚɬɱɢɤɜɵɫɨɤɨɝɨ
ɞɚɜɥɟɧɢɹ
Ⱦɚɬɱɢɤ
ɬɟɦɩɟɪɚɬɭɪɵ
ɨɤɪɫɪɟɞɵ
Ⱦɚɬɱɢɤ
ɬɟɦɩɟɪɚɬɭɪɵ
ɬɪɭɛɵ
ɉɢɬ
ɚɧɢɟȼ