Кондиционеры Timberk T-PAC07-P09E - инструкция пользователя по применению, эксплуатации и установке на русском языке. Мы надеемся, она поможет вам решить возникшие у вас вопросы при эксплуатации техники.
Если остались вопросы, задайте их в комментариях после инструкции.
"Загружаем инструкцию", означает, что нужно подождать пока файл загрузится и можно будет его читать онлайн. Некоторые инструкции очень большие и время их появления зависит от вашей скорости интернета.

IM2020
29
11.
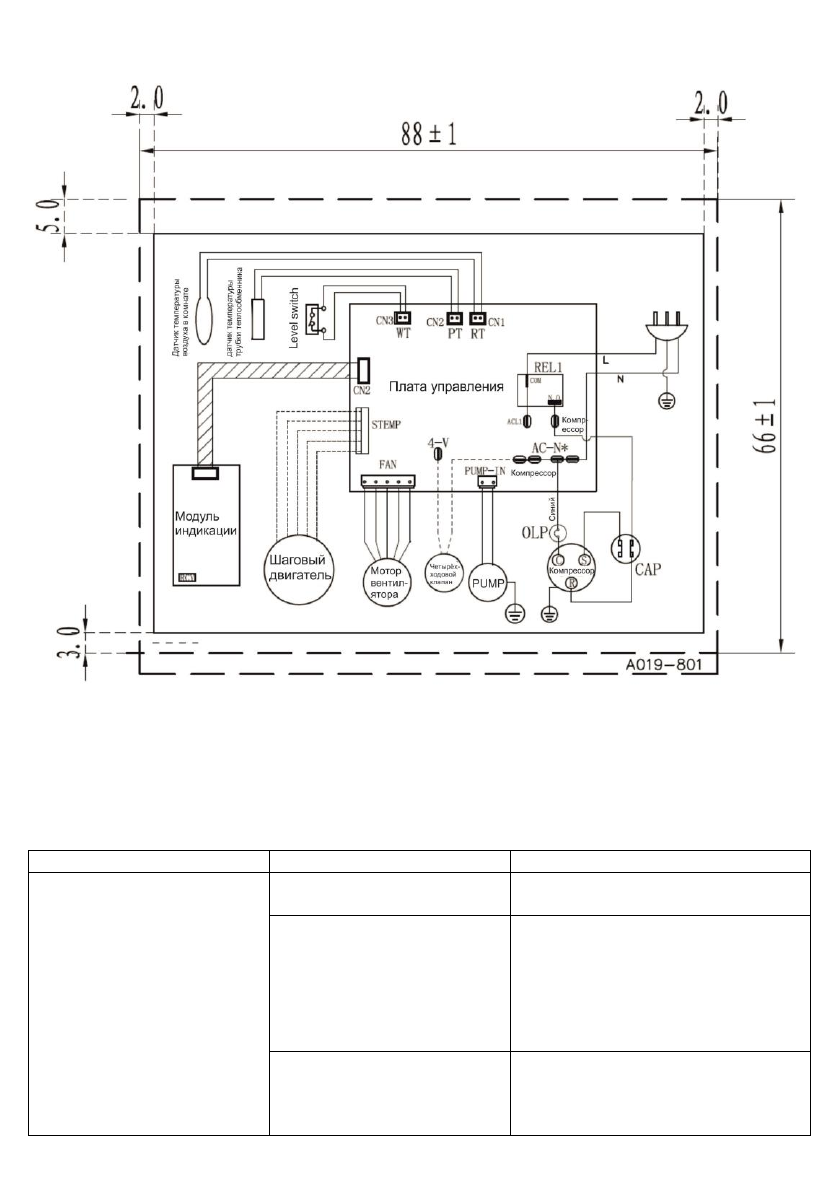
ПРИНЦИПИАЛЬНАЯ ЭЛЕКТРИЧЕСКАЯ СХЕМА
12.
УСТРАНЕНИЕ НЕИСПРАВНОСТЕЙ
В случае возникновения аварийных ситуаций обратитесь к способам устранения
неисправностей, указанных в таблице. В случае невозможности решения проблем
указанными способами обратитесь в сервисный центр.
Неисправность
Возможная причина
Действия
Кондиционер
не работает
Перебои в
электропитании
Подождите, пока восстановится
электропитание
Разрядились элементы
питания пульта
дистанционного
управления
Замените элементы питания
пульта дистанционного
управления.
Не выбрасывайте
батарейки в обычные мусорные
баки, их следует выбрасывать в
специальные баки в пунктах
приема мусора
Задано время включения
кондиционера по таймеру
Подождите, пока
кондиционер включится по
таймеру или отмените
настройку таймера
Характеристики
Остались вопросы?Не нашли свой ответ в руководстве или возникли другие проблемы? Задайте свой вопрос в форме ниже с подробным описанием вашей ситуации, чтобы другие люди и специалисты смогли дать на него ответ. Если вы знаете как решить проблему другого человека, пожалуйста, подскажите ему :)